pcv valve location

2004 NISSAN ALTIMA
80,000 MILES • 4 CYL • 2WD • AUTOMATIC
Avatar
MARITZA
  • MEMBER
  • 1 POST
where is the pcv valve?
Mar 6, 2010 at 6:18 PM
Advertisement
Avatar
LEGITIMATE007
  • CERTIFIED EXPERT
  • 5,121 POSTS
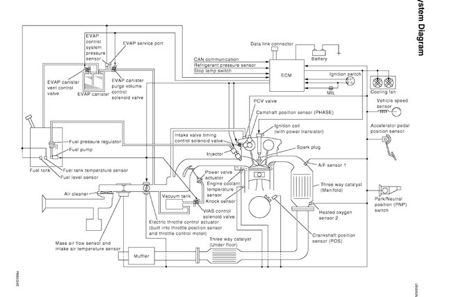
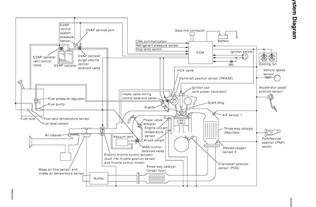
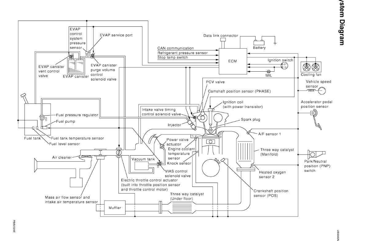
look at the back of the intake manifold, there will be a hose coming out of the valve cover, the pcv valve will be connected to the hose at the valve cover or at the other end of it. Here is a diagram. Check out the diagrams (Below). Please let us know if you need anything else to get the problem fixed.
Mar 18, 2010 at 8:20 PM
Avatar
SIDJO39
  • MEMBER
  • 2 POSTS
Where is the pcv valve on a '01 nissan altima located?
May 11, 2020 at 12:05 PM (Merged)
Advertisement
Avatar
RASMATAZ
  • CERTIFIED EXPERT
  • 75,992 POSTS
The PCV valve is situated at the drive belt side of the engine underneath the intake manifold
May 11, 2020 at 12:05 PM (Merged)
Avatar
SIDJO39
  • MEMBER
  • 2 POSTS
Is it between the two () brackets?
May 11, 2020 at 12:05 PM (Merged)
Avatar
RIVERMIKERAT
  • CERTIFIED EXPERT
  • 6,110 POSTS
No The PCV valve is located on the other side of the engine. The image I have attached should help you locate it.
May 11, 2020 at 12:05 PM (Merged)
Avatar
CARLELLIO
  • MEMBER
  • 1 POST
Where is the pcv located??
May 11, 2020 at 12:06 PM (Merged)
Avatar
BLACKOP555
  • CERTIFIED EXPERT
  • 10,386 POSTS
The most common location is in a rubber grommet in the valve cover. It can be installed in the middle of the hose connections, as well as installed directly in the intake manifold.
May 11, 2020 at 12:06 PM (Merged)
Avatar
ISOM1998
  • MEMBER
  • 1 POST
Do I have to have the oil filter out to find it?
May 11, 2020 at 12:06 PM (Merged)
Avatar
DRCRANKNWRENCH
  • CERTIFIED EXPERT
  • 3,380 POSTS
The PCV valve is located either on or around the intake manifold or on the valve cover. You can trace a large vacuum hose thtat runs from the lower engine crankcase to the PCV valve and then to the intake manifold.
May 11, 2020 at 12:06 PM (Merged)