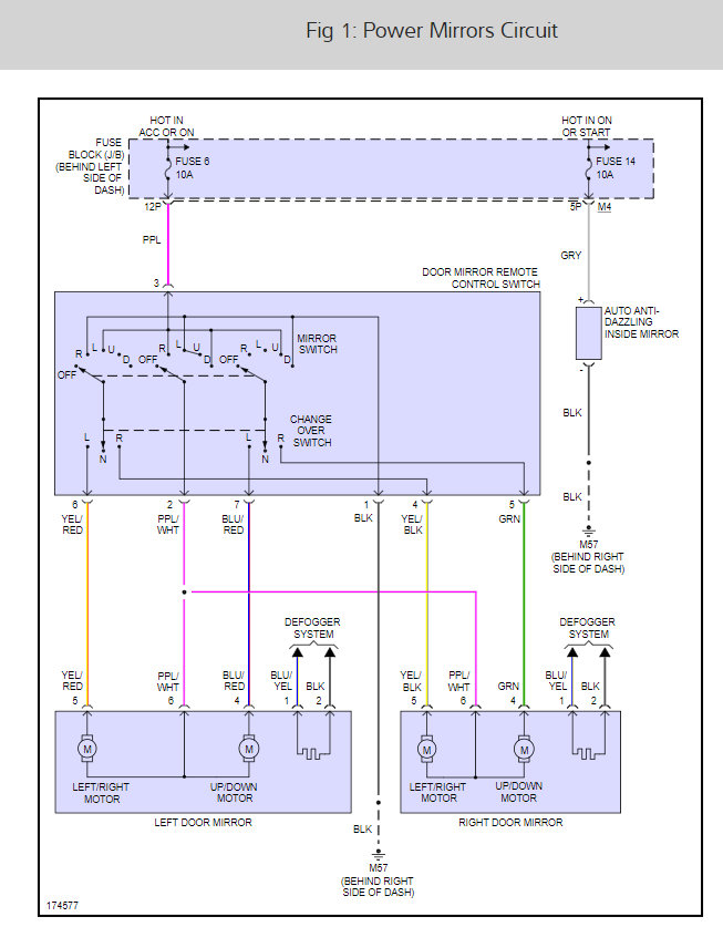
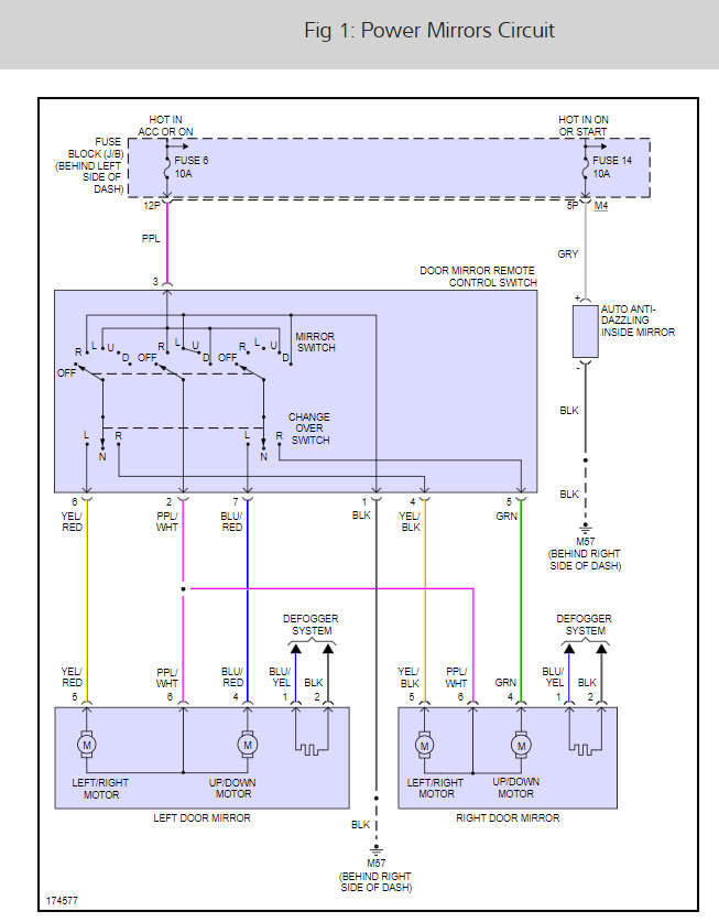
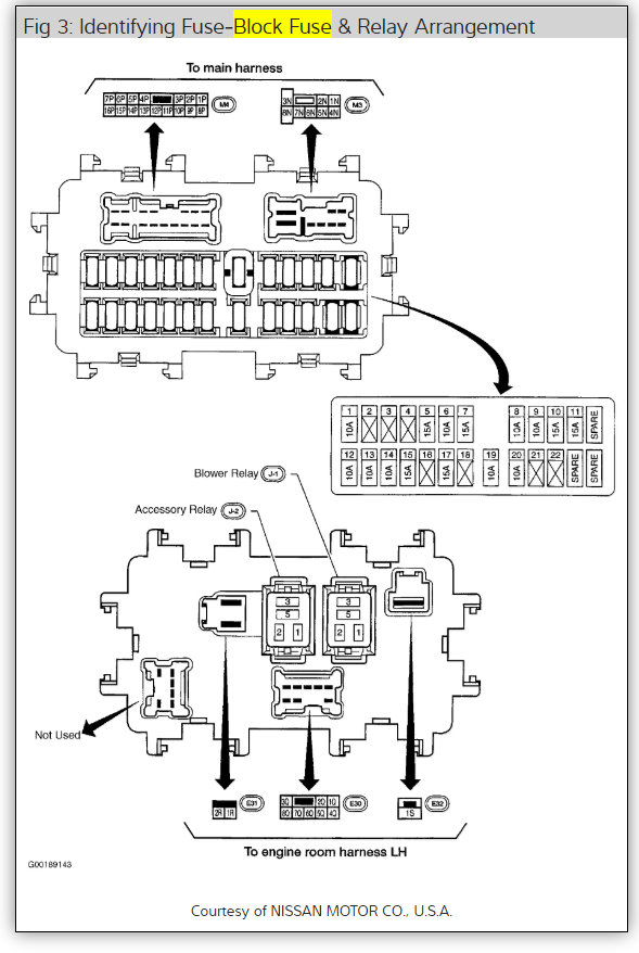
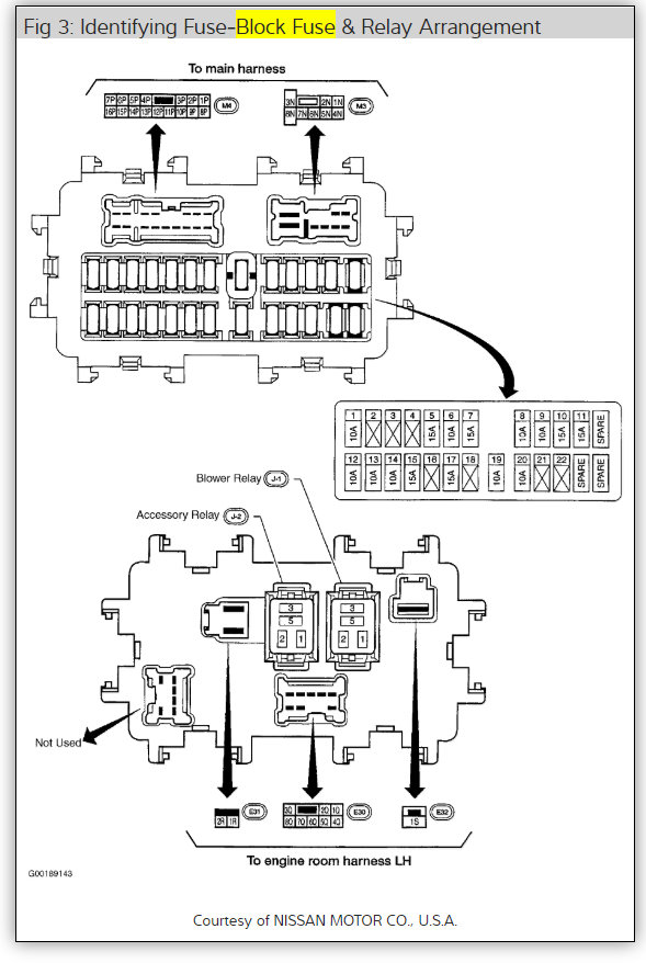
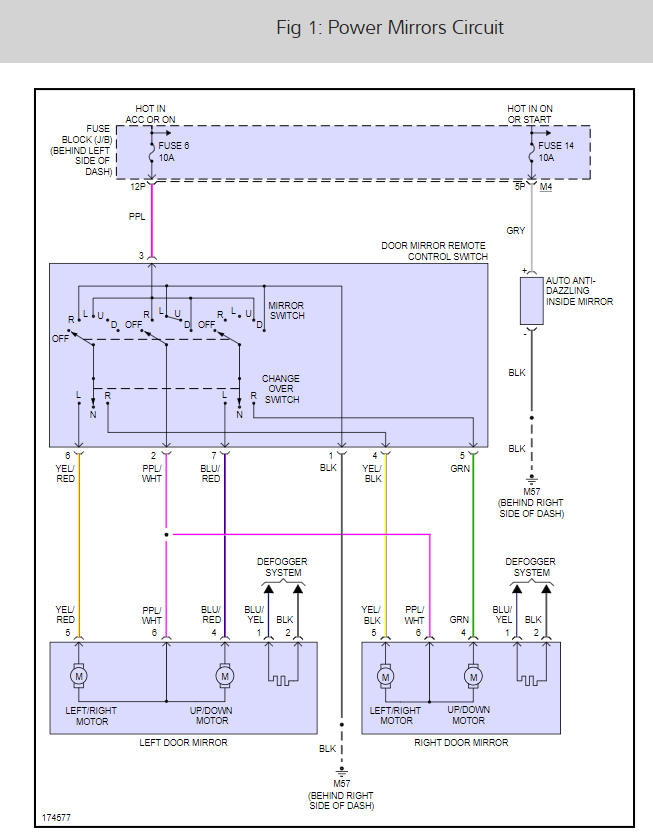
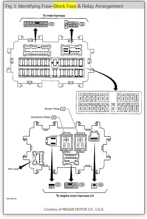
My Rear View Mirror electronic Temperature displayed turned off on my '03 Nissan Altima. I was wondering if you had any ideas or pointers on what I could do. I was thinking maybe a fuse but couldn't find anything on it.
Feb 19, 2009 at 9:37 AM





