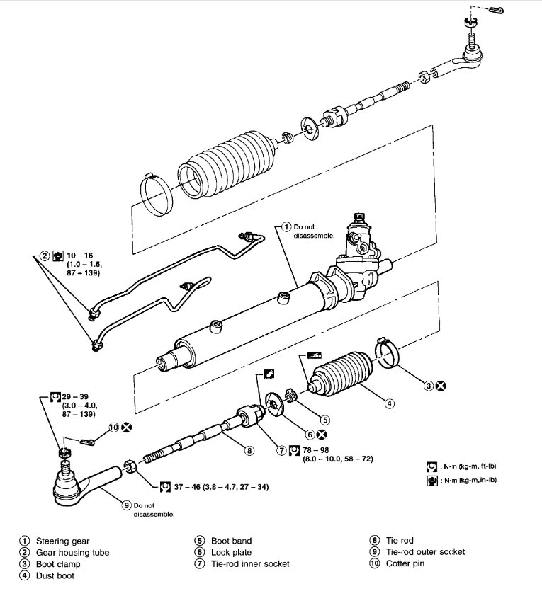
Steering problem
1999 Nissan Altima V6 Front Wheel Drive Manual 89000 miles
----------------------------------------------------------------
how to replace both inner and outer tie in rod form start to end?
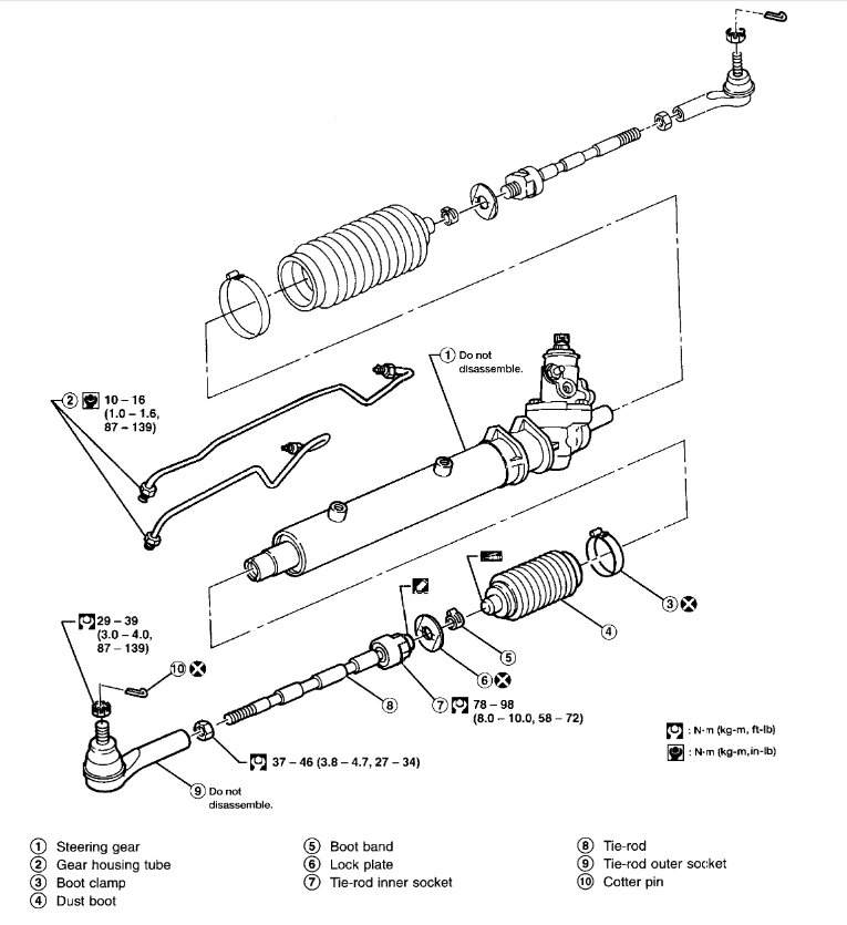
1999 Nissan Altima V6 Front Wheel Drive Manual 89000 miles
----------------------------------------------------------------
how to replace both inner and outer tie in rod form start to end?
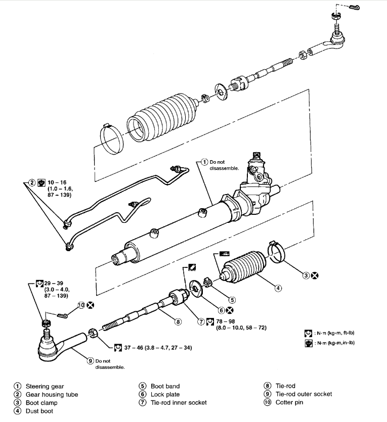
Dec 6, 2007 at 4:25 AM










