Details would take more pages than War and Peace...here's my diary:
The car listed above is a California car.
Key Ignition Lock Assy finally refused to turn to Start car.
Replaced entire Key Lock Ignition Switch Assembly Unit.
Keys programmed locksmith.
Car starts. Yaya!
But previous to this the starter was beginning to fail ie whining, grind, yes that noise. As I had 2 weeks to pack up a house and vacate the starter would have ti wait. And she did. 4 months ti be exact. Had her flatbed towed and parked. Fast forward:
Replaced broken disintegrated ground bolt starter with new (Amazon) using 'from top method ie remove intake manifold evaluated to access starter bolts.
Reinstalled, reconnected, inspected and held breath...she starts! Yipee! I'm a female btw so this was a big deal for me, especially with the 'really mechanics hanging about. However, mil on.
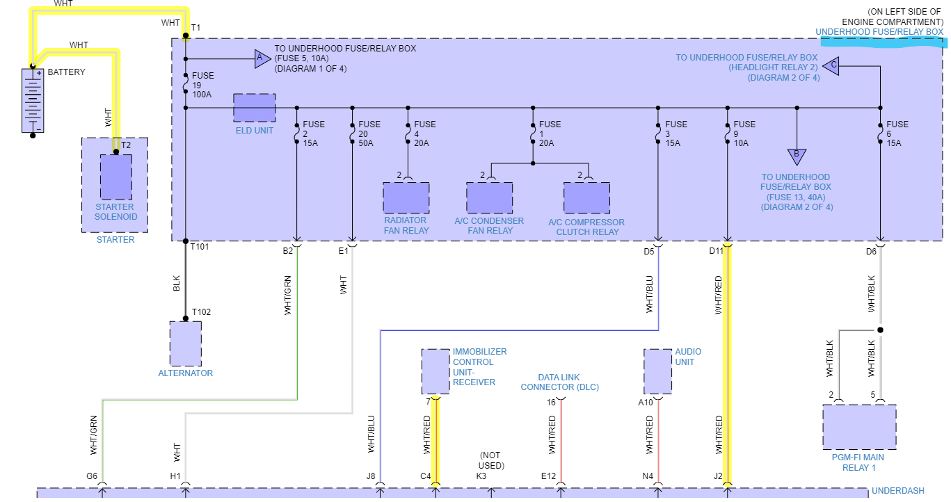
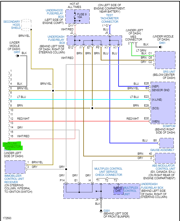
About 3 orv4 min into the warmup, the idle drop to near conk out then suddenly rockets to 3,200RPMs! Back down, up, down, up, you know what i mean. Wtf? So i plug in trusty obdll reader and it says imrc failed. And diagnostic research suggests cleaning runners and inspecting yada yada.
So, i did. It was clean, no cracks, whatever. Reinstalled
Started. Let warm up. Down. Up. Down.
Are you still with me?
Code reader now says imrc sensor failed.
Changed. No change. Reader says iac sensor bad. Changed. No change. Reader says IAC motor bad. Changed entire throttle body with different MAP, CTS, IAC motor, and air filter.
There's a change now.
Oh, the idle is surging, we now have a green flashing key on my dash, the obdll can't communicate with the vehicle, and i have no spark at plug-to-valve cover test.
have fuel. Battery fully charged. Inspected wires where work was done. I'm ready for them. Tnt procedure. Anyone?
The car listed above is a California car.
Key Ignition Lock Assy finally refused to turn to Start car.
Replaced entire Key Lock Ignition Switch Assembly Unit.
Keys programmed locksmith.
Car starts. Yaya!
But previous to this the starter was beginning to fail ie whining, grind, yes that noise. As I had 2 weeks to pack up a house and vacate the starter would have ti wait. And she did. 4 months ti be exact. Had her flatbed towed and parked. Fast forward:
Replaced broken disintegrated ground bolt starter with new (Amazon) using 'from top method ie remove intake manifold evaluated to access starter bolts.
Reinstalled, reconnected, inspected and held breath...she starts! Yipee! I'm a female btw so this was a big deal for me, especially with the 'really mechanics hanging about. However, mil on.
About 3 orv4 min into the warmup, the idle drop to near conk out then suddenly rockets to 3,200RPMs! Back down, up, down, up, you know what i mean. Wtf? So i plug in trusty obdll reader and it says imrc failed. And diagnostic research suggests cleaning runners and inspecting yada yada.
So, i did. It was clean, no cracks, whatever. Reinstalled
Started. Let warm up. Down. Up. Down.
Are you still with me?
Code reader now says imrc sensor failed.
Changed. No change. Reader says iac sensor bad. Changed. No change. Reader says IAC motor bad. Changed entire throttle body with different MAP, CTS, IAC motor, and air filter.
There's a change now.
Oh, the idle is surging, we now have a green flashing key on my dash, the obdll can't communicate with the vehicle, and i have no spark at plug-to-valve cover test.
have fuel. Battery fully charged. Inspected wires where work was done. I'm ready for them. Tnt procedure. Anyone?
Mar 9, 2022 at 8:58 AM






