I need to replace the steering column?

1996 CHEVROLET CAVALIER
175,000 MILES • 0.5L • 4 CYL • 2WD • AUTOMATIC
Avatar
RICK DEXHEIMER
  • MEMBER
  • 1 POST
I need to change out the steering column of my car listed above, what would be the good age range that's interchangeable for that part?
Aug 28, 2023 at 10:16 PM
Advertisement
Avatar
STRAILER
  • CERTIFIED EXPERT
  • 53,855 POSTS
For a 1996 Chevy Cavalier, the closest model years to consider for interchangeability might include:

1995 Cavalier
1997 Cavalier


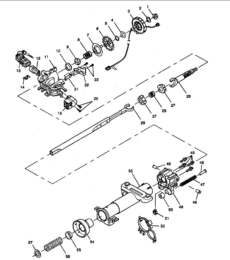
Here is how to change the steering column out in case you need it. Check out the images (below). Please let us know if you need anything else to get the problem fixed.
Aug 29, 2023 at 1:27 PM