After Install, cranked engine without plug wires attached until oil pressure achieved to lubricate turbo bearings.
Ran engine at idle for approximately 5 minutes.
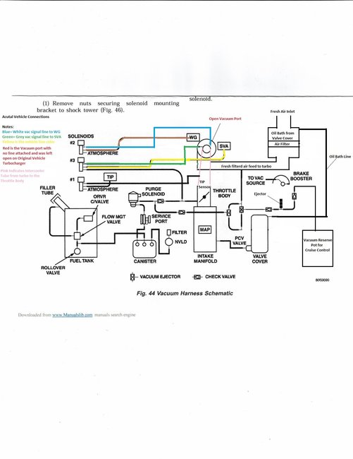
Old turbo operated okay; seals gone oil entering throttle body.
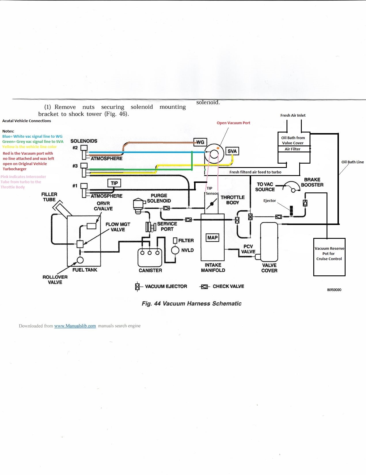
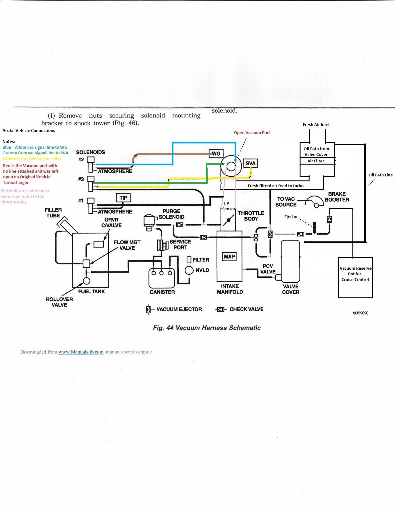
Old turbo did not have a vacuum line attached at point in picture.
New turbo releasing clean air to atmosphere. Installed vacuum cap to prevent release.
I am sure vacuum lines were installed exactly as before.
Question:
Should there be a vacuum line on it, also the turbo is emitting high pitch sounds. No tech help from RockAuto, or contact info for Ultra-Power Technical support.
Ran engine at idle for approximately 5 minutes.
Old turbo operated okay; seals gone oil entering throttle body.
Old turbo did not have a vacuum line attached at point in picture.
New turbo releasing clean air to atmosphere. Installed vacuum cap to prevent release.
I am sure vacuum lines were installed exactly as before.
Question:
Should there be a vacuum line on it, also the turbo is emitting high pitch sounds. No tech help from RockAuto, or contact info for Ultra-Power Technical support.
Aug 10, 2022 at 3:04 AM











