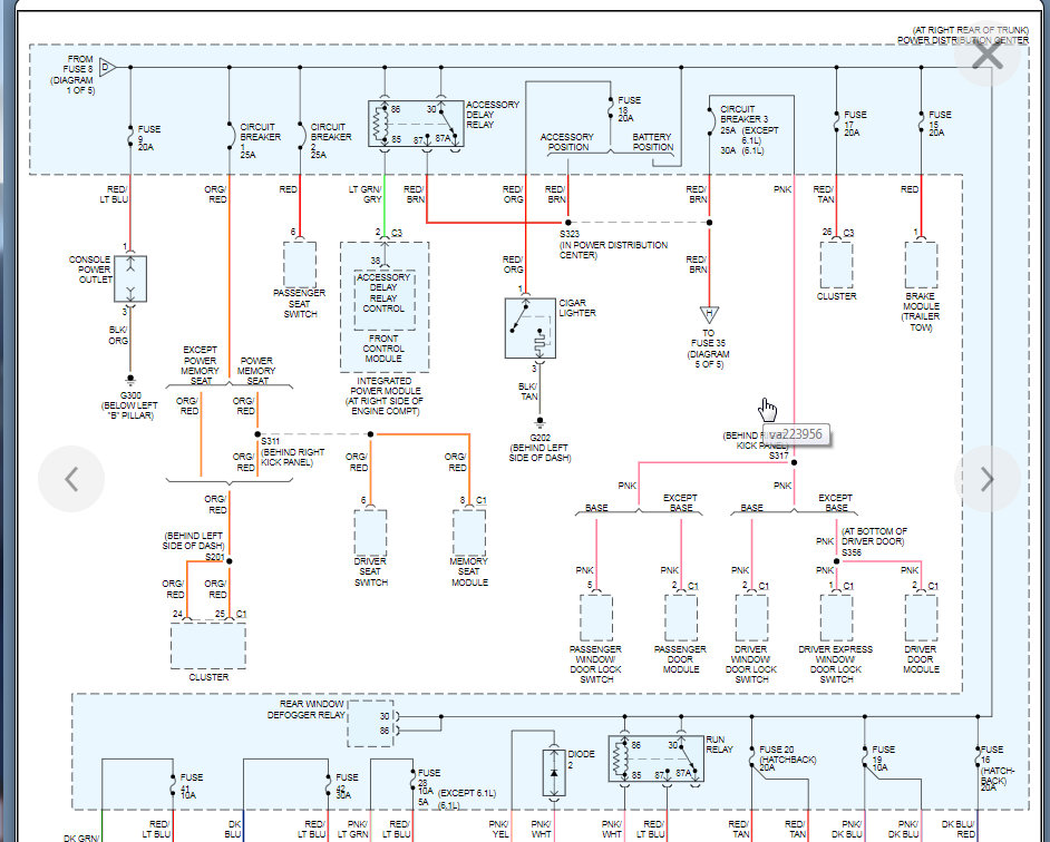
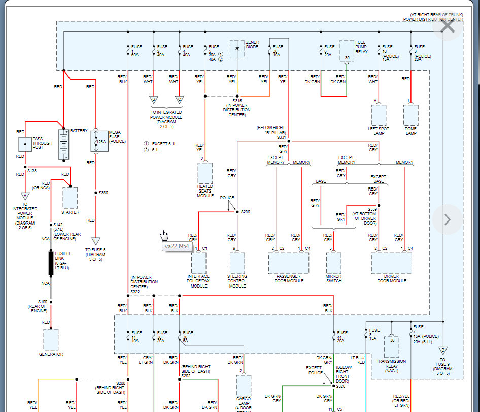
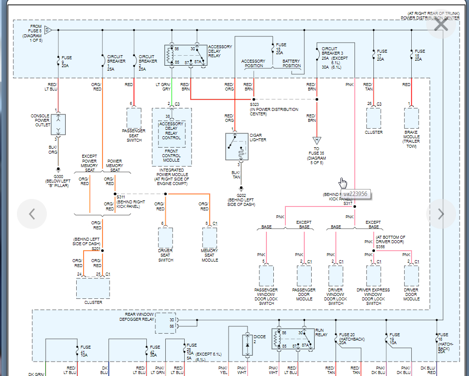
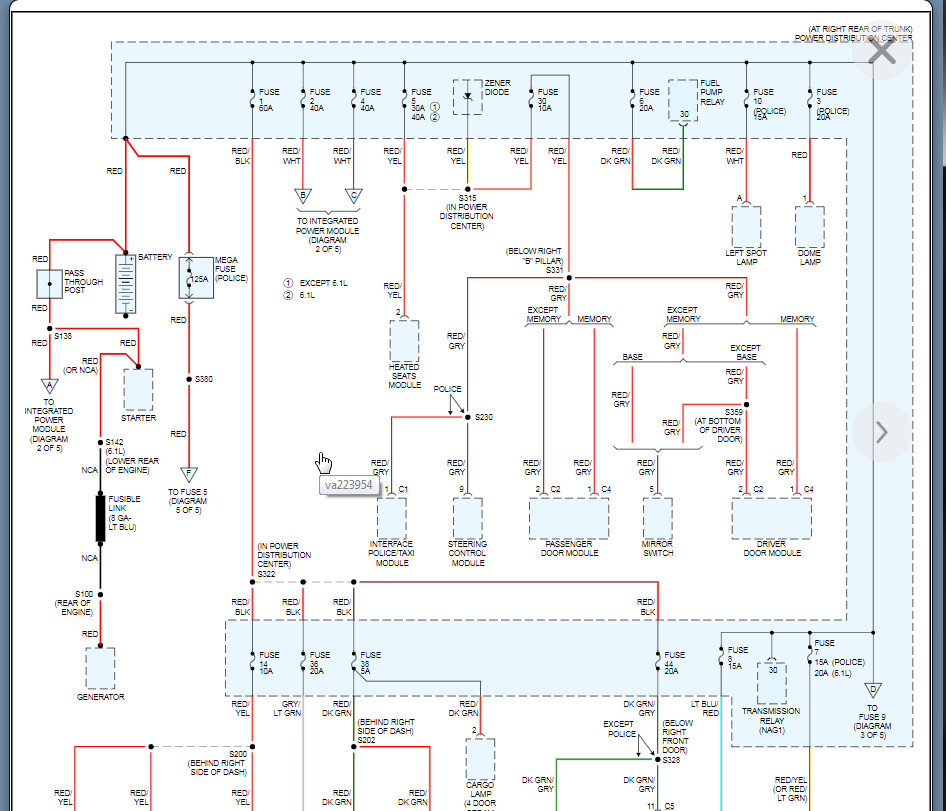
New power distribution center

2006 CHRYSLER 300
140,000 MILES • 3.8L • V6 • 2WD • AUTOMATIC
Avatar
AIRHAWK7775
  • MEMBER
  • 1 POST
I am working on a friends vehicle and need to know where to connect wires from a distribution center located in the trunk to the correct wires in the wiring harness. Apparently someone replaced the center and left 4 wires disconnected. I have determined what the wires go to, just not what wire to connect them to in the harness as there are no wires left to connect anything too. Please help!!
Nov 1, 2020 at 2:20 PM
Advertisement
Avatar
KASEKENNY
  • CERTIFIED EXPERT
  • 18,907 POSTS
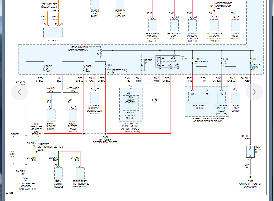
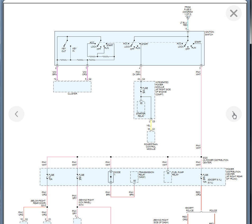
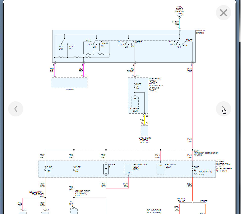
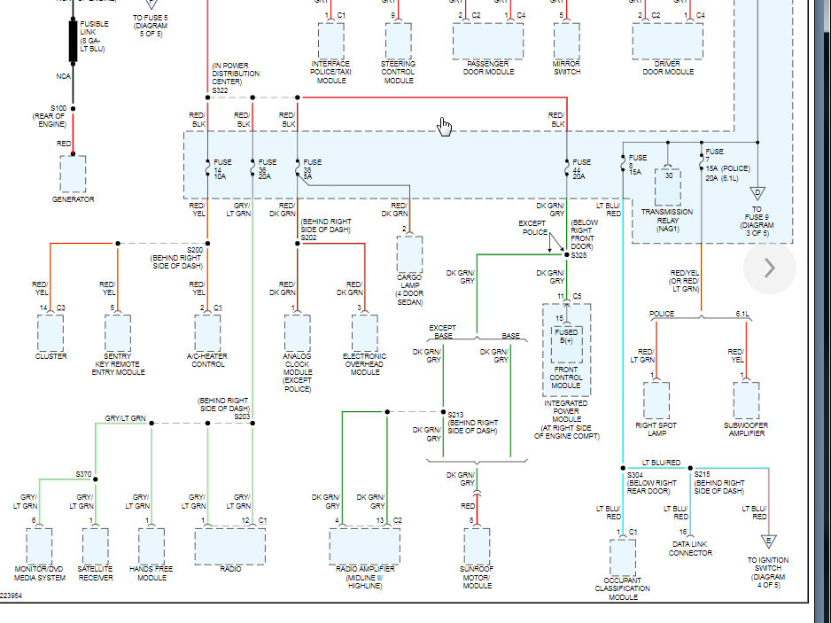
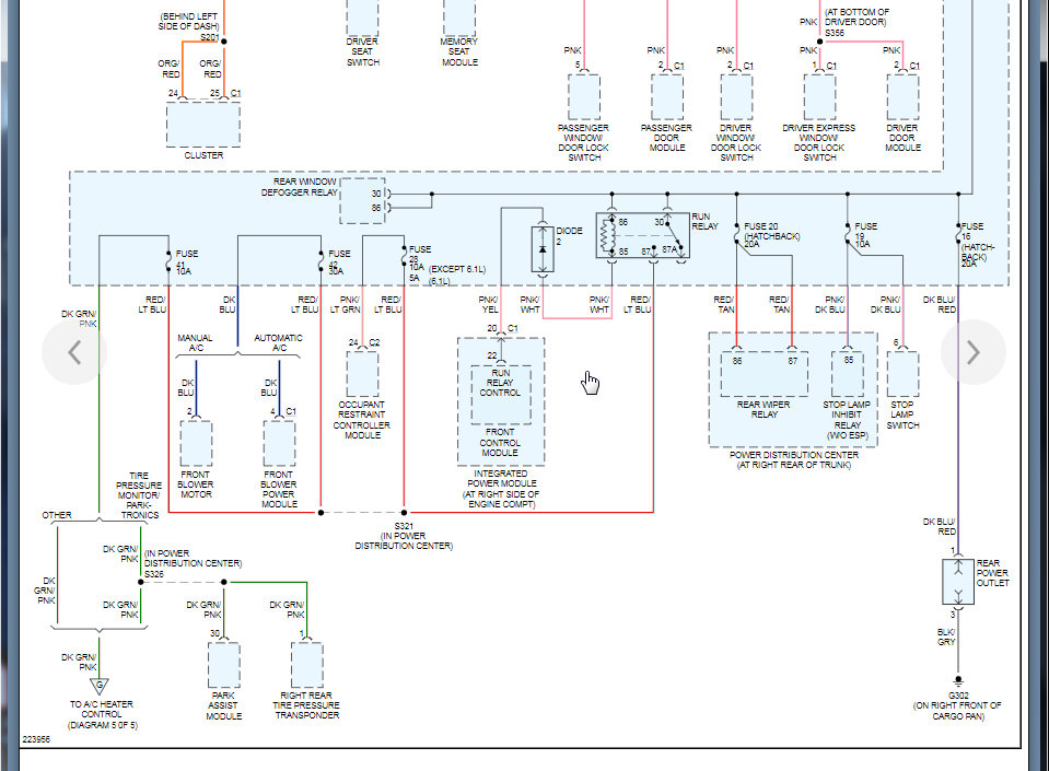
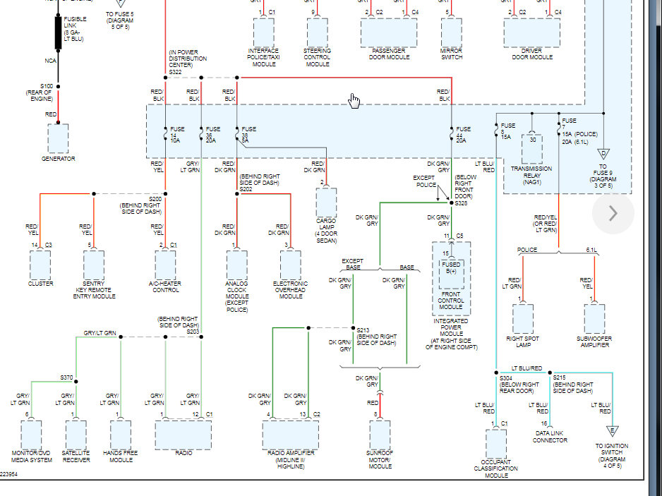
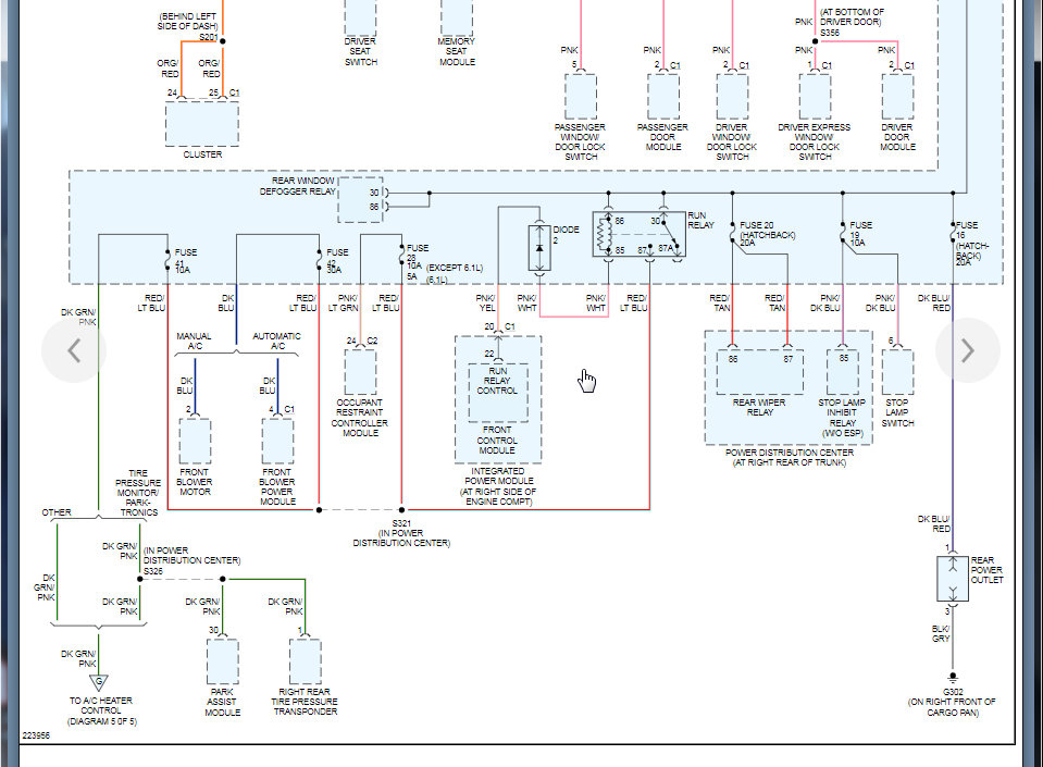
I attached wiring diagrams for this PDC. However, can you get a picture of these wires?

If they are not in a connector and left loose I would bet they are not part of the factory harness. Also, are you sure that the harness that was installed was for this vehicle?

Let me know and we can go from there. Thanks
Nov 1, 2020 at 3:08 PM