New head-unit no sound

2004 ACURA TL
170,000 MILES • 3.2L • V6 • 2WD • AUTOMATIC
Avatar
ENRIQUE17
  • MEMBER
  • 3 POSTS
I replaced my stock head-unit with an aftermarket one. I spliced all the wires to its matching wire and I have no sound coming out. My car does have a stock amp I am not sure what to do next. I heard people saying to connect the amp turn on cable to the power antenna, I tried that, tired connecting it to the red wire and nothing . I am using a harness adapter for my car as well.
Nov 18, 2017 at 2:45 PM
Advertisement
Avatar
STEVE W.
  • CERTIFIED EXPERT
  • 15,113 POSTS
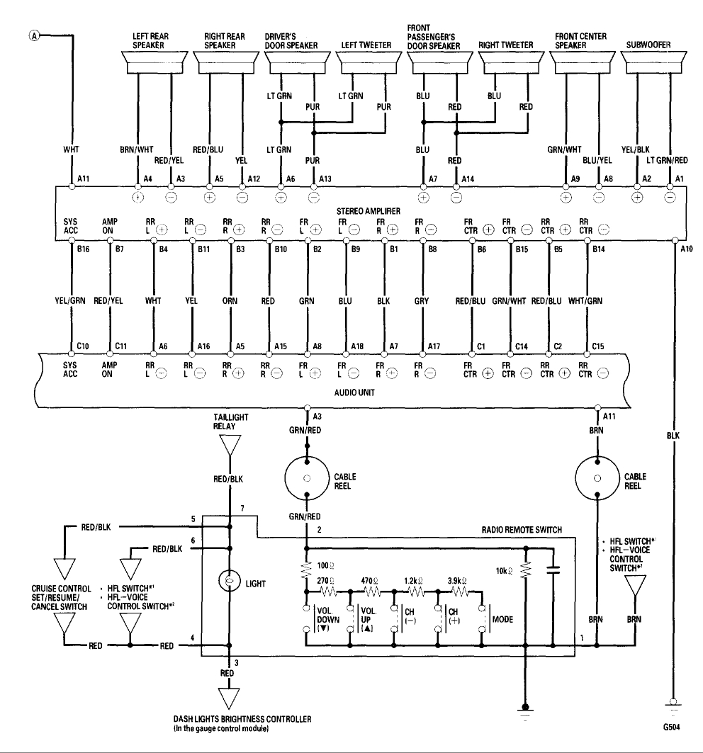
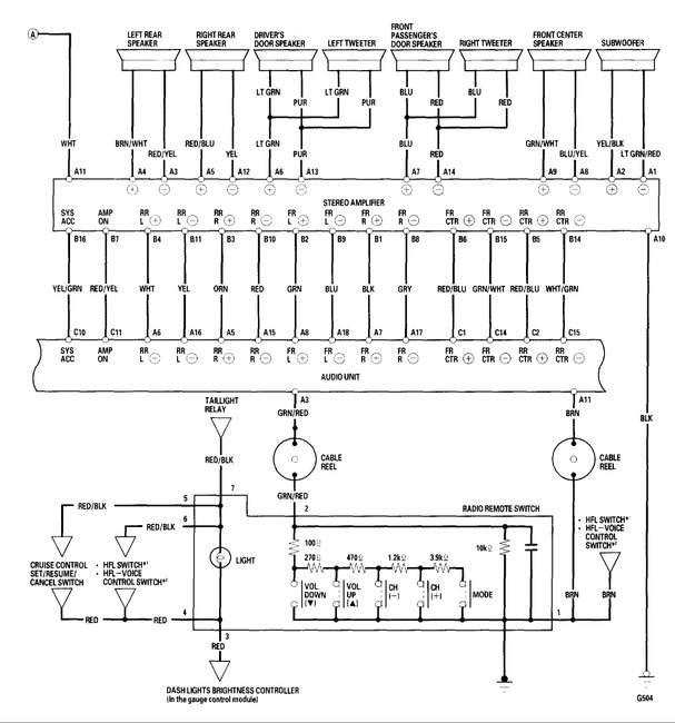
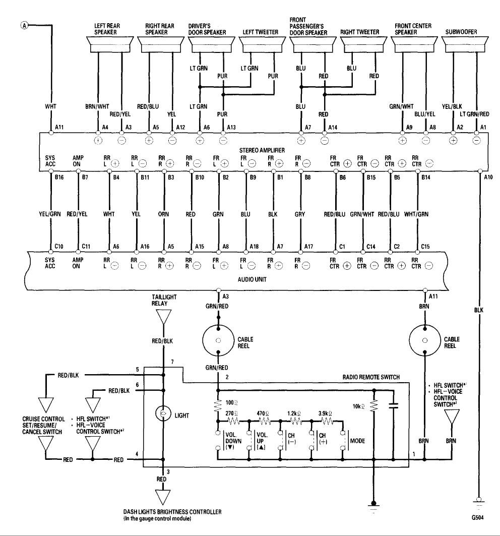
If you have the red/yellow wire which is shown as the amp turn on, try grounding it to see if the amp turns on. It looks like the amp is powered full time so it may be ground switched for "on". Here is the wiring and the connectors for the amp.
Nov 18, 2017 at 3:15 PM
Avatar
ENRIQUE17
  • MEMBER
  • 3 POSTS
The amp turn on wire on the harness for the head-unit is the blue white wire I believe. The yellow red is in the stock harness that plugs into the stock head-unit.
Nov 19, 2017 at 9:37 AM
Advertisement
Avatar
STEVE W.
  • CERTIFIED EXPERT
  • 15,113 POSTS
The stock yellow red wire goes back to the factory amp. It is what turns it on/off, you would connect the amp on/off wire on the new unit to that wire and it should activate the amp.
Nov 19, 2017 at 2:57 PM
Avatar
ENRIQUE17
  • MEMBER
  • 3 POSTS
would I still have to ground that yellow red if i have an aftermarket as well?
Nov 21, 2017 at 11:54 AM
Avatar
STEVE W.
  • CERTIFIED EXPERT
  • 15,113 POSTS
Try connecting it to whatever the new aftermarket head unit uses to turn on an amp. I suggested grounding it as a test because they don't really say if it gets 12 volts or ground to turn on. If you still have the factory unit you could plug it in and see what it sends to the amp on that wire.
Nov 21, 2017 at 5:24 PM