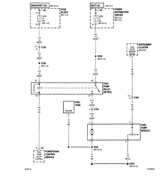
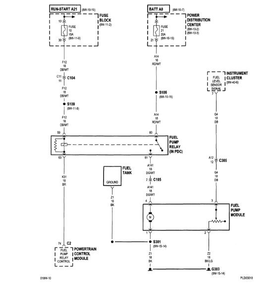
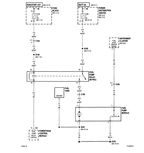
No current to the fuel pump, new fuel pump relay, still no start.
Fuel pump does prime. No pressure. It just seem like no current to keep it running.
Fuel pump does prime. No pressure. It just seem like no current to keep it running.
Sep 11, 2018 at 11:03 PM
