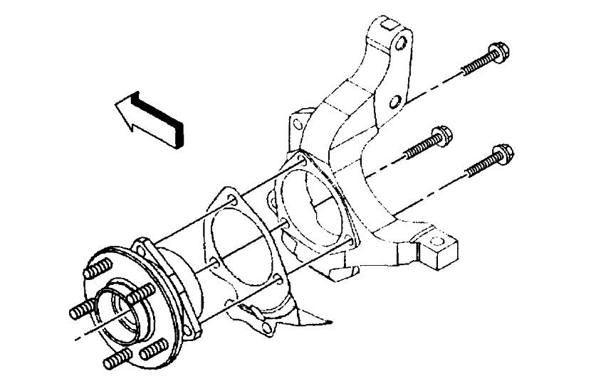
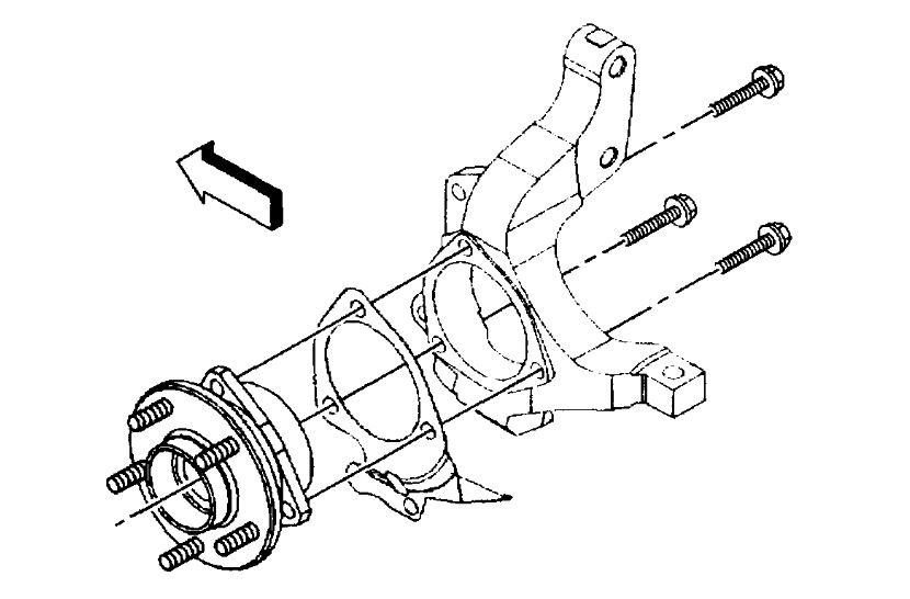
So I got a flat and had Walmart replace the two front tires on my van. The tires in the back are bigger then what is made for this vehicle. Can this cause my van to make a humming noise when going down the highway?
Mar 1, 2020 at 12:13 PM


