New blend door not getting power

1994 FORD THUNDERBIRD
199,800 MILES
Avatar
SURGEIMPULSE
  • MEMBER
  • 67 POSTS
Old blend door actuator quit working and new one will not get power or turn when I adjust temperature. I have a automatic climate control system. Is there a way to re-calibrate it, or make the new one work? It will not turn, I checked to see if the wires work and they do.
Nov 4, 2018 at 10:05 AM
Advertisement
Avatar
STRAILER
  • CERTIFIED EXPERT
  • 53,854 POSTS
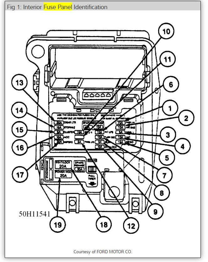
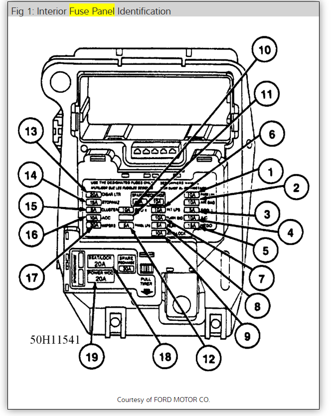
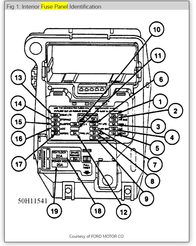
Lets try resetting the system. With the key on remove the heater (run) fuse for one minute then reinstall. Let me know what happens. Check out the diagrams (below). Please let us know what you find. We are interested to see what it is.

Cheers, Ken
Nov 5, 2018 at 3:26 PM
Avatar
SURGEIMPULSE
  • MEMBER
  • 67 POSTS
Yep I tried that, both with the engine on and just in the on position. Also pulled the memory after the rest did not work. Same results for each, nothing. Maybe a wire that tells the actuator to turn from the climate control system is broken or something, or I just have the wrong actuator.
Nov 7, 2018 at 7:37 AM
Advertisement
Avatar
STRAILER
  • CERTIFIED EXPERT
  • 53,854 POSTS
I would remove the actuator and work the blend door pivot by hand to see if it works here is a guide to help. Also check the actuator to see if it moves with the system on.

https://www.2carpros.com/articles/replace-blend-door-motor

Please let us know what happens.
Nov 7, 2018 at 10:35 AM
Avatar
SURGEIMPULSE
  • MEMBER
  • 67 POSTS
I did do that, I actually inserted the peg from the old broken blend door actuator so I can manually open the door when the car is running. Works smoothly. I will just have it like that until I can come to a conclusion.
Nov 7, 2018 at 11:41 AM
Avatar
STRAILER
  • CERTIFIED EXPERT
  • 53,854 POSTS
Yes, it could be a connection issue. Here is the wiring diagrams and a guide to help us test the wiring. If everything checks out I would replace the actuator.

https://www.2carpros.com/articles/how-to-check-wiring

Check out the diagrams (below). Please let us know what happens.

Cheers, Ken
Nov 8, 2018 at 9:23 AM
Avatar
SURGEIMPULSE
  • MEMBER
  • 67 POSTS
Could I try removing a high current fuse, like fuse 2? This fuse is 5A and control SATC.
Nov 13, 2018 at 8:52 AM
Avatar
STRAILER
  • CERTIFIED EXPERT
  • 53,854 POSTS
It sounds like the HVAC controller might be bad. I would try a used unit to see what happens. All the connections good to the actuator from the controller?
Nov 13, 2018 at 10:53 AM
Avatar
SURGEIMPULSE
  • MEMBER
  • 67 POSTS
From the looks of it, the connections look good. I will be able to take the dash of in a few weeks when I have the time. Just see removing the whole dash as a last resort if it come to that. The plastic inside the dash is very brittle. The fuse which powers the SATC (Semi Automatic Temperature Control) will be my hope before I start thinking about getting a different climate controller or harnesses.
Nov 13, 2018 at 12:12 PM
Avatar
SURGEIMPULSE
  • MEMBER
  • 67 POSTS
Update: All methods of resetting the system failed. Will update once I have the time to take off the dash. Would running to a junkyard work or will the controller have to be the same?
Nov 14, 2018 at 9:11 AM
Avatar
STRAILER
  • CERTIFIED EXPERT
  • 53,854 POSTS
The controller must be the same you are on the right track. Let me know.
Nov 14, 2018 at 9:42 AM