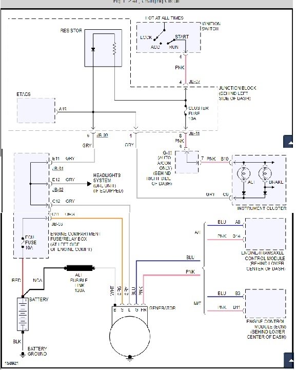
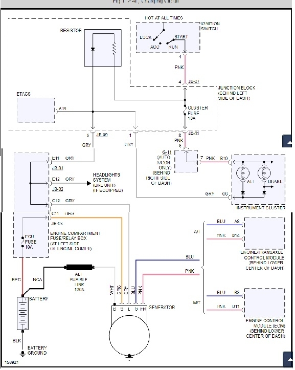
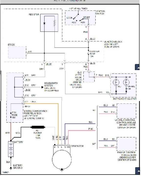
I have traced the orange and white wires to their respective sources and discovered no failures. So I am asking for the complete wiring diagram so that I can trace the gray wire in the diagram to its source because I suspect that the failure is in that side of the circuit. Thanks
Jan 19, 2020 at 11:51 AM






