Battery will not hold a charge

1998 MITSUBISHI MIRAGE
148,000 MILES • 1.3L • 4 CYL • 2WD • AUTOMATIC
Avatar
ASHB85
  • MEMBER
  • 1 POST
Replaced alternator. Replaced battery. Replaced both belts. But my car will not hold charge. If headlights are on battery drains quick. Lights dim. Car stalls at stops. SRS light comes on first then battery and check engine. Now heat stopped.
Jan 12, 2022 at 6:11 AM
Advertisement
Avatar
JACOBANDNICKOLAS
  • CERTIFIED EXPERT
  • 110,175 POSTS
Hi,

The first thing we need to do is confirm the alternator is charging or not. All you need is a voltmeter or multimeter. Follow the directions in this link:

https://www.2carpros.com/articles/how-to-check-a-car-alternator

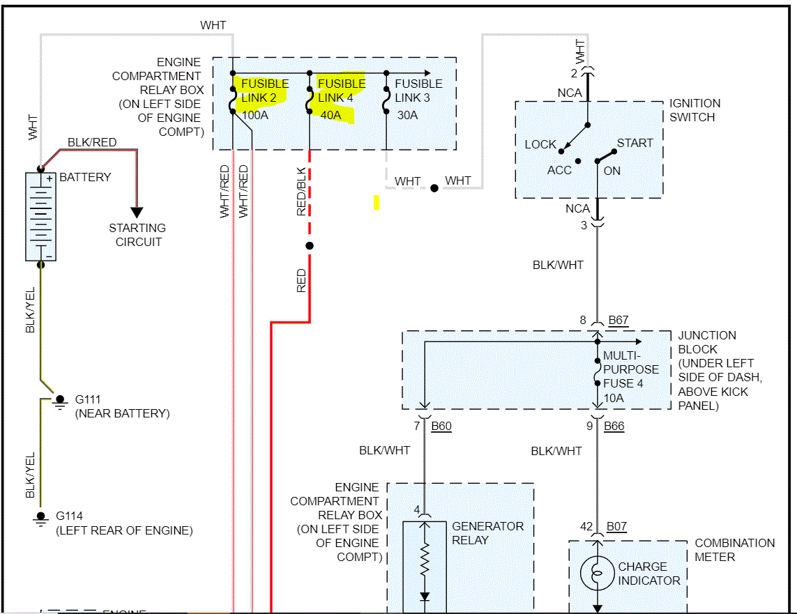
If you find it isn't charging, and it sounds like it isn't, then I need you to check for power at two points on the alternator itself.

If you look below, I attached the wiring schematic for the charging circuit. Note that both wires I'm having you check are power from fusible links. If one has failed and power can't reach the alternator, it won't charge.

Here is a link you may find helpful:

https://www.2carpros.com/articles/how-to-check-wiring

The fusible links will be in the relay box in the engine compartment.

Check these and let me know what you find.

Joe

See pics below.

Jan 12, 2022 at 7:49 PM