New alternator and battery and the battery light still on

2010 FORD F-150
146,000 MILES • 4.6L • V8 • 2WD • AUTOMATIC
Avatar
LJHJUDGE4
  • MEMBER
  • 1 POST
I recently had to change out the alternator and battery in my listed above (XL). I was driving with no issues and stopped by a gas station. When I came back out, I unlocked the doors using my fob. I tried to start the truck and the dash lights came on but nothing else happened. I opened the hood and could see smoke coming from the alternator and the heat wrap that was around the wires in the harness that clips to the alternator was melted to it. I checked the wires had no visible damage. I changed out the alternator and started the truck up. After driving it around for a minute or so, the battery light came on. I was told the battery was bad so I got a new one. The battery light on my dash still keeps coming on. I took the truck and got the battery/alternator tested. They said the voltage regulator test failed.

I know you can get a faulty alternator when you buy it new but I am thinking that the wires may have internal damage that I can't see. Thoughts?
Jun 15, 2021 at 1:13 PM
Advertisement
Avatar
JACOBANDNICKOLAS
  • CERTIFIED EXPERT
  • 110,175 POSTS
Hi,

I need you to do a check for me. I want to know first if the alternator is providing any charge and if so, the voltage it's producing.

All you will need is a voltmeter or a multimeter. Follow this link and let me know the results:

https://www.2carpros.com/articles/how-to-check-a-car-alternator

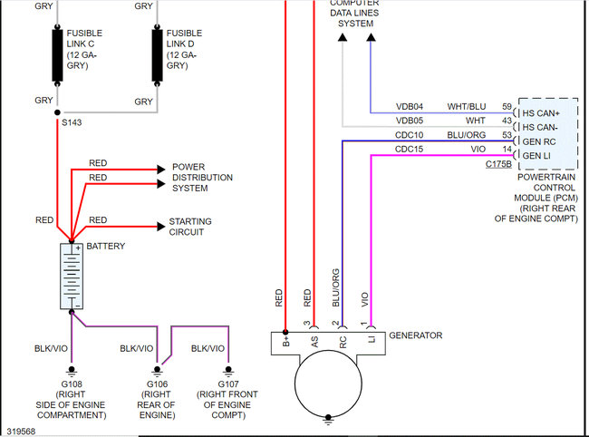
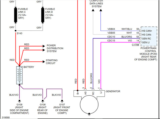
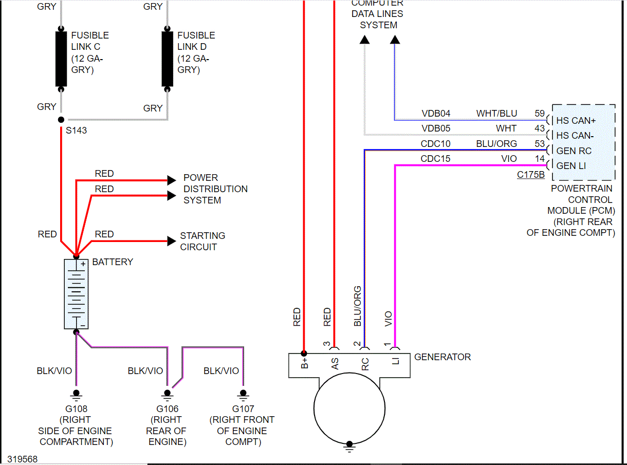
Now, if you find there is no variation between testing when the engine is off and when it is running, I need you to check for power at two locations on the alternator. Both are red wires. If we first find the alternator isn't doing anything, I suspect you will find no power to one of the wires I mentioned resulting from a blown fusible link.

A fusible link looks like a wire, but it functions as a fuse. It can fail and you won't see it. That's why I'm suggesting checking for power.

Here is a link you may find helpful:

https://www.2carpros.com/articles/how-to-check-wiring

Note: If when testing the alternator you find the voltage above 14v with the engine running, turn the engine off and let me know.

I hope this helps. Let me know what you find or if you have other questions.

Take care,

Joe

See pics below.
Jun 16, 2021 at 10:10 PM