New A/C compressor not engaging

2004 CHEVROLET SUBURBAN
230,000 MILES • 5.3L • V8 • 4WD • AUTOMATIC
Avatar
LEGACY7
  • MEMBER
  • 3 POSTS
Vehicle: 1500 with rear A/C and auto climate (rotary knobs).

Hey All,
The rundown:
The truck had a faulty A/C compressor clutch. Unaware of prior A/C operation. Decided to replace with a new factory AC Delco/Denso A/C compressor, along with a new accumulator and o-ring gaskets.
System was vacuumed for an hour and held vacuum. Set up the tank to fill system with 3 lbs of Freon. The new A/C compressor will not engage even though the indicator “snowflake” is present on the climate control unit. I could only fill about 6 ounces of Freon as a result.
Checked wire connections on the new compressor. They are good. Swapped the A/C relay with a known working relay. I then jumped the pressure sensor on the accumulator. None turned on the compressor.
I resorted to jumping pins 30 and 87 on the A/C relay pinout. This will engage compressor. I continued to fill the system while the compressor was running. According to the scale it would not fill all 3 lbs, but close to 2.5lbs

Main concern: Why is the brand new compressor not engaging when prompted from the dash control unit?
Any tips or directions where to go from here would be greatly appreciated.
Oct 3, 2018 at 10:34 PM
Advertisement
Avatar
ASEMASTER6371
  • CERTIFIED EXPERT
  • 52,796 POSTS
Good morning.

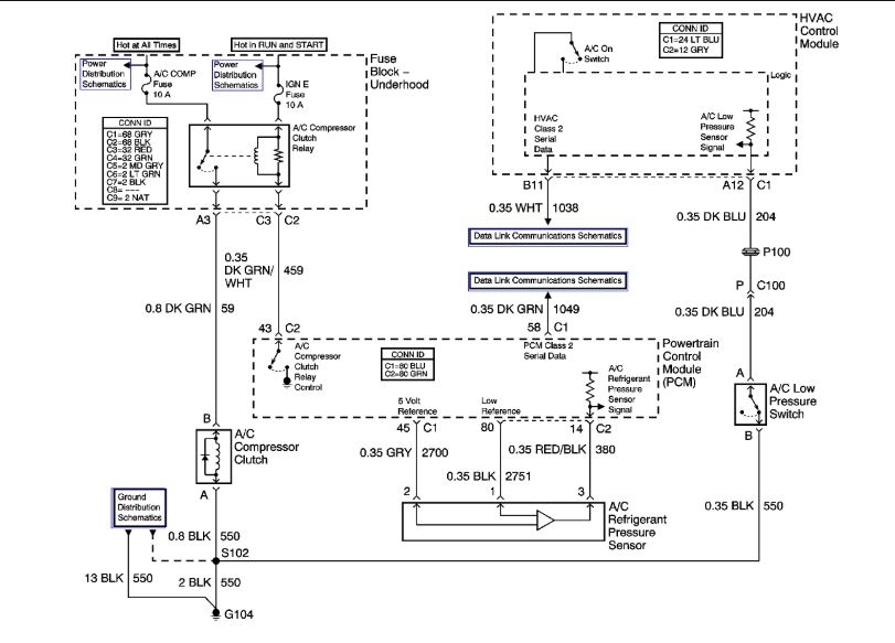
I attached a wire diagram for you to view.

Did you have power to the low pressure switch? That comes from the control head.

Check the other pressure switch for voltage. It will have only 5 volts so you need a voltmeter.

Make sure both fuses that feed the relay have power on both sides with the key on.

The PCM is what grounds the control side of the relay once it sees the proper inputs from the pressure sensors.

Roy
Oct 4, 2018 at 2:37 AM
Avatar
LEGACY7
  • MEMBER
  • 3 POSTS
Roy, thank you for the wiring diagram and follow up.

1) Key on: The low pressure switch has 4.67 volts to the blue wire and the black wire has continuity to ground. This switch is mounted on the accumulator.

2) Key on: The other pressure switch ( located on the high side line closer to the compressor):
Grey = 5 volts.
Black = Continuity to ground.
Red/Black = 0 volts.

3) Key on: Both fuses mentioned have 12+ volts on each leg.
During my tests with engine running the compressor randomly turned on.

After testing the compressor started to work. However, the compressor runs with A/C button (snowflake indicator) off. Strange.

I then turned the A/C button on and the compressor will turn off. I tried this several times with the same results.
Oct 4, 2018 at 2:09 PM
Advertisement
Avatar
ASEMASTER6371
  • CERTIFIED EXPERT
  • 52,796 POSTS
The high side switch is normally closed. With 0 volts on the red black, it shows open. That will not allow the compressor to come on.

Roy
Oct 4, 2018 at 2:26 PM
Avatar
LEGACY7
  • MEMBER
  • 3 POSTS
Okay, what voltage should red/black wire be when normally closed? 12 + volts?

Any thoughts on why the control unit switches the A/C on when the A/C button is off and vice versus?
Oct 4, 2018 at 3:02 PM
Avatar
ASEMASTER6371
  • CERTIFIED EXPERT
  • 52,796 POSTS
It cannot be anymore than 5 volts.

Oct 4, 2018 at 3:08 PM