You should start a new question specific to your vehicle. Unlike on other forums where anyone can post confusing replies, here this becomes a private conversation between two or three people. As such, most of the other experts won't get to see your problem or have a chance to reply. You're stuck with just me which might not be the best person to ask.
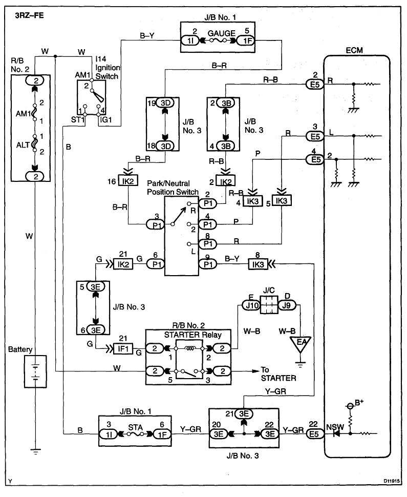
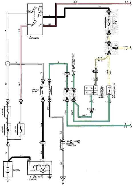
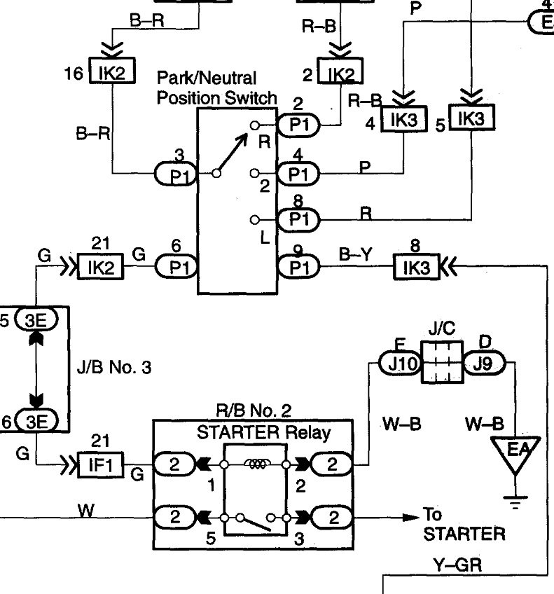
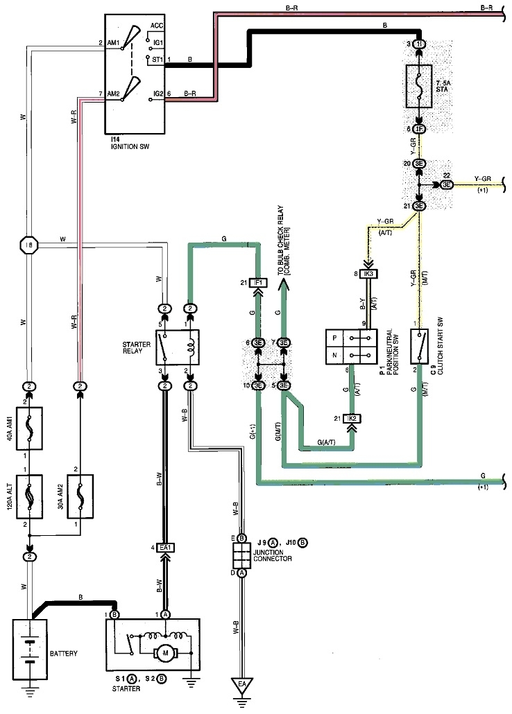
Rather than bypassing the neutral safety switch, a far easier way to start the engine is to jump the starter relay in the fuse box under the hood. There's two ways to do that. My preference is to remove the relay, pop its cover off, reinstall it that way, then just press the movable contact. Have the ignition switch in "run" so the engine will start and run.
Instead of removing the relay's cover, you can remove the relay, then use a piece of wire or stretched out paper clip to jump the two terminals in the socket where my two blue arrows are pointing. This circuit can draw a good ten amps or more, so a paper clip might get hot if it's left in too long. You also might feel a very light tickle when you remove the paper clip. That's common and normal, but harmless. Use an insulated piece of wire with the ends stripped to avoid the heat and the tickle.
This fuse box layout is for a 2wd 4.0L. Others will be similar.
Jan 23, 2024 at 7:19 PM