☰
Login
Join
×
Home
Answered Questions
Repair Topics
Repair & Service Guides
Popular Questions
Warning Lights
Trouble Codes
How It Works
Testing / Diagnostics
Symptoms
Videos
Login
Become a Member
Home
Jaguar
XJ8
Drivetrain
Transmission
Gear Position Sensor
Neutral safety switch
2001 JAGUAR XJ8
140,000 MILES • 4.0L • V8 • 2WD • AUTOMATIC
HATTIE BARRETT
MEMBER
3 POSTS
FOLLOW
Show me the hook up for the plug connection on the car.
Thank You!
Dec 30, 2016 at 11:18 AM
Advertisement
HATTIE BARRETT
MEMBER
3 POSTS
How long does it usually take for an answer to a question? This is my only means of transportation and "Man Its Cold Outside"
Dec 30, 2016 at 1:24 PM
STRAILER
CERTIFIED EXPERT
53,854 POSTS
Hey HATTIE BARRETT,
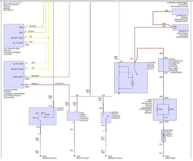
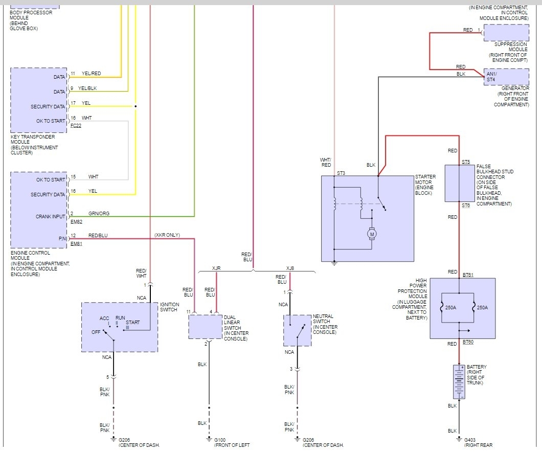
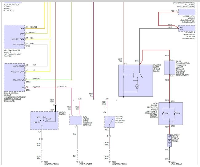
Are you talking about the ALDL connector or the neutral safety switch? Is the car not starting?
Here is a wiring diagram and some guides to help you get the problem fixed.
https://www.2carpros.com/articles/how-to-use-a-test-light-circuit-tester
and
https://www.2carpros.com/articles/car-cranks-but-wont-start
and
https://www.2carpros.com/articles/how-to-check-a-car-fuse
Please let us know happens so it will help others.
Best, Ken
Images (Click to enlarge)
Dec 31, 2016 at 2:37 PM
Advertisement