Neutral safety switch?

1994 CHEVROLET CHEYENNE
120,000 MILES • 7.4L • V8 • 2WD • MANUAL
Avatar
COOKIEMONSTA1025
  • MEMBER
  • 1 POST
I need to know what letter wires I need to cut and connect together on my truck listed above c3500 heavy duty with a nv4500 5 speed. if you could help me out it would be greatly appreciated. thank you very much.
May 24, 2023 at 6:14 AM
Advertisement
Avatar
STRAILER
  • CERTIFIED EXPERT
  • 53,854 POSTS
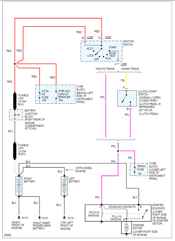
This would be the yellow and purple wire at the switch, here are the starter wiring diagrams so you can see how the system works. Check out the images (below). Please let us know what happens.

May 25, 2023 at 8:59 AM