My reverse lights stopped working and auto store said sounds like neutral safety switch. could you please give me location with picture?
Feb 23, 2019 at 7:02 AM
Advertisement
ASEMASTER6371
CERTIFIED EXPERT
52,796 POSTS
Good morning,
Parts stores employ sales people. they are guessing as usual and need to sell you something.
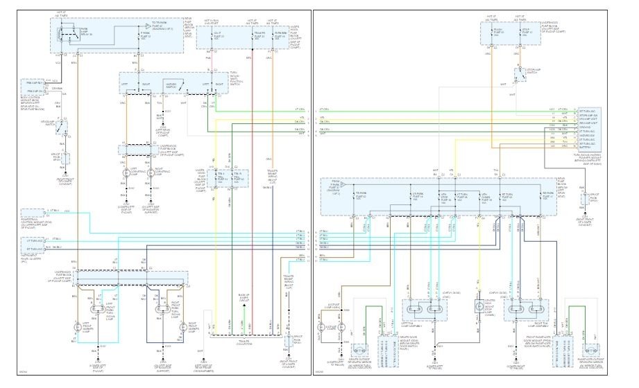
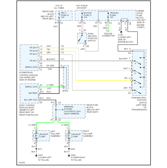
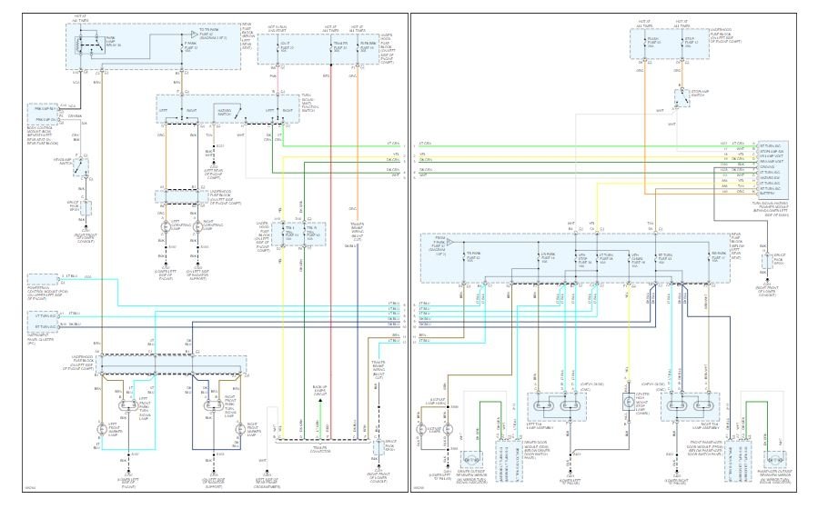
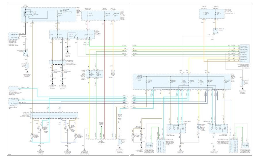
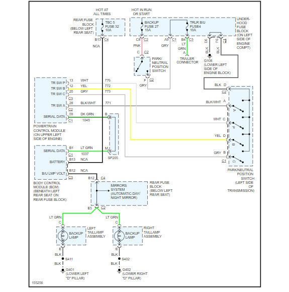
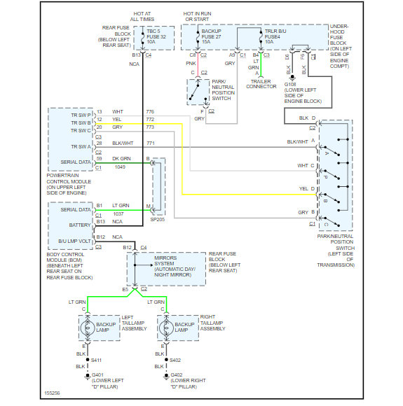
There is a lot involved in the back up light circuit. I attached a picture of the location for you as well as a wire diagram with the fuse location.
I would start by doing testing on the circuit before throwing parts at it.
Roy
Images (Click to enlarge)
Feb 23, 2019 at 7:44 AM
JUNIOR JUNIOR
MEMBER
7 POSTS
I will check on it. Thank you
Feb 23, 2019 at 8:09 AM
Advertisement
ASEMASTER6371
CERTIFIED EXPERT
52,796 POSTS
You are welcome.
Always glad to help.
Roy
Feb 23, 2019 at 8:12 AM
JUNIOR JUNIOR
MEMBER
7 POSTS
Hi, I change the neutral safety switch in the reverse lights still don't work. I have another problem the number one fuse the ecas fuse 30 amp keeps blowing. could you tell me what what would cause that?
Mar 14, 2019 at 9:35 AM
ASEMASTER6371
CERTIFIED EXPERT
52,796 POSTS
I attached a wire diagram for you for the rear back up lights. You will need a scan tool that can read the BCM as that is what sends out the power to the lights.
Test the fuses for power on both sides.
What is the ECAS you are referring to?
Roy
Mar 14, 2019 at 2:20 PM
JUNIOR JUNIOR
MEMBER
7 POSTS
Fuse number 1 30amp keep blowing. I don't know what ecas controls.
Image (Click to enlarge)
Mar 14, 2019 at 9:01 PM
ASEMASTER6371
CERTIFIED EXPERT
52,796 POSTS
The fuse is for the auto level control system compressor.
Disconnect the compressor and see if the fuse still fails.
Roy
Image (Click to enlarge)
Mar 15, 2019 at 5:15 AM
JUNIOR JUNIOR
MEMBER
7 POSTS
Thank you.
Mar 15, 2019 at 6:47 AM
ASEMASTER6371
CERTIFIED EXPERT
52,796 POSTS
You are welcome.
Always glad to help.
Roy
Mar 15, 2019 at 6:48 AM
JUNIOR JUNIOR
MEMBER
7 POSTS
Hi Roy. I am changing tail light pigtails on 2002 Bravada but pigtail colors don't match colors on truck. Could you please send me a color code diagram? Thank you
Apr 19, 2019 at 3:45 AM
ASEMASTER6371
CERTIFIED EXPERT
52,796 POSTS
Okay, I attached a diagram for you for the back up lights a while back. It shows a light blue wire for the back up lights.