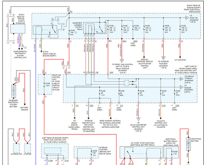
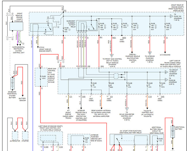
Is there any info on the rear/cargo fuse panel that explains the wiring for the P1-P6 connectors, pinout, and wire size? I need to know where a broken wire goes - only info is color, size and I know it's from P6. But I also need to trace other wires from connector P5, P4 and so on.
As well, need to wiring diagram for Adblue fill level sensor to test whether the sensor is actually the problem or if there is a wiring issue that I can trace back to the fuse panel that went swimming.
As well, need to wiring diagram for Adblue fill level sensor to test whether the sensor is actually the problem or if there is a wiring issue that I can trace back to the fuse panel that went swimming.
Aug 7, 2025 at 12:10 PM



