Code p0335 CKP "A" circuit performance, need wiring diagrams?

2009 TOYOTA CAMRY
130,450 MILES • 4 CYL • AUTOMATIC
Avatar
DAVYTRAIN
  • MEMBER
  • 3 POSTS
The previous owner changed the serpentine belt and somehow got the CKP wire harness under it and ripped it out. The engine is hard starting, and the only engine code is p0335 CKP "A" circuit performance. After a minute or so the engine shuts off and we can hear the fuel injectors clicking even after the key is shut off.
Aug 16, 2024 at 1:15 PM
Advertisement
Avatar
AL514
  • CERTIFIED EXPERT
  • 5,464 POSTS
Hello, the crankshaft position sensor wire colors are green and red (2 wire) there is also a Black wire that is a shield around those 2 wires that does not hook to the crank sensor it just goes to ground to help shield any interference to the crank sensor, you will see it on the diagrams, I can see where the harness for the sensor looks to run near the water pump pulley to about the 2 o'clock position on the crankshaft balancer. I'll post both the OEM and aftermarket diagrams here in a minute for you, they're both the same wire colors, and the connector for the crank sensor so you know which wire is pin 1 and pin 2.
I'm surprised the engine even starts, but just know that the black wire is not actually part of the sensor circuit, one of the two wires might be shorted to it somewhere causing this stall out, so you could check both of the crank pos wires for any shorts to ground, there shouldn't be any, it would be good to unplug the ECM when checking those two wires for any shorts to ground so the ECM is out of the equation.
Are there any other sections of wiring that are damaged? Is it possible to take a picture?
Aug 16, 2024 at 3:49 PM
Avatar
DAVYTRAIN
  • MEMBER
  • 3 POSTS
I'll send a Pic when I get back up there, Iowa City. I'm by Mt. Pleasant, IA and IC is about 55 miles north. The ECM might be damaged because of the spasms it goes through when the engine shuts off and after the keys are turned off. The only way we could get it to stop was to unhook the battery. Thanks for your help.
Aug 16, 2024 at 4:06 PM
Advertisement
Avatar
AL514
  • CERTIFIED EXPERT
  • 5,464 POSTS
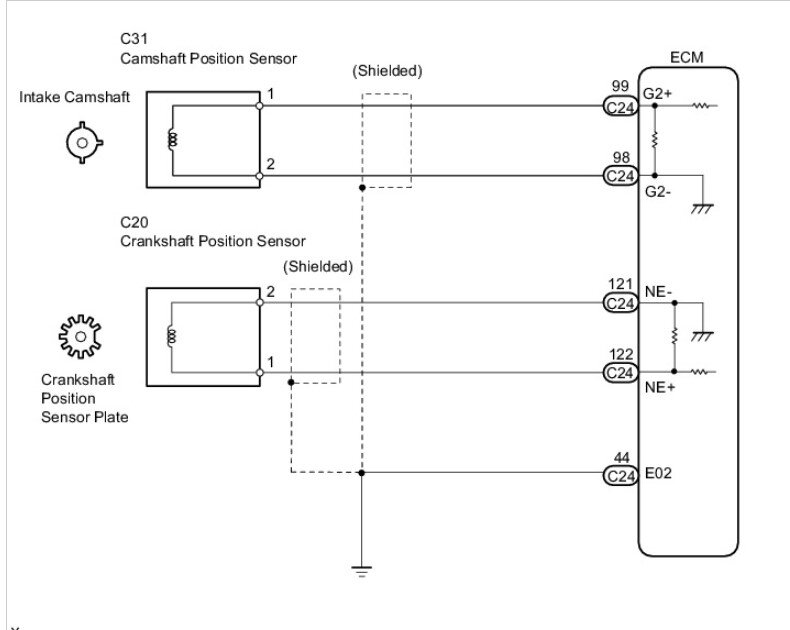
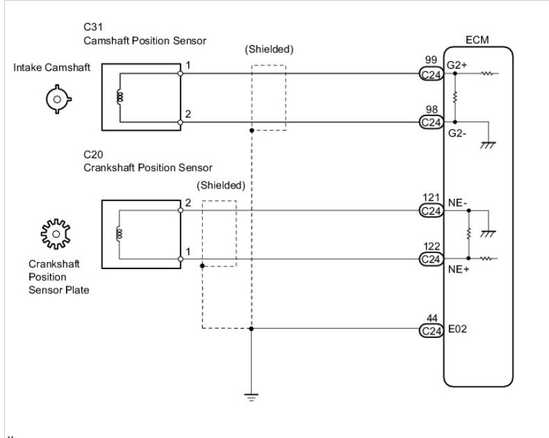
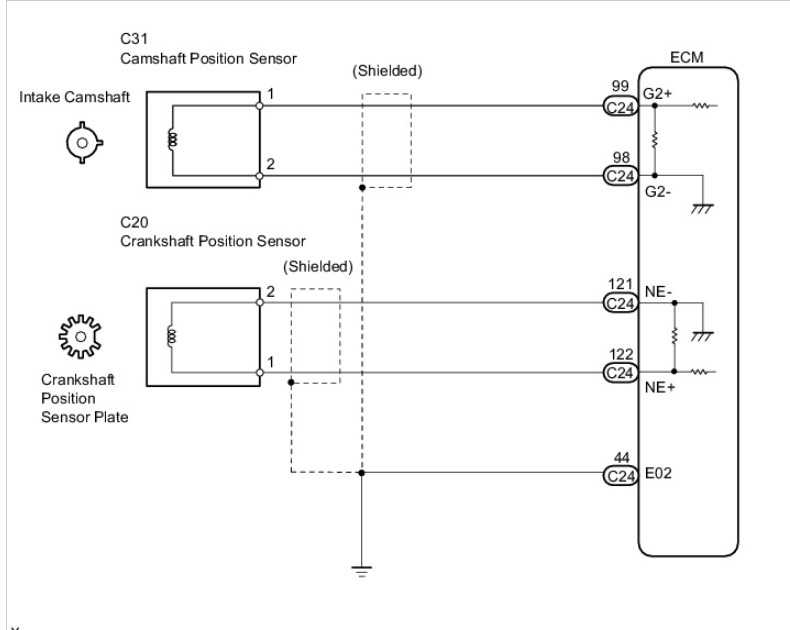
Here's both the OEM Toyota wiring and the aftermarket diagrams, the connector view in diagram 4 should be looking at the connector pins, and the harness routing in diagrams 5 and 6, 6 shows a clamp down location for the harness near the water pump. And diagram 7 is the code setting criteria for a P0335. This is a variable reluctance sensor, that's why there are only 2 wires, I would check each one for continuity to Ground with the sensor unplugged and key Off.
With the key on, not cranking, there might also be a bias voltage on either wire, sometimes it's there for the ECM to detect if there is a short to ground on either wire, it might only be a few volts, but there definitely shouldn't be any reading to ground, without unplugging the ECM you might read some resistance to ground through the ECM itself as you can see in diagram 3. Just don't unplug the ECM with the Key on. But most likely the shield wire might be shorted to either on the sensors wires since there was damage to the harness.
This type of sensor produces its own voltage that will increase in frequency when the engine rpm increases.
Aug 16, 2024 at 4:11 PM
Avatar
AL514
  • CERTIFIED EXPERT
  • 5,464 POSTS
Yeah, you shouldn't hear any injectors or relays clicking on and off.
Aug 16, 2024 at 4:12 PM
Avatar
DAVYTRAIN
  • MEMBER
  • 3 POSTS
I don't know if we could interrupt one or more of the power inputs to the ECM with a relay if the spasms continue?? But guess worry about that later after the engine quits shutting off.
Aug 16, 2024 at 4:20 PM
Avatar
AL514
  • CERTIFIED EXPERT
  • 5,464 POSTS
Well, no there isn't any way to interrupt the ECM's power feeds, because of its memory it stores for emissions related components, but most control modules are pretty robust and have circuit protection built into them in case something shorts out. And power feeds are protected by fuses, but in a situation like this where we don't know if more of the harness was damaged, you may be hearing a relay clicking on a off if a power wire is somehow back feeding into another damaged wire.
Does the clicking happen if you just turn the key on without attempting to start it or after the battery is hooked back up?

As for the crank sensor code, it really depends on what wires you find or found to be damaged, according to the code criteria for P0335 the ECM is detecting either No crankshaft position signal while cranking, or No crankshaft position signal at 600rpm or more.
Which is why I am surprised the engine starts at all like it does, this code will set 10 seconds after the ECM not seeing the crank pos signal, that's most likely why you're getting the stall out like you are currently.
I can imagine the damage this would cause,

With the key off when you're hearing all this clicking, just try touching the fuel injector plugs and the relays in the engine compartment fuse panel to see exactly what is making the noise, if it's that active and you have time to check since it requires a battery disconnect to stop it, you'll be able to definitely feel the component, just have the fuse panel's cover off already, once we know what it is, we can track down its circuit to see where it originates.
Have you already attempted a repair on the crank sensor circuit I assume?

These are the fuses and relays located in the engine compartment, they have the relays mismanaged a bit for some reason, but the 6th diagram should be correct if you feel one of them clicking away with the battery hooked up,
Relays can act like that if they have low voltage to them, or high resistance in the circuit somewhere limiting current flow to them, they can click on and off real fast, but see what you come up with,
It's a strange case study anyway, obviously something is not powering down for whatever reason. Hopefully the ECM is not damaged, but hard to say at this point.
Aug 17, 2024 at 11:24 AM