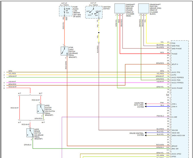
There's two versions; one for vehicles sold in California and one for everywhere else. I posted the one for everywhere else, but the differences are not likely to involve the crankshaft position sensor. Ken found the same diagram. What I posted was a cropped and expanded version for just the two sensors so it's easier to read. As I mentioned, I was surprised and disappointed to find no manufacturer diagrams on the service manual site we use. Their aftermarket version is all they have for your model.
The way to pursue this is to look at the three wires for the crank sensor. They show them as yellow, black / pink, and green / red. That means black with a pink "tracer" or stripe, and a green wire with a red stripe. Next, it shows they go into terminal locations 3, 2, and 1 in the connector. I found the second drawing in the testing section that shows the orientation of those terminal numbers. Nissan uses a lot of non-standard terminology, but if I'm reading this the same as from other manufacturers, that connector is viewed as from the terminals toward you, (the wires away from you), and the locking tab is on top, then the numbering is as shown, 3, 2, 1, from left to right.
The wire in your new connector in cavity number three gets spliced to the vehicle's yellow wire. The wire in cavity number 2, (in the middle), is spliced to the vehicle's black / pink wire. The last wire in the new plug, cavity number one, goes to the vehicle's green / red wire.
There's no need to know the function of each wire or the sensor supply voltage. That's a good thing because even with over 40 years experience with electrical repairs, the terminology used here doesn't make sense. Supply voltages used to power sensors can be 12.0 volts, 10.0 volts, or 8.0 volts, but by far the most common is 5.0 volts. At first I thought that power source was the yellow wire as it's listed as "pos" which I would take for "positive". The problem is if you follow the green / red wire down to the computer, it's listed as "AVCC-pos". Don't know what that stands for. Same with the black / pink wire. It's listed as "gnd-pos". Is that a ground wire or a feed wire? Or, . . . do they mean it switches between those two states?
The next problem requires an understanding of what to expect for voltages you're trying to measure. On the diagrams for most car brands and models, you will not find a sensor ground wire actually going to ground. Rather, they go to ground through the computer. That way the computer can monitor that circuit. If you try to measure the voltage on that wire, it's common to find 0.2 volts. That little "voltage drop" is the result of current flowing through the monitoring circuitry inside the computer. That circuit is also commonly used for multiple sensors, so that 0.2 volts can appear there even when the sensor you're working on is unplugged. Things get more complicated when just one wire is broken or pulled out of a connector and the rest are still plugged in. That's when you need experts like us to help sort through the voltages and clues.
There are at least three or four different types of sensor circuits, and we often don't know which design is used, but we can make some generalizations. When a crankshaft position sensor has three wires, one is the power supply, one is ground, and the signal wire sends out a voltage that switches from 0.0 to 5.0 volts. If you were to graph that on an oscilloscope, the actual voltages might be 0.4 volts and 4.2 volts, for example. The point is we call it "low" or "high". The exact voltages aren't important. The computer is designed to look for the exact time it switches to "high" or when it switches to "low".
Where the confusion comes in is what you will see on that wire when the connector is unplugged from the sensor. Logic dictates you will have 0.0 volts because whatever comes out of the sensor can't get to that wire. In some cases you'd be right. Where the clinker comes in is very often, that signal wire is tied to a "pull-up" resistor inside the computer, and that is connected to the internal 5.0-volt power supply. That resistor is so high in value that it has no effect on the circuit, . . . until the wire is broken or disconnected, then it puts a constant 5.0 volts on that signal wire to force a defect to be detected. That is a 5.0 volt reading you might get that looks like it's the power supply for that sensor, but it's actually the signal wire.
Similarly, the circuit can be designed with a "pull-down" resistor. That puts 0.0 volts on the signal wire when it's unplugged, making it incorrectly look like a ground wire.
What this boils down to is you're likely to find two wires have 5.0 volts, or two wires read close to 0.0 volts. You have to go by the vehicle's wire colors, and the locations in the new connector.
Here's another diagram that shows this circuit.
Jan 5, 2025 at 8:14 PM