Need wiring colored diagram to factory amplifier?

2011 KIA SOUL
140,000 MILES • 1.6L • 4 CYL • 2WD • AUTOMATIC
Avatar
JSOKOL84
  • MEMBER
  • 5 POSTS
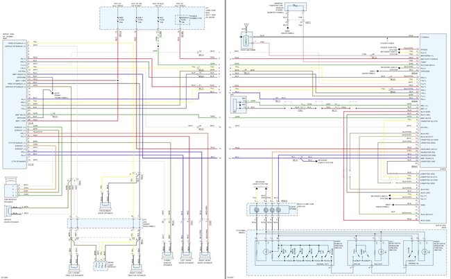
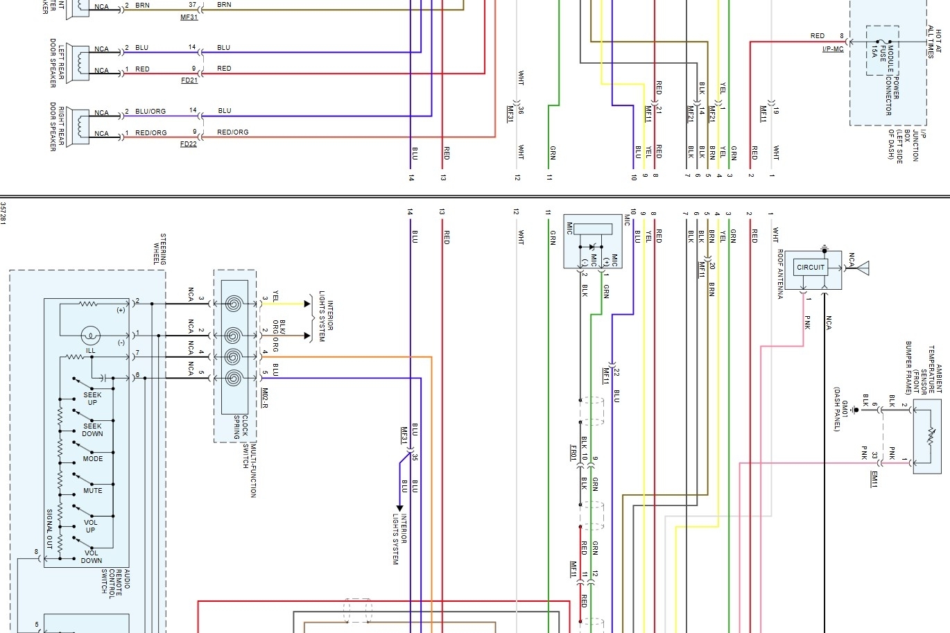
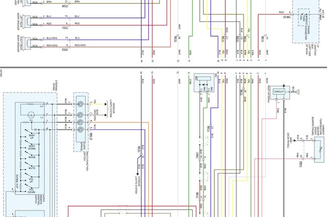
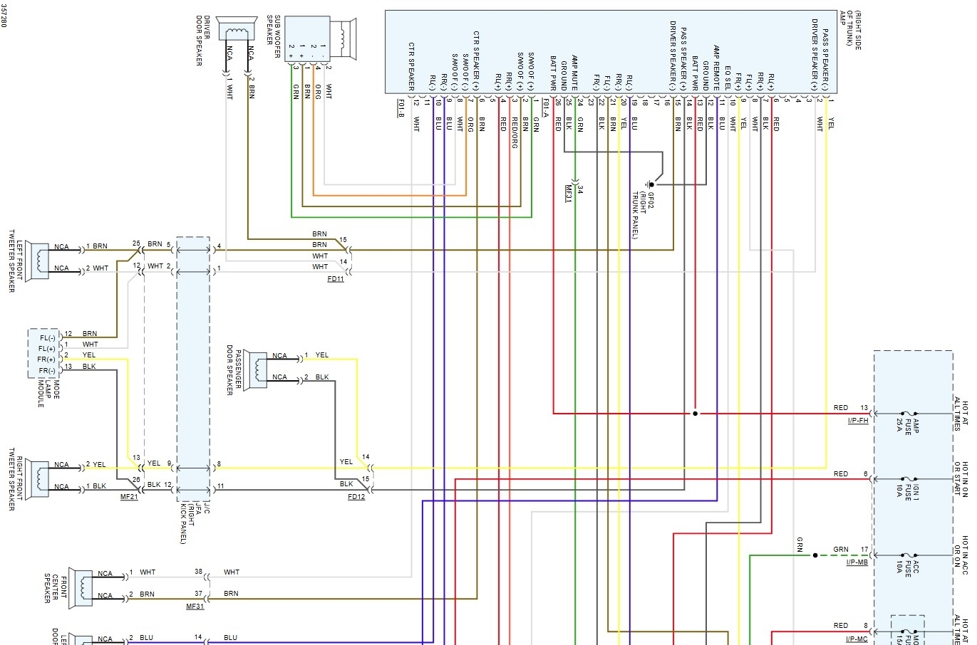
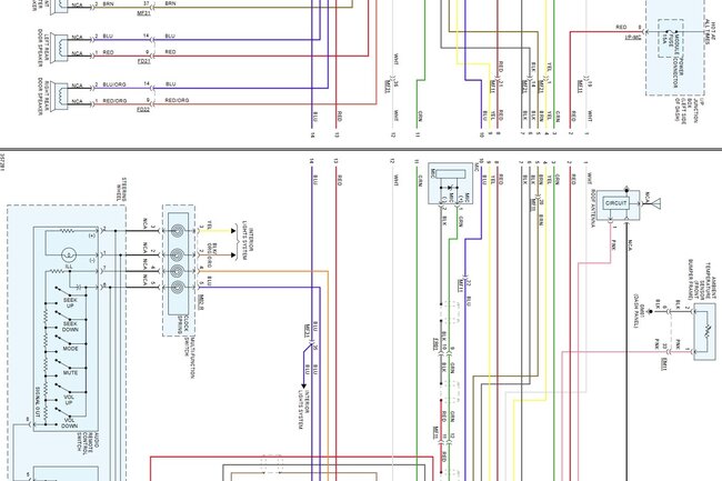
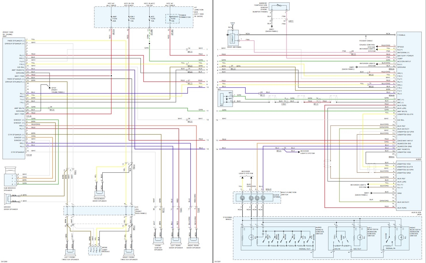
I need to know the correct order for the wires to connect them back to the pin to connect back to the 8-channel amplifier. Connector B.
Mar 13, 2025 at 10:59 PM
Advertisement
Avatar
STEVE W.
  • CERTIFIED EXPERT
  • 15,113 POSTS
This is the full wiring for the audio system with amp. Should cover the wiring you need.
Mar 14, 2025 at 3:24 AM
Avatar
JSOKOL84
  • MEMBER
  • 5 POSTS
Got a new head unit, and I messed up and pulled some wires out of the 26 pin connector harness and I didn’t made a record of what when where. Now my speakers are not functioning due to the fact that some wires are in incorrect positions I have like 3 wires I don’t know where they go and can NOT find anything online of a picture with COLORED connections for my specific make and model vehicle.
Mar 14, 2025 at 6:16 PM (Merged)
Advertisement
Avatar
JSOKOL84
  • MEMBER
  • 5 POSTS
Sorry for. Second same question was confused with the emails unaware it was answered already thank you
Mar 14, 2025 at 6:16 PM (Merged)
Avatar
STEVE W.
  • CERTIFIED EXPERT
  • 15,113 POSTS
No problem. Did you get it figured out?
Mar 14, 2025 at 6:31 PM
Avatar
JSOKOL84
  • MEMBER
  • 5 POSTS
Yes! Sorry it took so long to respond! Issues with login. But it took me a matter of minutes to get everything back to where it was supposed to be. Spend hours scouring the internet trying to find the right one. You’re a life saver.
Mar 19, 2025 at 5:57 PM
Avatar
STEVE W.
  • CERTIFIED EXPERT
  • 15,113 POSTS
You are welcome. Thanks for the follow up.
Mar 19, 2025 at 8:10 PM