Need to replace my starter

2007 CADILLAC SRX
160,000 MILES • 3.6L • V6 • 2WD • AUTOMATIC
Avatar
JAMES YEOMANS
  • MEMBER
  • 4 POSTS
I don't know where it's located or best way to get to it. Everyone is saying it's under the intake manifold. Can someone help me?
Mar 18, 2020 at 4:36 AM
Advertisement
Avatar
ASEMASTER6371
  • CERTIFIED EXPERT
  • 52,796 POSTS
Good morning,

No, it is under the car. I attached pictures and the procedure for you to view for the replacement.

It is very tight where it is located. You will need small hands for this procedure. I have done many of these and it is tight to access.

Roy

Starter Motor Replacement (LY7)

Removal Procedure

1. Turn the ignition OFF.
2. Disconnect the battery negative cable.


imageOpen In New TabZoom/Print

3. Remove the starter solenoid electrical connector from the starter.


imageOpen In New TabZoom/Print

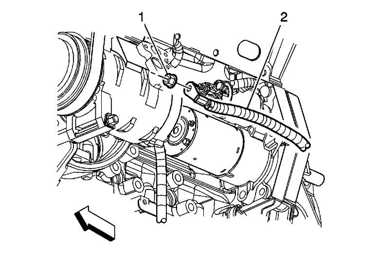
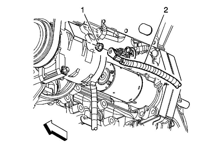
4. Remove the starter terminal nut (1) and the battery positive cable (2) from the starter.


imageOpen In New TabZoom/Print

5. Remove the starter motor bolts.
6. Remove the starter motor.
Mar 18, 2020 at 4:58 AM
Avatar
JAMES YEOMANS
  • MEMBER
  • 4 POSTS
I have another question for you. First I want to say thank you so much I got my car running and what you said was right. I'm having a issue though every time I put gas in my vehicle it don't want to start. It just continues to turn over. Looking it up it says the purge valve but I don't know and I don't know where that is either. Any ideas and can you help me out?
Mar 23, 2020 at 11:09 AM
Advertisement
Avatar
STRAILER
  • CERTIFIED EXPERT
  • 53,854 POSTS
We are glad we got the starter part fixed for you. Please post your new question here, you must be logged in.

https://www.2carpros.com/questions/new

Cheers, Ken
Mar 23, 2020 at 11:10 AM