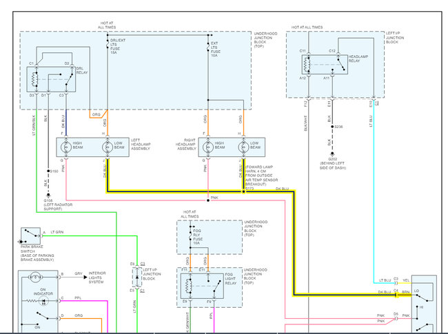
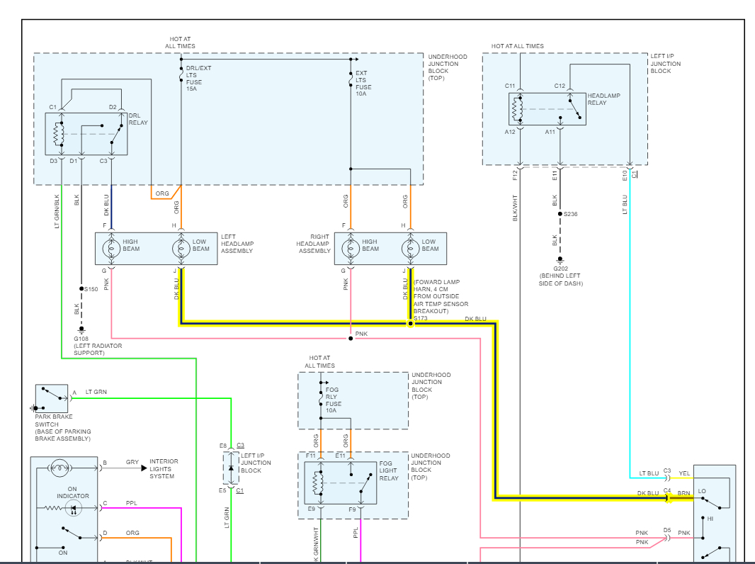
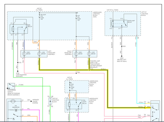
Installing aftermarket headlights and I need to know which wire is for the low beams?

2000 CHEVROLET IMPALA
200,000 MILES • 3.8L • V6 • 2WD • AUTOMATIC
Avatar
GUTIERREZ JOSHUA
  • MEMBER
  • 1 POST
I’m Just trying to put on some aftermarket headlights, and I need to know what are the low beams? There are two dark blue wires connected, so I’m at a lost to know which is which. I saw on another post where they said dark blue was the low beams and the post was for a 2004 Impala.
Jun 23, 2022 at 2:22 PM
Advertisement
Avatar
SQM
  • CERTIFIED EXPERT
  • 6,383 POSTS
Hello,

Yes, the dark blue one is for the low beam headlight.

I have attached the wiring schematics below for your reference.

Let me know of any questions.
Thank you.
Jun 23, 2022 at 3:04 PM