Cruise Control Fuse ?

2003 LINCOLN AVIATOR
191,780 MILES • 4.6L • V6 • AUTOMATIC
Avatar
RASTA RASTA MAINE
  • MEMBER
  • 1 POST
I need to know location of cruise control switch fuse?
Jan 3, 2020 at 8:34 AM
Advertisement
Avatar
SCGRANTURISMO
  • CERTIFIED EXPERT
  • 4,897 POSTS
Hello,

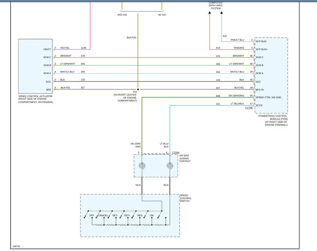
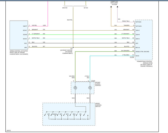
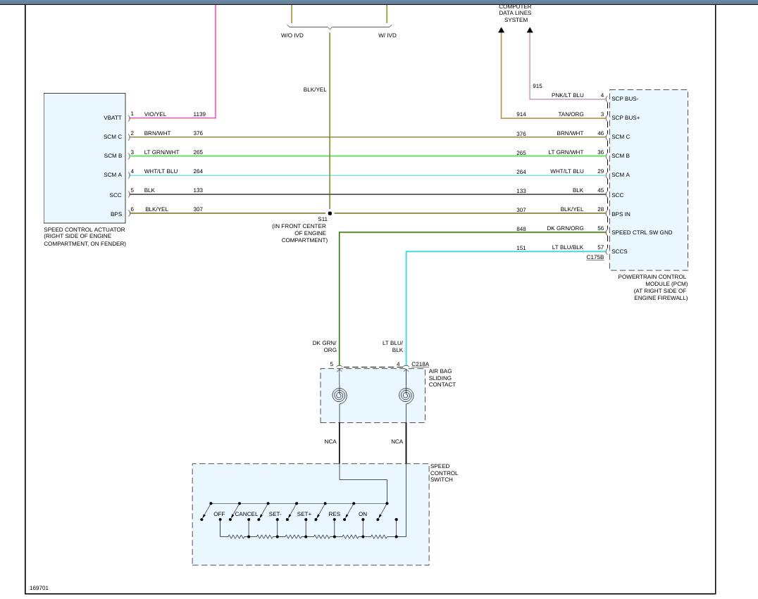
The Cruise Control Fuse is fuse 37 of the battery junction box in the engine compartment, In the diagrams down below I have included the diagrams with call out for the battery junction box, the cooling system locations, and the locations of the transmission components for your vehicle as well. Please go through these guides and get back to us with what you find out. I hope that this helps.

Thanks,
Alex
2CarPros
Jan 3, 2020 at 12:00 PM