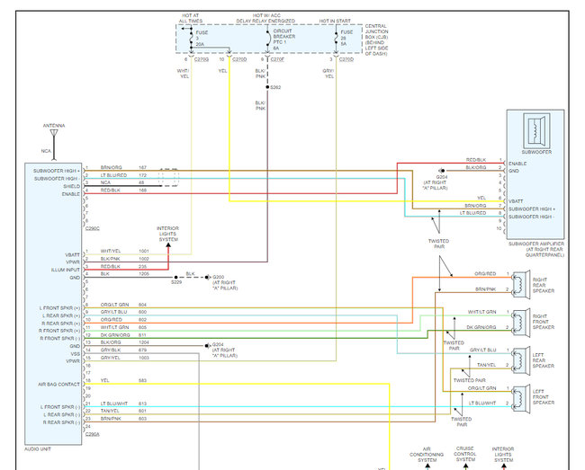
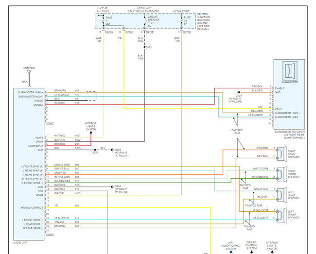
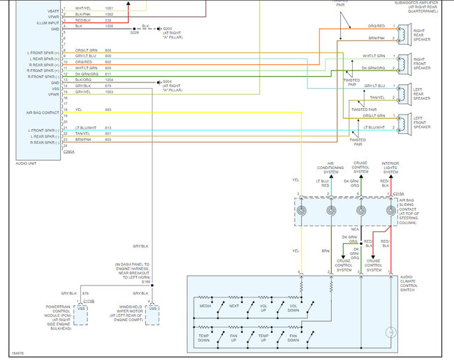
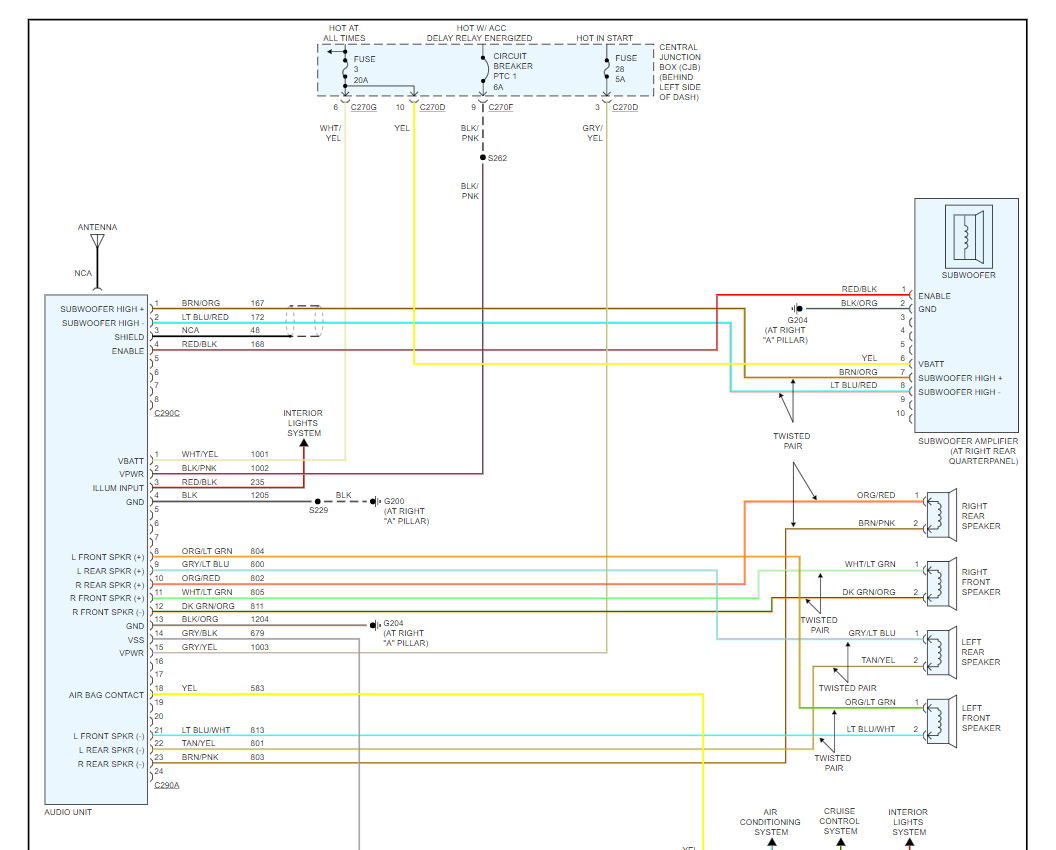
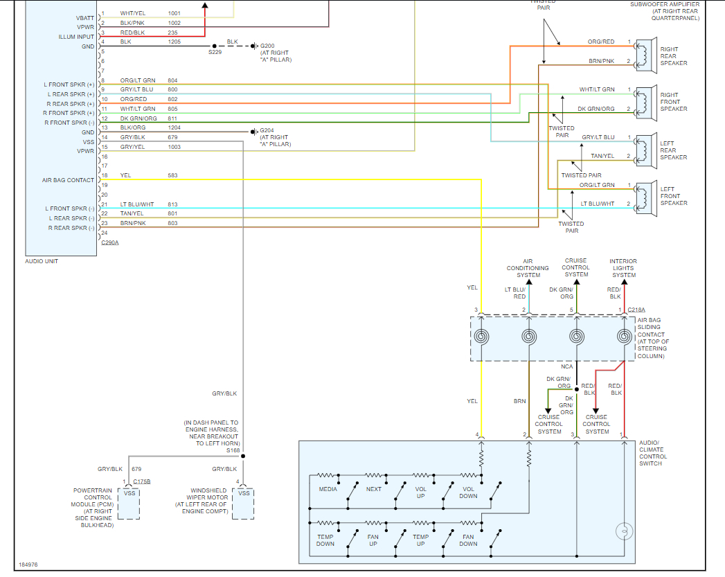
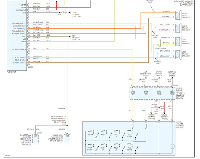
yes i tried to print wiring diagram but can't read it was wondering if you could send me a better picture.i have the 2004 ford sport trac with the pioneer stereo and subwoofer. thank you
Jul 15, 2014 at 3:02 PM



