☰
Login
Join
×
Home
Answered Questions
Repair Topics
Repair & Service Guides
Popular Questions
Warning Lights
Trouble Codes
How It Works
Testing / Diagnostics
Symptoms
Videos
Login
Become a Member
Home
Toyota
Supra
Engine
Computer
Need the ecu pinout diagram.
2005 TOYOTA SUPRA
100,000 MILES • 2.5L • 6 CYL • RWD • AUTOMATIC
1JZFSE5AT
MEMBER
2 POSTS
FOLLOW
Need the ecu pinout diagram for the Toyota 1JZ-FSE-5AT engine. I just bought this engine and do not know the ECU pinout. upgrade the old engine.
Image (Click to enlarge)
Apr 10, 2017 at 4:14 AM
Advertisement
STRAILER
CERTIFIED EXPERT
53,854 POSTS
What year make model did the new engine come from? Then I can get you the info needed.
Best, Ken
Apr 12, 2017 at 6:44 PM
IMRAN MD SARIP
MEMBER
1 POST
actually i don't know this engine comes from what model..but the year are in 1998
Jun 29, 2017 at 9:50 PM
Advertisement
STRAILER
CERTIFIED EXPERT
53,854 POSTS
Hello,
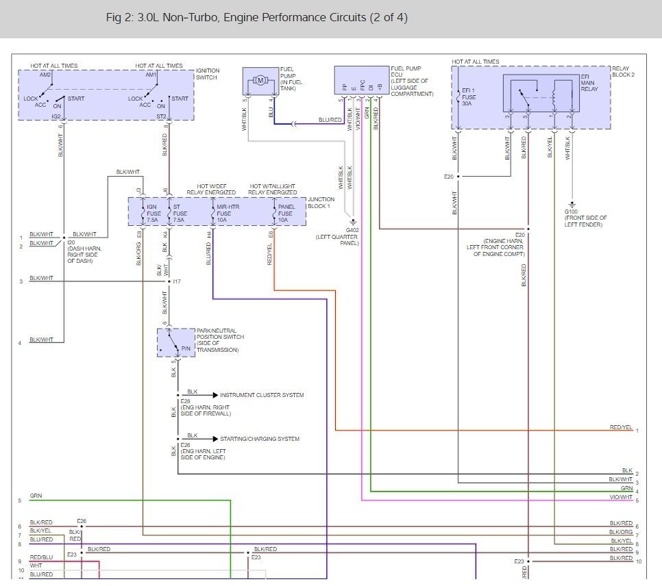
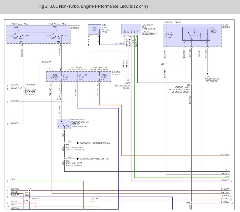
Here are the turbo and non turbo wiring diagrams (below)
Please let us know if you need anything else to get the problem fixed.
Cheers, Ken
Images (Click to enlarge)
Jun 30, 2017 at 10:48 AM
1JZFSE5AT
MEMBER
2 POSTS
Hi, i need a diagram of 1jzfse5at 2.5L non turbo engine not 2jzfse..pls help..tqvm
Aug 3, 2017 at 3:48 PM