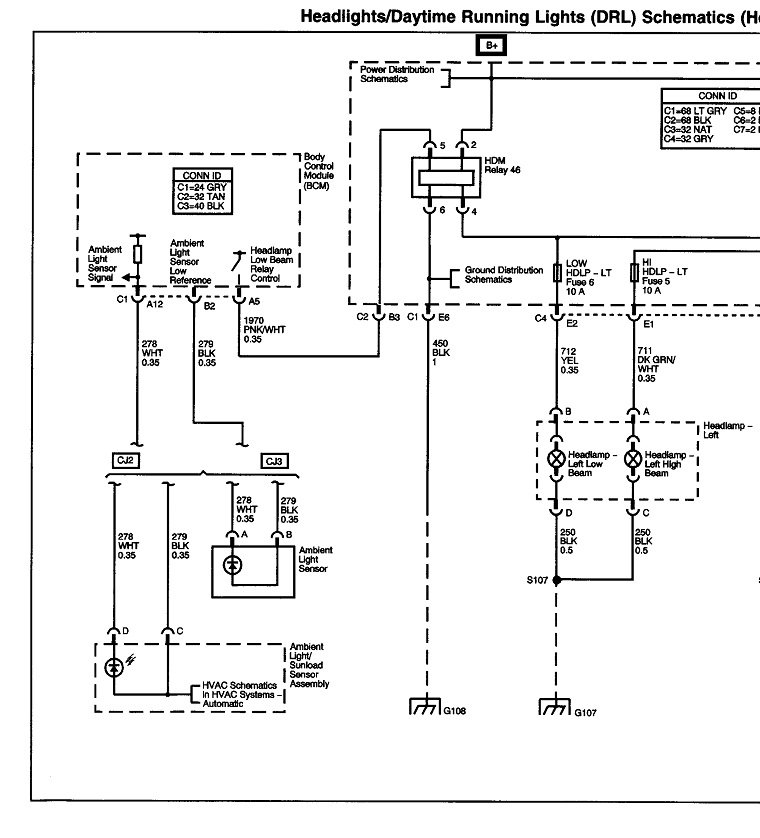
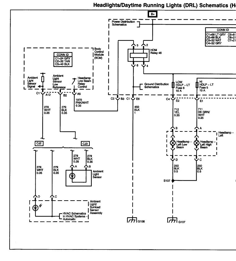
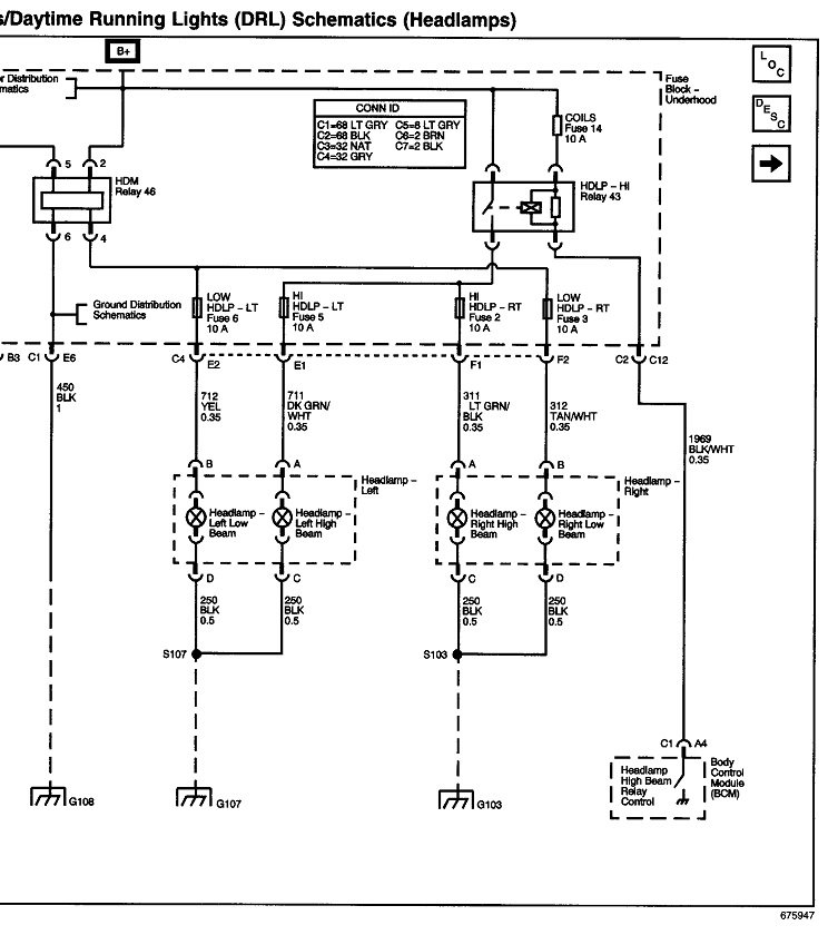
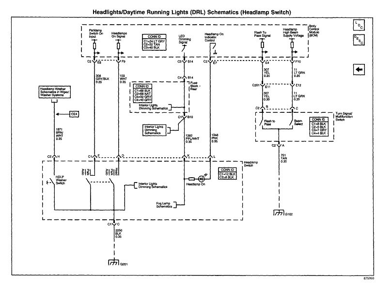
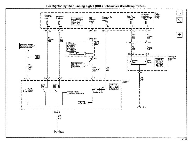
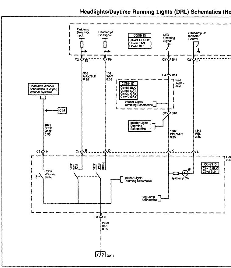
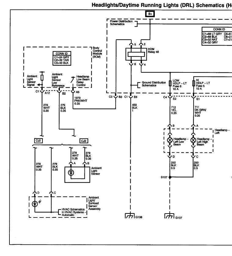
I have a high beam malfunction, and I have found a broken wire on the BCM harness. I need the BCM pinout and connector description/color reference to trace it down.
Jan 7, 2020 at 12:03 PM









