Need stereo wire diagram for an aftermarket stereo

2013 DODGE RAM
105 MILES • V10 • TURBO • 4WD • AUTOMATIC
Avatar
BEN ENGELHART
  • MEMBER
  • 1 POST
Aftermarket for the truck listed above 3500.
Jun 18, 2022 at 12:58 AM
Advertisement
Avatar
KASEKENNY
  • CERTIFIED EXPERT
  • 18,907 POSTS
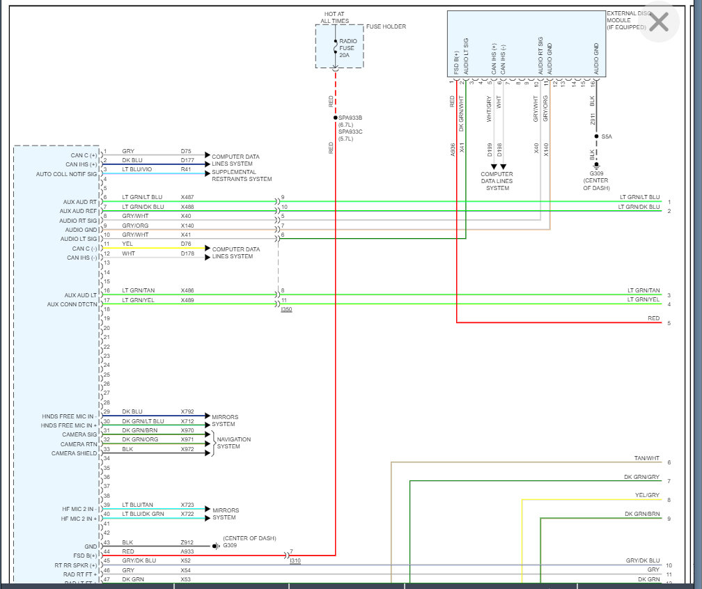
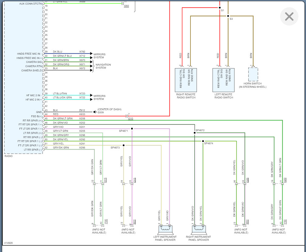
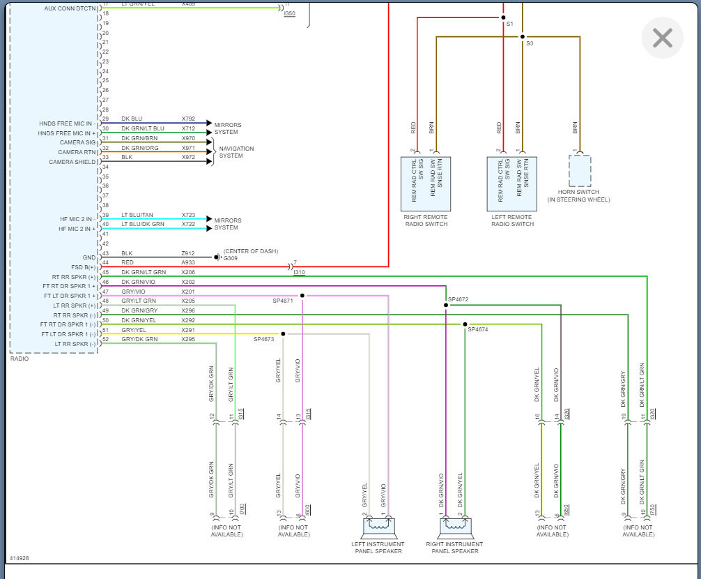
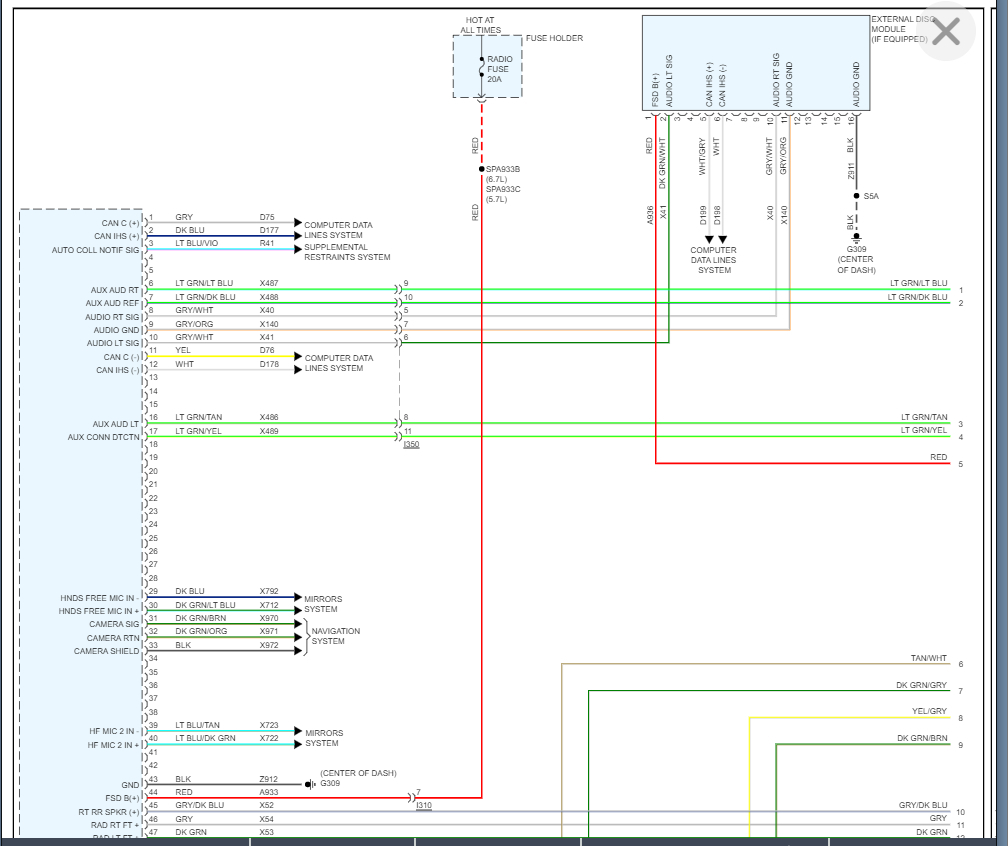
I assume you are trying to install an aftermarket radio and you need the OEM radio wiring diagram?

If that is the case, then I will attach it below.

The first two screen shots will be of the base radio system and the remaining are of the higher line.

Please run through these and let us know if you need more info.

Thanks
Jun 18, 2022 at 2:36 PM