but all it does when I turn over is nothing

2008 DODGE NEON
175,000 MILES • 2.0L • 4 CYL • 2WD • AUTOMATIC
Avatar
LEWISYEAGER512
  • MEMBER
  • 3 POSTS
I have power to engine but all it does when I turn over is nothing. I put new battery in it and new belts. It was running at beginning of the year but then parked and it has been so sitting. trying to fix this car.
Oct 20, 2019 at 11:39 PM
Advertisement
Avatar
KASEKENNY
  • CERTIFIED EXPERT
  • 18,907 POSTS
Hi,

We need to check voltage at the starter when cranking. Not only do you need voltage but you need sufficient voltage. When you say nothing happens, does that mean it just doesn't turn over or the lights don't come on in the dash or anything? If no lights or anything then we could have an ignition switch issue. This sounds like the starter is having problems or the battery needs to be load tested these guides can help us fix it.

https://www.2carpros.com/articles/starter-not-working-repair

and

https://www.2carpros.com/articles/car-battery-load-test

Please run down these guides and report back. Maybe sending a video of what it does when trying to start it will get us on the same page. Thanks
Oct 22, 2019 at 3:48 PM
Avatar
STRAILER
  • CERTIFIED EXPERT
  • 53,854 POSTS
Hello,

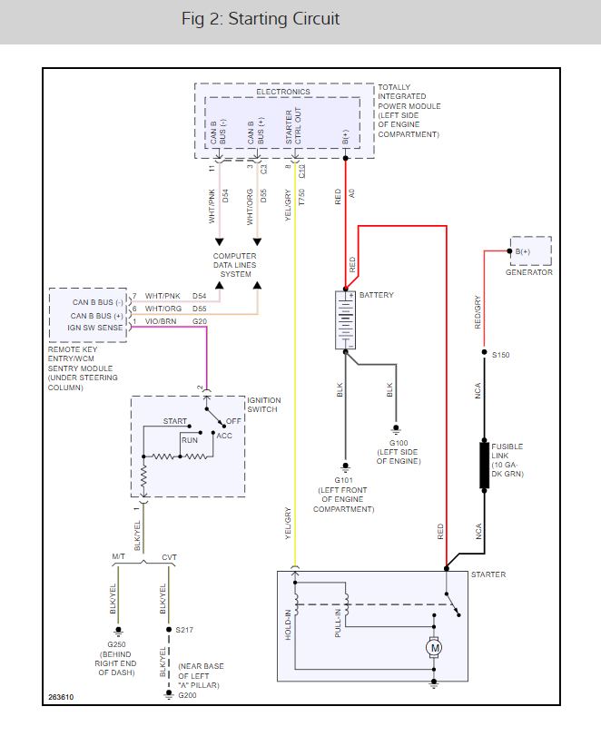
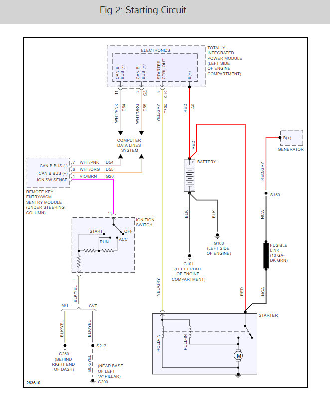
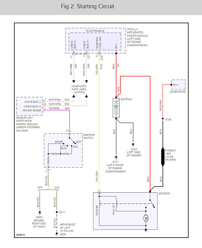
It sounds like the starter motor has gone out. To be sure here is a guide to help you test the system and fix the problem. I have also included the starter wiring diagrams so you can see how the system works.

https://www.2carpros.com/articles/starter-not-working-repair

Check out the diagrams (below). Please let us know what you find. We are interested to see what it is.
Oct 22, 2019 at 3:59 PM
Advertisement
Avatar
LEWISYEAGER512
  • MEMBER
  • 3 POSTS
Kasekenny yes, the car powers on all accessories turn on, lights turn, on blinkers work, fuel pump kicks on. but, when I turn the car fully over there's nothing not even a click and all the power stays on.
Oct 26, 2019 at 2:45 AM
Avatar
STRAILER
  • CERTIFIED EXPERT
  • 53,854 POSTS
Is the security light flashing? Can you please shoot a quick video with your phone so we can see what's going on? that would be great. You can upload it here with your response. Do you get power to the trigger side of the starter please check out the guide above.
Oct 26, 2019 at 12:20 PM
Avatar
LEWISYEAGER512
  • MEMBER
  • 3 POSTS
Thanks y'all. it was a 7.5 fuse under dash had a wire going to my ignition.
Oct 26, 2019 at 9:54 PM
Avatar
KASEKENNY
  • CERTIFIED EXPERT
  • 18,907 POSTS
Sounds great. Thanks for the update. I am sure that information will help others that visit the site. Thanks again.
Oct 27, 2019 at 5:39 PM