passenger rear window regulator diagram

2003 AUDI A4
170,000 MILES • 4 CYL • AUTOMATIC
Avatar
JOHNRC72
  • MEMBER
  • 2 POSTS
Can someone please provide me with a passenger rear window regulator wiring diagram for the car listed above?

Thanks,
Noob
Sep 8, 2017 at 3:30 PM
Advertisement
Avatar
STRAILER
  • CERTIFIED EXPERT
  • 53,854 POSTS
Yes, I have found a guide and will give you an idea on what you are in for when doing the job and a diagram (below) that shows what it will be like on your car.

https://www.2carpros.com/articles/how-to-check-and-replace-a-electric-power-window-motor

Please let us know if you need anything else to get the problem fixed.

Cheers, Ken
Sep 9, 2017 at 5:30 PM
Avatar
JOHNRC72
  • MEMBER
  • 2 POSTS
Thanks Ken, but I really only need the wiring diagram showing each wire color and purpose. I have a cut harness.
Sep 9, 2017 at 6:00 PM
Advertisement
Avatar
STRAILER
  • CERTIFIED EXPERT
  • 53,854 POSTS
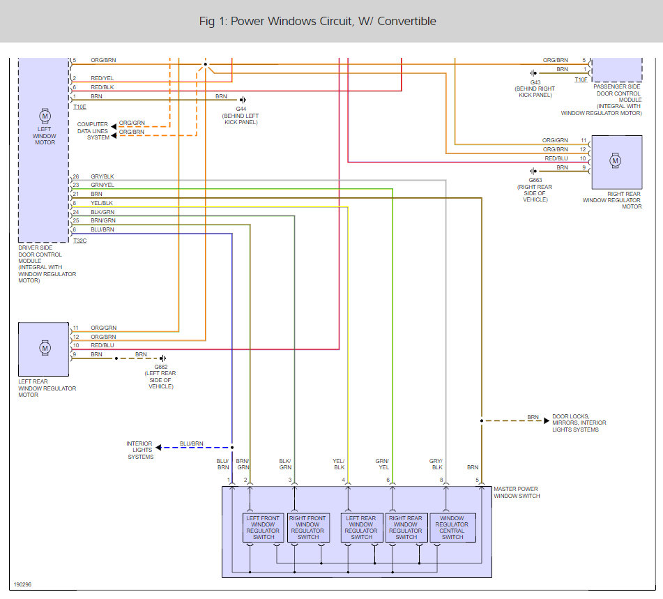
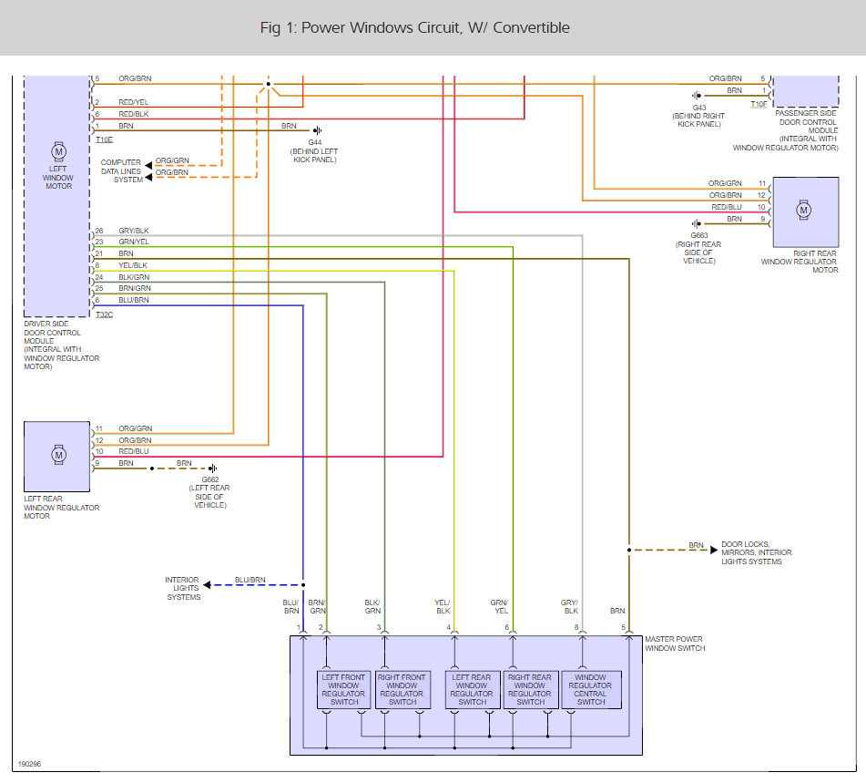
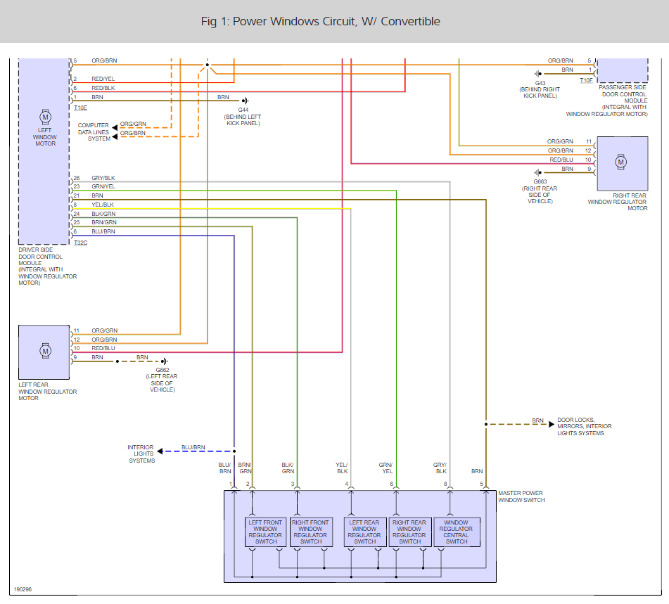
Yep got you covered, here are the window wiring diagrams you asked for. (below)

Please let us know if you need anything else to get the problem fixed.

Cheers, Ken
Sep 11, 2017 at 9:07 AM