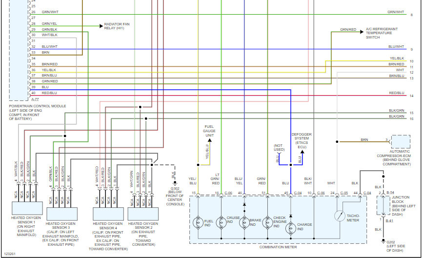
Four wires found broken in small harness on back passenger side of engine compartment.
This orange wire with green stripe is in a group of three other wires (see photo) the orange wire has 12 volts. I can’t seem to find where it connects to.
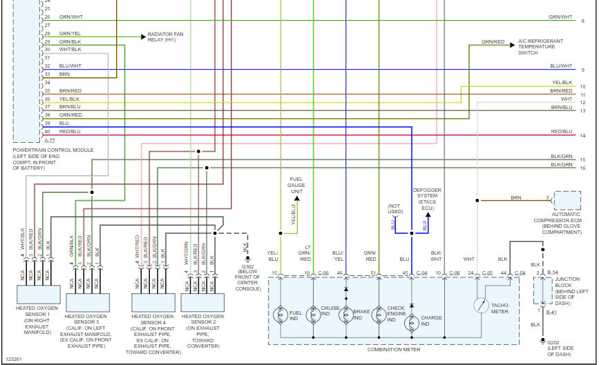
This orange wire with green stripe is in a group of three other wires (see photo) the orange wire has 12 volts. I can’t seem to find where it connects to.
Apr 17, 2019 at 12:53 PM


















