Need Fuel Cables Diagrams

2003 MITSUBISHI ECLIPSE
160,000 MILES • 3.0L • 6 CYL • 2WD • MANUAL
Avatar
LEO03
  • MEMBER
  • 3 POSTS
I'm having a random misfire and I have the code for a bad fuel temperature sensor but it was replaced. I just need to check the terminals of those cables which I know it starts on the fuel pump but I don't know where it goes after that specially on the front. Can someone please send me pictures of the Diagrams for those cables and if known where those cables are in the front? Thank you.
Jul 23, 2021 at 9:20 AM
Advertisement
Avatar
JACOBANDNICKOLAS
  • CERTIFIED EXPERT
  • 110,175 POSTS
Hi,

The fuel temperature sensor is integral to the fuel pump. The pump is located in the fuel tank.

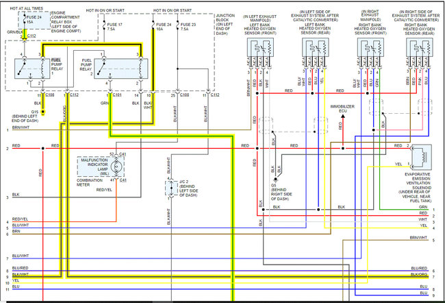
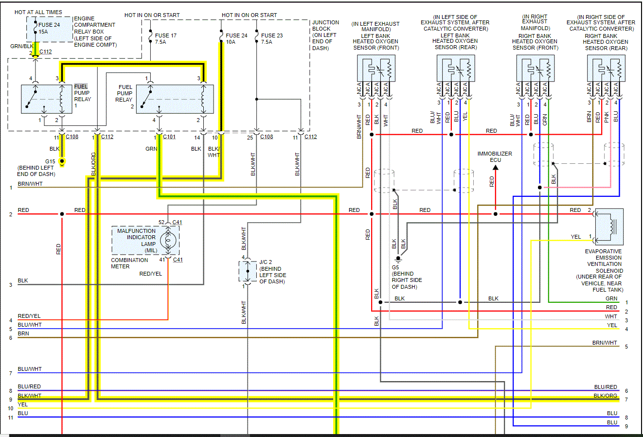
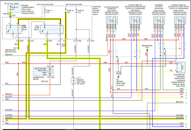
I attached the entire wiring schematic for the powertrain management system below. I highlighted the fuel pump wiring as well as the fuel tank pressure sensor.

Here is a link you may find helpful when testing wiring:

https://www.2carpros.com/articles/how-to-check-wiring

As far as the sensor is concerned, there are specific diagnostic trouble codes related to different sensor related issues. If you haven't, I recommend having the computer scanned to see if there are stored codes. Here is a quick video showing how it's done:

https://youtu.be/YV3TRZwer8k

I realize most people don't own a scan tool. However, most parts stores will do it free of charge.

Let me know if this helps or if you have other questions.

Take care,

Joe

See pics below / Note: Pics have been cut in half to make them readable. I did overlap them so you can follow from one to the next.
Jul 23, 2021 at 9:43 PM
Avatar
LEO03
  • MEMBER
  • 3 POSTS
Thank you so much.
Jul 24, 2021 at 12:45 AM
Advertisement
Avatar
JACOBANDNICKOLAS
  • CERTIFIED EXPERT
  • 110,175 POSTS
You are very welcome. I hope it helps. Let me know if you have other questions.

Also, feel free to come back anytime in the future.

Take care,

Joe
Jul 24, 2021 at 6:32 PM