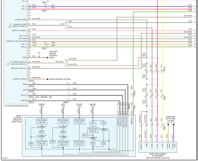
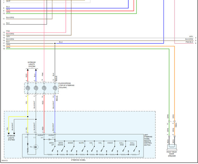
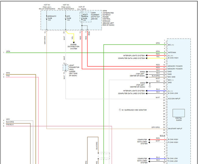
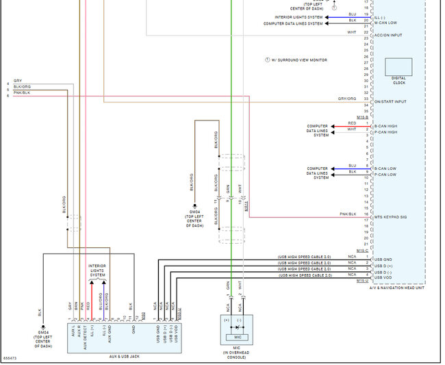
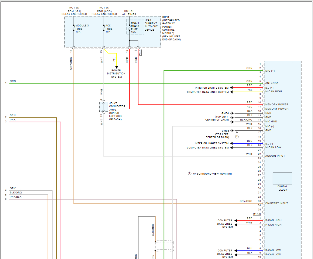
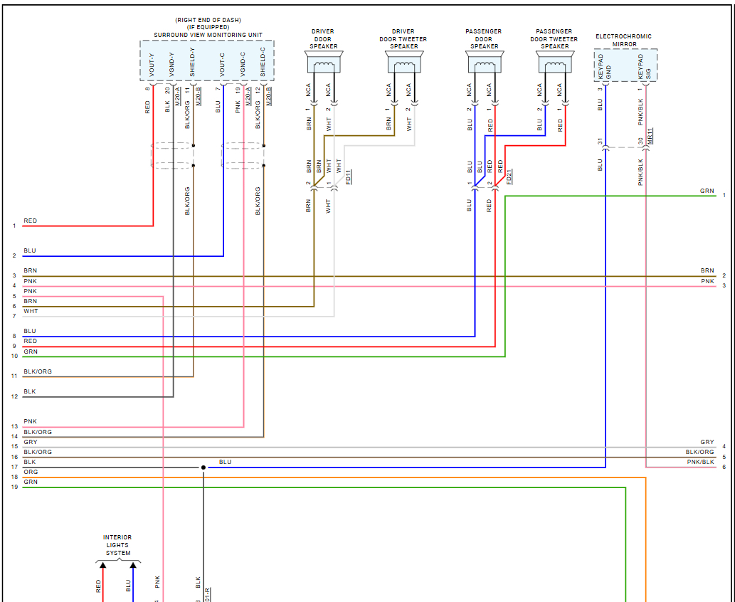
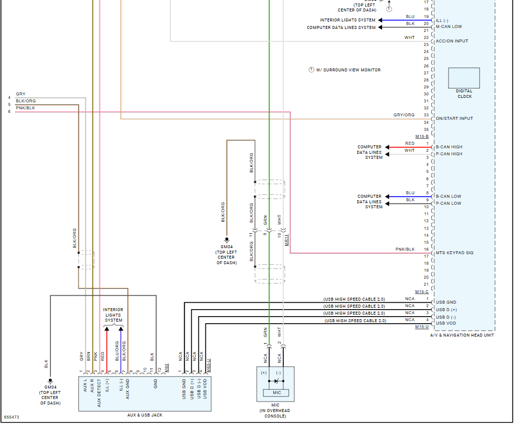
I am looking to find the vehicle reverse + signal for install of an aftermarket stereo.
I was looking for the pinout of the factory radio to see if it was in that harness.
If not, I need the location of the reverse signal + that I can tap into.
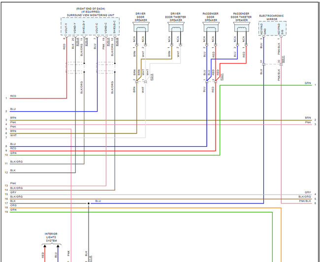
I was looking for the pinout of the factory radio to see if it was in that harness.
If not, I need the location of the reverse signal + that I can tap into.
May 5, 2025 at 3:44 AM





