Need electrical schematic

2001 CHEVROLET TAHOE
160,000 MILES • 5.3L • V8 • 4WD • AUTOMATIC
Avatar
AVERYNKRISSY
  • MEMBER
  • 2 POSTS
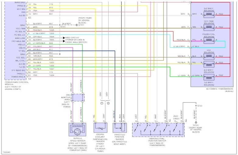
My SUV is a 4x4 with a 5.3L. I am having a hard time getting a wiring diagram for the transmission. The transmission is a 4L60E. Can someone help me?
Sep 17, 2016 at 9:50 PM
Advertisement
Avatar
CJ MEDEVAC
  • CERTIFIED EXPERT
  • 11,004 POSTS
This is what "Prodemand" has,

I made four screenshots using my 2CarPros access, as they do not make the diagrams downloadable.

The first two are one diagram, the last two are the second diagram.

I made sure I had Overlapping on the screenshots.

Diagram one sits atop diagram two.

Diagram three sits atop diagram four.

I have been having bad luck posting pictures tonight (I do post a lot of them!), seems 2CarPros picture option is not working.
Here is the plan, I will try tonight. If it does not fly, It might be hard for me to find you again (the original question disappears for me) You sort of get stacked in my replies folder. unless you reply back, let me know you still need them (this will give me a email notification-easy for me to keep track of) I will save the email notification and the screenshots I made until they get the photo option straightened out. (normally it is soon)

Here goes a four diagram posting attempt below.

The Medic



Sep 17, 2016 at 10:46 PM
Avatar
CJ MEDEVAC
  • CERTIFIED EXPERT
  • 11,004 POSTS
NO-GO!

Please reply so I can do this again tomorrow!

The Medic
Sep 17, 2016 at 10:47 PM
Advertisement
Avatar
AVERYNKRISSY
  • MEMBER
  • 2 POSTS
Nothing came up bud. Okay we will try tomorrow.
Sep 17, 2016 at 10:49 PM
Avatar
CJ MEDEVAC
  • CERTIFIED EXPERT
  • 11,004 POSTS
Morning attempt.

Here goes.

The Medic
Sep 18, 2016 at 7:50 AM