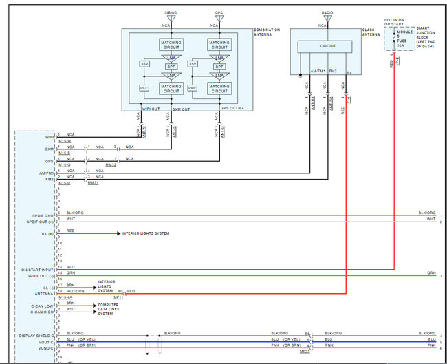
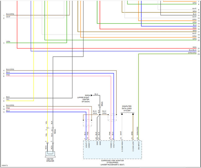
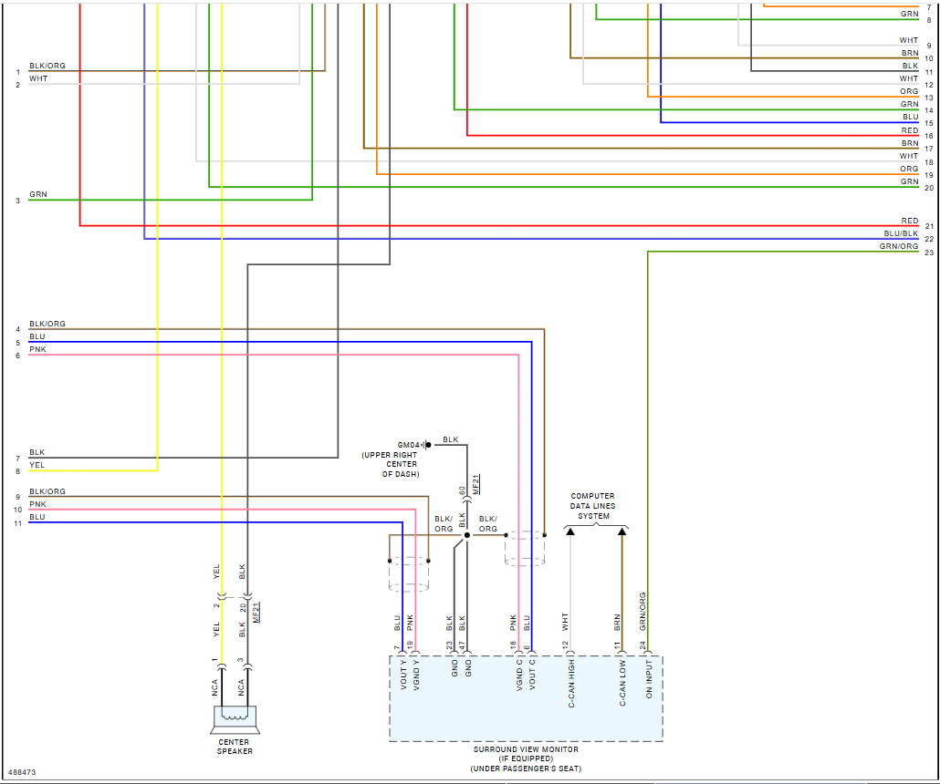
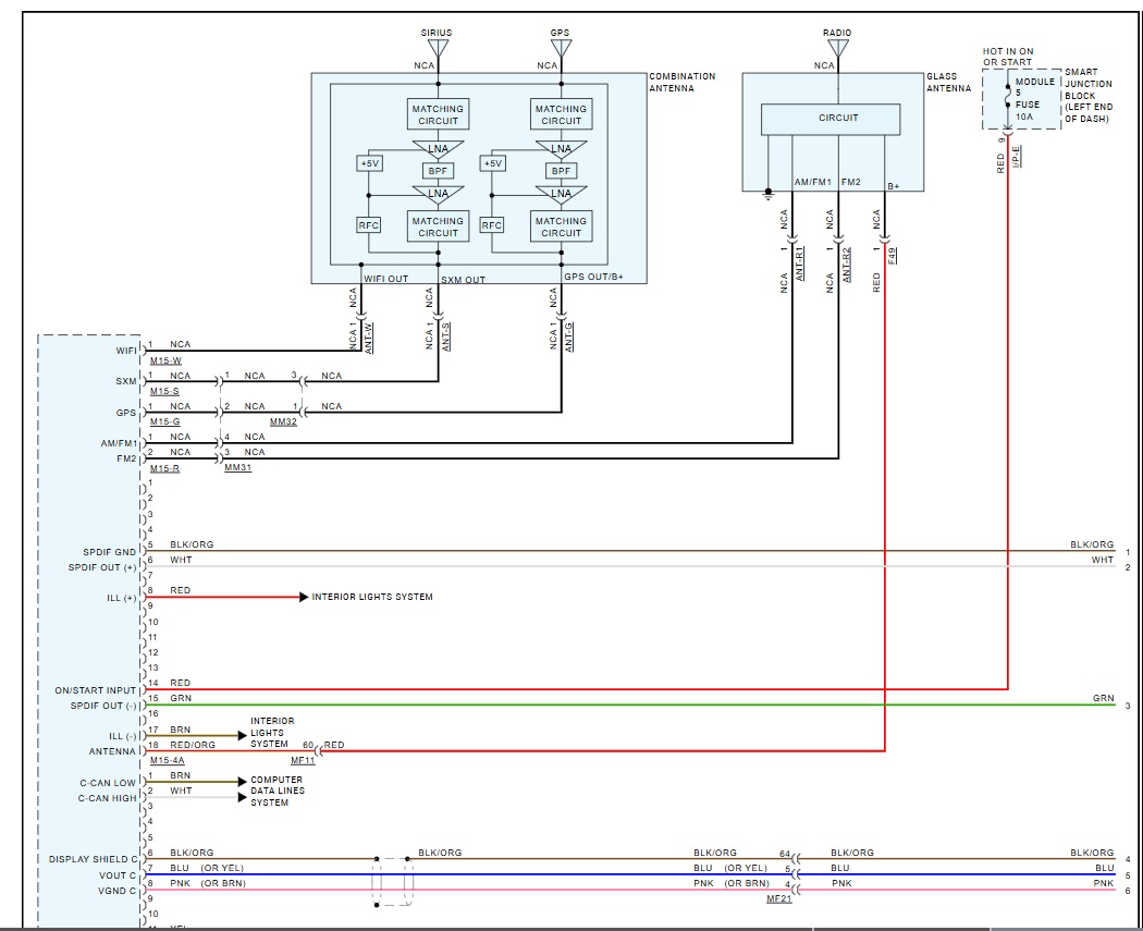
i need headunit/ stereo diagram for kia Optime JF 2016. With Harman Kardon Sound System and AVM 360 camera.
The original HU is Part: 96560-D4900WK
and the new one is 96560-D4850WK
Thank you
The original HU is Part: 96560-D4900WK
and the new one is 96560-D4850WK
Thank you
Feb 6, 2026 at 2:56 PM







