Engine will not crank

1987 CHEVROLET CUSTOM DELUXE
47,743 MILES • 5.0L • V8 • 2WD • AUTOMATIC
Avatar
BRYAN W
  • MEMBER
  • 3 POSTS
when i turn the key all my lights gauges and radio come on but when i turn to the start position it won't crank. i replaced the ignition and neutral safety switch but it still won't turn over and I'm just lost for words. before i replaced both the ignition and safety switch it would turn over sometimes and sometimes it wouldn't. so I'm lost at the moment and need some help.
Apr 29, 2019 at 11:22 AM
Advertisement
Avatar
ASEMASTER6371
  • CERTIFIED EXPERT
  • 52,796 POSTS
Good afternoon,

Do you have a voltmeter or test light to do some tests?

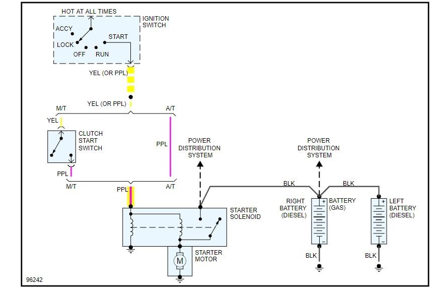
Did you verify power to the little wire on the starter solenoid in the start position?

You need to verify power out of the ignition switch on the yellow wire to the neutral switch. Then verify power out of the switch at the purple wire to the solenoid.



Roy
Apr 29, 2019 at 1:01 PM
Avatar
BRYAN W
  • MEMBER
  • 3 POSTS
So a test light will work to test everything?
Apr 29, 2019 at 3:28 PM
Advertisement
Avatar
ASEMASTER6371
  • CERTIFIED EXPERT
  • 52,796 POSTS
That is correct.

Roy
Apr 29, 2019 at 4:07 PM
Avatar
BRYAN W
  • MEMBER
  • 3 POSTS
Alright, thank you.
Apr 29, 2019 at 5:03 PM
Avatar
ASEMASTER6371
  • CERTIFIED EXPERT
  • 52,796 POSTS
You're welcome.

Keep us updated.

Roy
Apr 29, 2019 at 5:10 PM