My real main seal is leaking

1995 FORD E-SERIES VAN
150,000 MILES • 5.8L • V8 • 2WD • AUTOMATIC
Avatar
MINJU BûM
  • MEMBER
  • 3 POSTS
Leak in the rear main area. How to fix it?
May 6, 2021 at 3:20 PM
Advertisement
Avatar
DANNY L
  • CERTIFIED EXPERT
  • 5,648 POSTS
Hello, I'm Danny.

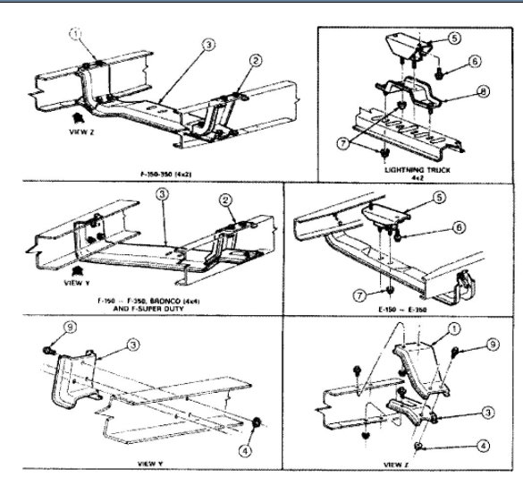
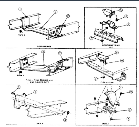
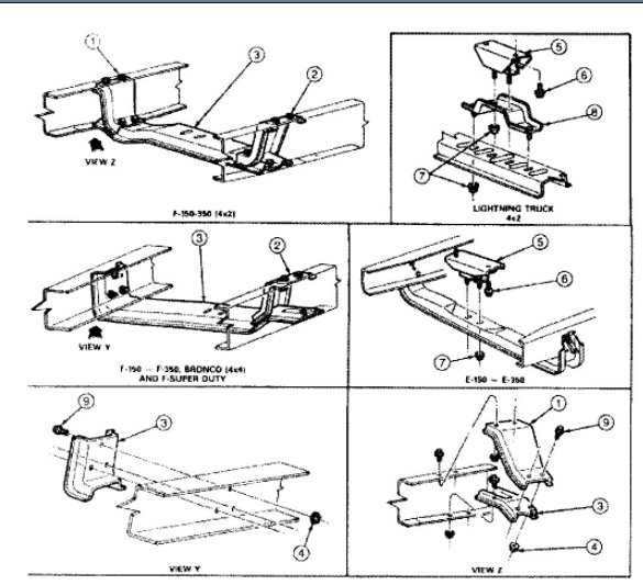
Here is the information you requested. In order to gain access to the rear main engine seal you will need to remove the transmission. Here is a tutorial showing how to remove a standard transmission which is similar to an automatic transmission:

https://www.2carpros.com/articles/transmission-replacement-removal-manual

I've attached picture steps below on how to remove and replace your automatic transmission and how to change the rear main oil seal on your van. Hope this helps and feel free to ask any further questions if needed. Thanks for using 2CarPros.
May 7, 2021 at 12:19 PM