Put in a new room fuse in the cab fuse box and radio lit up accepts CD's but will not play CD, radio, nothing. Please help.
May 26, 2018 at 9:40 PM
Advertisement
STRAILER
CERTIFIED EXPERT
53,854 POSTS
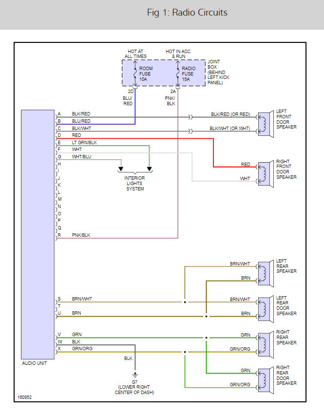
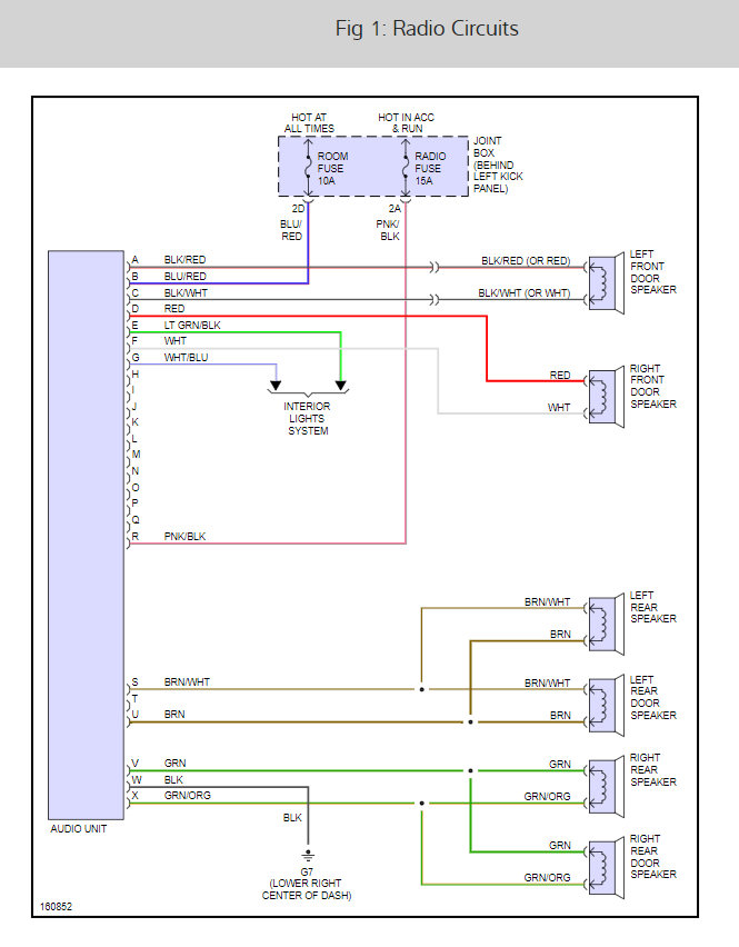
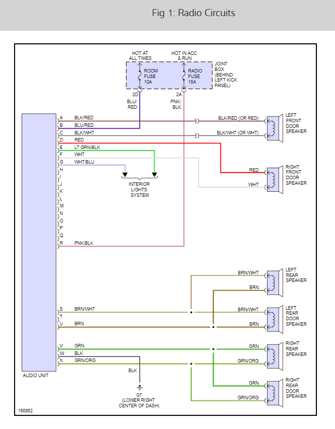
It sounds like the radio has gone out but to be sure lets check the power and grounds. Here is a guide and the wiring diagrams for the radio so you can confirm the failure: