Good morning,
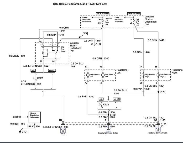
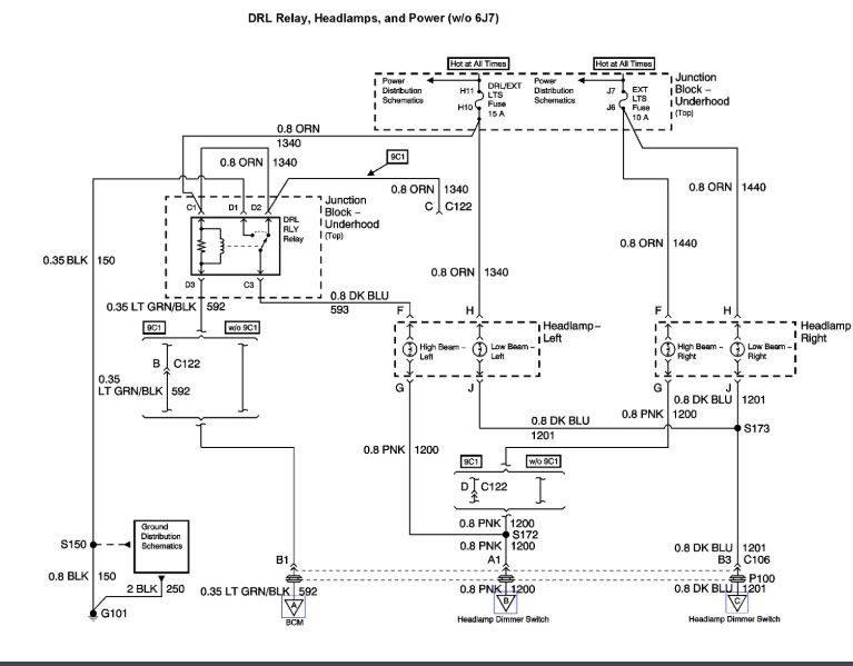
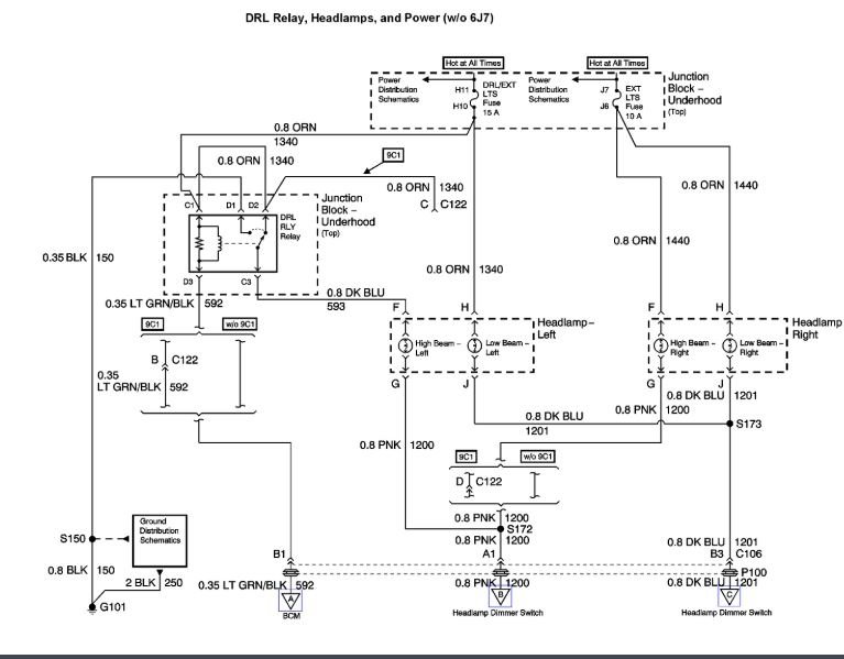
Verify the fuses have power on both sides for the headlights. I attached a diagram for you to view.
https://www.2carpros.com/articles/how-to-check-wiring
Then go to the connector on the lights not working and verify power to the connector. If you do, then check your grounds. If you do not, you have a wiring harness issue.
Roy
Jan 16, 2019 at 4:18 AM