Can get a vacuum line diagram?

2002 MERCURY VILLAGER
200 MILES • 6 CYL
Avatar
ANGELA LOVE
  • MEMBER
  • 1 POST
The catalytic converter got stopped up in the front exhaust, it was glowing orange, so somebody cut a small hole and beat the catalytic converter out, then we welded back over that hole. Then we put a new fuel filter on and new plugs. I really need a diagram of the vacuum line hoses, so I can figure out where these vacuum hoses go to. I put a on a code reader, and it came back with knock sensor and fuel temperature sensor it has a rough idle.
Jul 17, 2022 at 12:19 PM
Advertisement
Avatar
AL514
  • CERTIFIED EXPERT
  • 5,465 POSTS
Hello, how many different vacuum lines do you have off, and was anything else removed from the vehicle? It looks like there is an Air Injection system with a few vacuum lines, I'll post all this, but can you tell me what the actual code numbers were as well so I can check and see what the code setting criteria is. Also, take some pictures of the vacuum lines if that helps. I can see there are quite a few.
If you can take a picture of the top of the engine as well, that will help, I don't think your van has a supercharger on it, but the option is here in the database. I'm going to do the vacuum lines together by each system they work on. The first is the Air Injection system, which injects air into the exhaust system to help get the Catalytic Converter hot. Even though the interior of your Converter is gone, this system might set codes and turn on the Check Engine light if it's not in place.

The first 5 diagrams below are for the AIR Injection System. There will be vacuum lines for the Air Bypass Solenoid and Air Diverter Valve.

Diagrams 6 through 10 are for the EGR System. Depending on what design they used on this year, model, you may not have an EGR valve. It's not listed under the wiring diagrams for some reason, but the information for the system is in All Data.

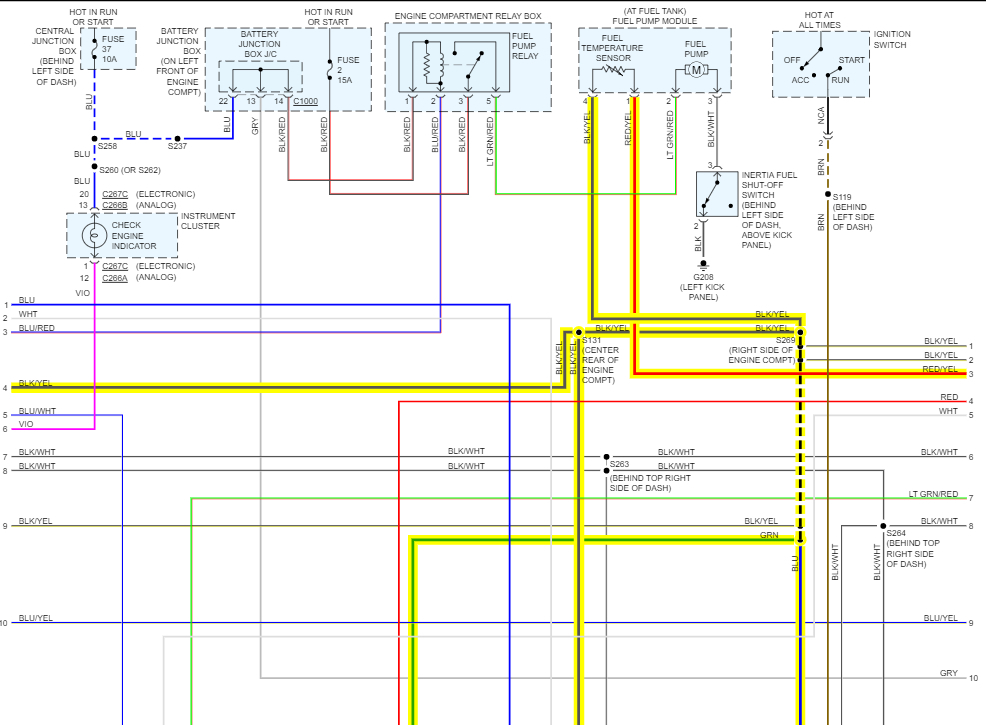
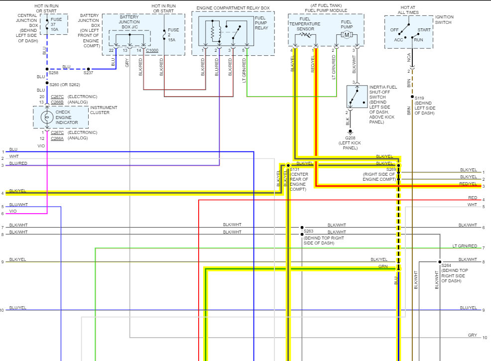
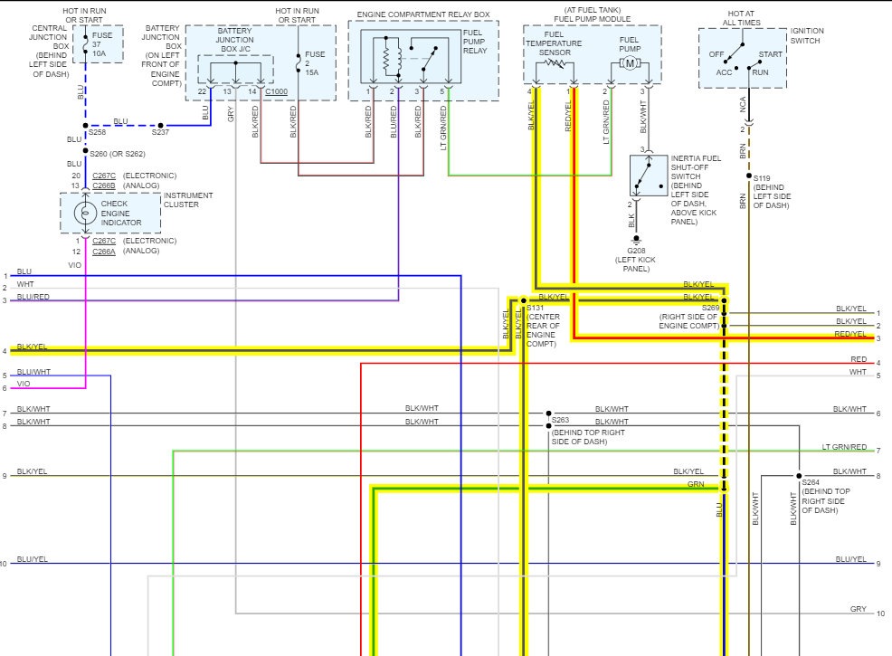
The last 5 diagrams are harness wiring diagrams. 1 is for the EVAP Purge Valve, 2 and 3 are the Knock Sensor circuit, 4 and 5 are the Fuel Temperature sensor which is located at the Fuel Tank.

https://www.2carpros.com/articles/how-a-knock-sensor-works

https://www.2carpros.com/articles/how-emission-control-systems-work
Jul 17, 2022 at 3:28 PM