interior lights stay on unless I take the fuse out?

1993 FORD THUNDERBIRD
600,000 MILES • 3.5L • AUTOMATIC
Avatar
CHRISTOPHER ARGUELLES
  • MEMBER
  • 1 POST
My interior lights stay on unless I take the fuse out but if I don't unhook the battery, it will drain.
Jul 3, 2023 at 2:35 AM
Advertisement
Avatar
STRAILER
  • CERTIFIED EXPERT
  • 53,855 POSTS
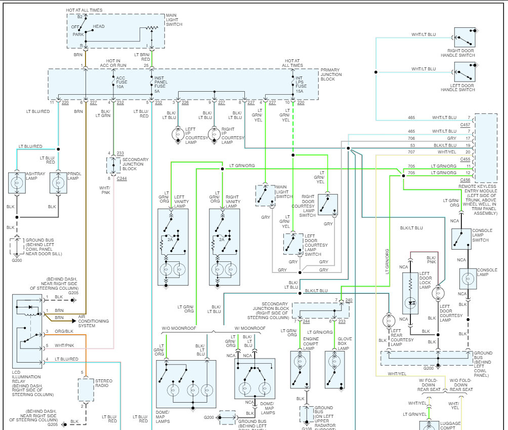
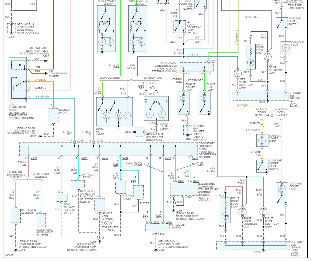
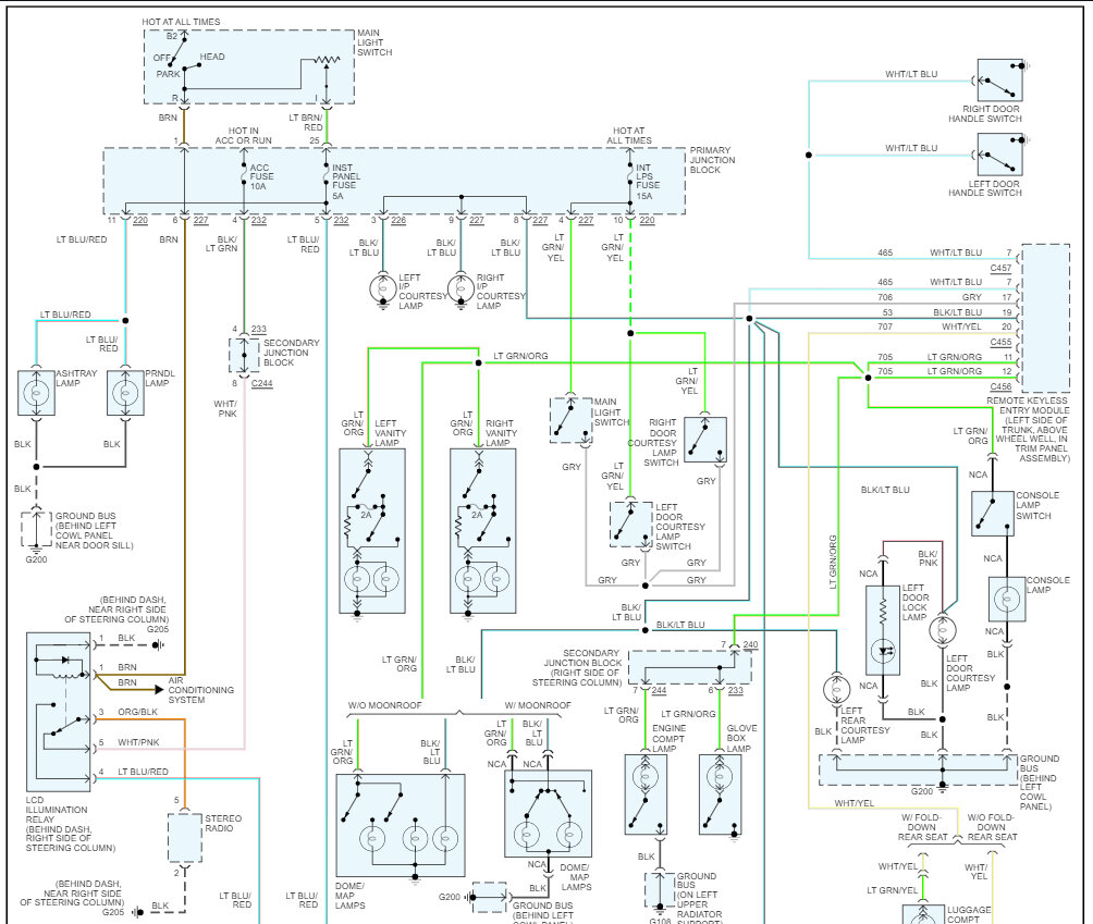
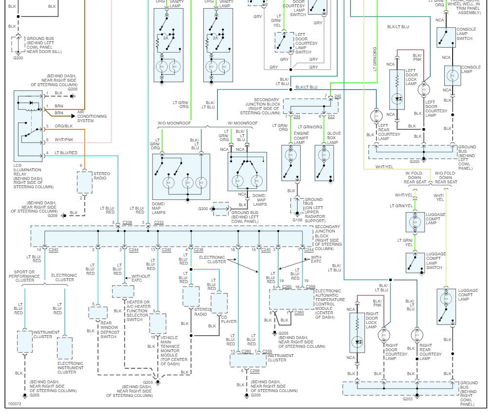
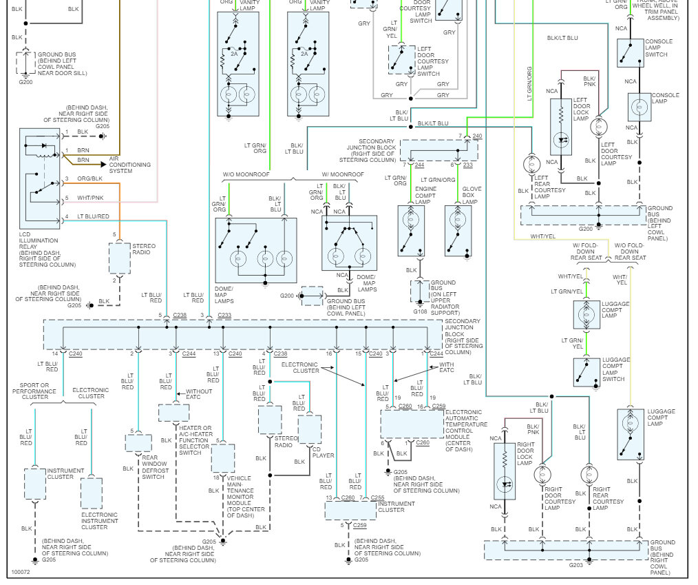
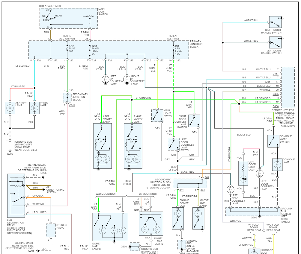
It is the INT LPS fuse int eh amin fuse panel, here are the wiring diagrams so you can see how the system works, you could just have one of the door switches that is bad. Also, double check to see if the switch at the headlights is turned completely to the right or left. Check out the images (below). Please let us know how it goes.
Jul 3, 2023 at 5:04 PM