Engine not cranking over?

1993 FORD RANGER
150,000 MILES • 2.3L • 4 CYL • 2WD • MANUAL
Avatar
BENJAMIN1119
  • MEMBER
  • 1 POST
The engine will not turnover it just clicks when I turn the key.. Battery is good and charged so I really don't know what might cause that?
Apr 27, 2016 at 8:47 AM
Advertisement
Avatar
HMAC300
  • CERTIFIED EXPERT
  • 48,601 POSTS
check battery for condition including load test. clean terminal ends. check starter relay under hood may be bad.

These two guides will help.

https://www.2carpros.com/articles/car-battery-load-test

and

https://www.2carpros.com/articles/starter-not-working-repair


Please run down these guides and report back.
Apr 27, 2016 at 9:43 AM
Avatar
BOOPERIII
  • MEMBER
  • 1 POST
Thank you for this post I had this problem and had to replace the starter cost me $104.00 all fixed I love this site.
Nov 14, 2019 at 12:25 PM
Advertisement
Avatar
BILL CURTIS
  • MEMBER
  • 1 POST
Sometimes when you try to start it, it will only click. Other times it will start okay.
Mar 8, 2021 at 5:48 PM (Merged)
Avatar
SCGRANTURISMO
  • CERTIFIED EXPERT
  • 4,897 POSTS
Hello,

This sounds like you might have a dead spot in your starter. I have included a few links down below for you to go to.

https://www.2carpros.com/articles/starter-not-working-repair

and

https://www.2carpros.com/articles/how-to-replace-a-starter-motor

Please go through these guides and get back to us with what you find out.

Thanks,
Alex
2CarPros

Mar 8, 2021 at 5:48 PM (Merged)
Avatar
JEREMYRKLEIN
  • MEMBER
  • 1 POST
I noticed yesterday that the lights and electrical seemed to be surging while driving. Today, the voltage meter in the dash was going crazy for the few few minutes after I started it in the morning (especially when I stepped on the accelerator).

This afternoon, when I tried to start it to drive home, it would not turn over, it would just give a small click. Tried to jump it, but that would not work either. Had to push start it to get going.

Battery is brand new from about two months ago. Starter is new last year.

Any thoughts (maybe the solenoid or starter relay)?

Note: I have noticed some issues with getting power to the wheels in the higher gears. I was thinking the clutch was slipping and figured I would fix that soon. Maybe this is related?
Mar 8, 2021 at 5:48 PM (Merged)
Avatar
STEVE W.
  • CERTIFIED EXPERT
  • 15,113 POSTS
Clutch slipping should not cause electrical issues, unless it is cutting the wires as it flies apart during a drag race. But, I doubt that is the problem.

As a jump did not work you have probably have a bad ground or positive connection that is stopping the current from getting to the battery to charge it. That would also cause the lights to act funny as the voltage would be jumping as the connection was made/failed and cycled.
Check the terminals at the battery (clean, tight) then at the the other end. Check from the starter to fuse box is okay and that the grounds from battery to engine, body, chassis are all good. Also, check to see if the engine to body ground is okay.

Next put your battery on a charger and see if it recovers.

The clutch issue could simply be wear if it is original. Do not forget the pilot bearing and rear main seal while you are there.
Mar 8, 2021 at 5:48 PM (Merged)
Avatar
2CP-ARCHIVES
  • MEMBER
  • 4,540 POSTS
The truck has a starting problem. I've replaced the battery and I'm on the 3rd solonoid. The only way I can get it to crank is to arc accross the solonoid. Any ideas? Please?
Mar 8, 2021 at 5:50 PM (Merged)
Avatar
JDL
  • CERTIFIED EXPERT
  • 16,098 POSTS
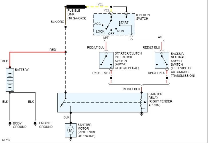
What litre size of engine? Automatic or manual tranny? Could be issue with neutral switch or clutch switch, depending on your tranny? The wiring below is for a 4.0L engine. This guide can help us fix it

https://www.2carpros.com/articles/starter-not-working-repair

Check out the diagrams (Below). Please let us know what happens.
Mar 8, 2021 at 5:50 PM (Merged)
Avatar
MUDPUPPY59
  • MEMBER
  • 3 POSTS
It's a manual trans, not sure on litre, I think it's a 4.0L. I've checked the wiring, it all looks good, but still won't start with the switch.
Mar 8, 2021 at 5:50 PM (Merged)
Avatar
JDL
  • CERTIFIED EXPERT
  • 16,098 POSTS
At the starter relay, the red wire with lite blue tracer should be hot with key in the crank position? Is it?If not, need to check voltage to and from clutch switch. Use a voltage tester/testlite.
Mar 8, 2021 at 5:50 PM (Merged)
Avatar
MUDPUPPY59
  • MEMBER
  • 3 POSTS
I'll test that when I get home tonight. I'll check back with you on Monday. Have a great weekend!
Mar 8, 2021 at 5:50 PM (Merged)
Avatar
JDL
  • CERTIFIED EXPERT
  • 16,098 POSTS
You too, have a good weekend.
Mar 8, 2021 at 5:50 PM (Merged)
Avatar
SANDYLOOPFARM
  • MEMBER
  • 2 POSTS
Starter would not engage when key turned. Just clicking from near solenoid. Replaced solenoid, same problem. Starter replaced and when battery hooked back up the starter engages when the ignition is off. Removed ignition switch to get replacement but first hooked up battery again. Engine began turning over even with no switch! Battery is hooked up but starter wire is not hooked to solenoid. As soon as it is the starter turns. It's spooky to have the starter turn when you have the key in your pocket. Any ideas?
Mar 8, 2021 at 5:50 PM (Merged)
Avatar
MERLIN2021
  • CERTIFIED EXPERT
  • 17,250 POSTS
Could be you hooked up the solenoid wrong. Wire to the starter goes on the opposite side of the solenoid as the fuse links and positive battery cable, and the small wire goes on the small terminal on the battery cable side. Remove the Negative cable before starting, and put it back on AFTER all the other wires have been connected.
Mar 8, 2021 at 5:50 PM (Merged)
Avatar
SANDYLOOPFARM
  • MEMBER
  • 2 POSTS
2Carpros.com
Your info was spot on about the solenoid being wired wrong. One wire was in the wrong place. Changed that on the new solenoid and it seems we're right back where we started. Click, click, click! Not the battery-it was on the generator over an hour and showing 13.6 volts when I took it off. Could it be the rebuilt starter?
Mar 8, 2021 at 5:51 PM (Merged)
Avatar
MERLIN2021
  • CERTIFIED EXPERT
  • 17,250 POSTS
Yes it could, take it out, bring it back, they can test it for you. If any shims where removed and not put back in, put the shims in, Fords dont normally have shims though... Another possibility is a bad battery cable.
Mar 8, 2021 at 5:51 PM (Merged)
Avatar
STRSHDW
  • MEMBER
  • 1 POST
I have a 1990 ford ranger 4.0L. When I go to start engine I get a loud click from starter solenoid (fender mounted). Battery is good, starter solenoid is good, and the starter itself is good. All 3 of these actually have been replaced numerous times. What else should I be doing?
Mar 8, 2021 at 5:51 PM (Merged)
Avatar
MIKE H R
  • CERTIFIED EXPERT
  • 3,094 POSTS
Make sure the battery is charged up then check the voltage going to the solenoid coming from the battery. Check for any broken or corroded wires coming from the battery . Make sure the wires are clean and tight I have seen the same thing happen because of bad or corroded wires. Then check the other side of the solenoid that goes to the starter with a static light {just a light that lights when you have voltage} when someone turns the key. If you have light or voltage on both sides then the problem would be in the starter. This guide can help us fix it

https://www.2carpros.com/articles/starter-not-working-repair

Please run down this guide and report back.
Mar 8, 2021 at 5:51 PM (Merged)
Avatar
SAMPSON7
  • MEMBER
  • 3 POSTS
[b:ab8c676902]89 ford ranger 4 cyl. 5 speed. 2 wheel drive high miles over 100,000 but a great truck.
The starter started getting choppy and it was replaced , the vehicle then tries to crank by itself when the battery was reconnected. then the solenoid was replaced. It still tries to crank by itself when the battery cables are put back on. the starter switch was replaced. It still starts turning over and over when the cables are put on the battery.... What is causing this? I need all the help I can get cause I need my truck to run. Thank you.[color=red:ab8c676902][/color:ab8c676902][/b:ab8c676902]
Mar 8, 2021 at 5:51 PM (Merged)
Avatar
2CARPRO JACK
  • CERTIFIED EXPERT
  • 11,533 POSTS
When the wire were hooked up maybe something at the solenoid is on the wrong post. Check for a starter relay, if you old starter was having trouble maybe it burned up the relay. Does it have an aftermarket alarm or remote starter?.
Mar 8, 2021 at 5:51 PM (Merged)
Avatar
SAMPSON7
  • MEMBER
  • 3 POSTS
After reading your suggestion,The solenoid was double checked today and it is on the right post.

The starter doesnt have a relay.

There is No Alarm installed, and there is NO remote starter.

Thank you for the suggestion, anything else you think it could be?
Mar 8, 2021 at 5:51 PM (Merged)
Avatar
2CARPRO JACK
  • CERTIFIED EXPERT
  • 11,533 POSTS
If it didnt do it before the starter replacement,the starter is the logical place to begin.
Mar 8, 2021 at 5:51 PM (Merged)
Avatar
SAMPSON7
  • MEMBER
  • 3 POSTS
After going over everything, the solenoid was again taken out and replaced with another new solenoid and it works perfect, what I am guessing is that the first solenoid was a bad part that was bought new! I guess this can happen!!!!! Thanks alot for your time!!!!
Mar 8, 2021 at 5:51 PM (Merged)
Avatar
2CARPRO JACK
  • CERTIFIED EXPERT
  • 11,533 POSTS
Glad to be of help. Sometimes cant see the forest for all the trees!
Mar 8, 2021 at 5:51 PM (Merged)
Avatar
FORD RANGER OWNER
  • MEMBER
  • 1 POST
When you turn the key nothing happens but all accessories work ( all lights and radio).

To start the truck you have to use a screwdriver and connect the two posts on the solenoid. But once you get it running it runs for about ten to fifteen seconds then shuts off.
Mar 8, 2021 at 5:52 PM (Merged)
Avatar
JACOBANDNICKOLAS
  • CERTIFIED EXPERT
  • 110,175 POSTS
Hi and thanks for using 2CarPros.

I need you to check a couple things. First, the starter relay needs ground for the system to operate. Check the relay first. Switch it with a different relay with the same part number.
or check this link.
https://www.2carpros.com/articles/how-to-check-an-electrical-relay-and-wiring-control-circuit

Next, there could be a problem with the neutral safety switch. See if the starter will engage if you put the shifter in neutral. Also, if it does not, put it in park, parking brake on, and slid under the truck to see if the switch is disconnected or damaged. The switch is on the left side of the transmission.

If all of that fails, I want you to try this test:

https://www.2carpros.com/articles/starter-not-working-repair


I attached a schematic of the starter system for you to review. Let me know what you find.

Joe
Mar 8, 2021 at 5:52 PM (Merged)
Avatar
DEVIN BRISKEY
  • MEMBER
  • 3 POSTS
I'm having a no crank no start as well. I hear a click when I attempt to start. Tried to jump at the fender mounted solenoid but I can't get an arc. Tested the battery and got 12.3 volts.

1995 Ranger 2.3l.
Starter and Battery are 6-8 months old.
Mar 31, 2021 at 3:22 AM
Avatar
DEVIN BRISKEY
  • MEMBER
  • 3 POSTS
Update. Only getting 4 volts to the solenoid from the battery. But the battery is reading 12.3 and no issues with it.
Mar 31, 2021 at 7:31 PM
Avatar
JACOBANDNICKOLAS
  • CERTIFIED EXPERT
  • 110,175 POSTS
If you are only getting 4v, and it starts out at the battery with 12.3v, you have a lot of resistance in the wire. If there is nothing loose or corroded, replace the wire.

Let me know if that takes care of the problem.

Joe
Apr 2, 2021 at 8:32 PM
Avatar
DEVIN BRISKEY
  • MEMBER
  • 3 POSTS
Hey I appreciate the response. Just figured out the issue today. The ground was busted on the starter and causing the issue. Replaced it and good to go.
Apr 2, 2021 at 9:52 PM
Avatar
STRAILER
  • CERTIFIED EXPERT
  • 53,854 POSTS
Nice work, we are here to help, please use 2CarPros anytime.
Apr 3, 2021 at 12:05 PM