My engine stalls at idle?

2015 MAZDA 3
160,350 MILES • 2.0L • 4 CYL • 2WD • AUTOMATIC
Avatar
BEATERMAZ3
  • MEMBER
  • 2 POSTS
I have been trying to crack this one and can't figure it out.

This problem began in the late summer of 2022. It has actually improved in terms of frequency, and is considered intermittent, but it does still occur. I noticed a tendency for this to occur more in rainy cold weather as opposed to dry sunny weather. When the issue first began it was much worse. The car would not even idle for five minutes before shutting off. When I added coolant, it stopped stalling so much.

The following list is all the circumstances which surround the stall/shut off:

- Only occurs at idle in park. Does not occur while idling in drive or reverse.

- Only occurs when the vehicle has been warmed up and driven around for at least a half hour. It never occurs when the engine is cold or unused.

- There is no feeling of power loss. I.e., no shuddering. It does not vibrate at all. In fact, it feels like I'm just pressing the start button to shut the car off. It simply stalls.

- When this happens, I typically see the check engine light, charging system light and maybe the thermostat light or something else. The A/C and electronics continue to run for several moments, and the ignition button glows orange. The ignition button is unresponsive, and the car eventually shuts itself off.

- it can always be restarted easily without elongated cranking, and the light goes away within three to four start-ups

- The check engine light never flashes; it just appears solid once the car stalls.

Current issues that may be responsible and things I've fixed:

- I need a new drive belt system. Belts, pulleys, and tensioner

- I need a coolant flush. The car has regretfully never had one, and I topped it up recently with a universal yellow coolant when I noticed alarmingly low and dark coolant. I later discovered that I should have used FL-22. could this be an issue?

- I may have a small oil leak. There are greasy looking stains on the passenger side of the engine as well as behind the engine along the creasing/edges, and strange little black spritz marks down by my brake line. It splattered all over that and surrounding parts.

- My battery and alternator are both brand new.

- I changed my air filter less than a month ago.

- I cleaned my throttle body two days ago.

- None of my fuses are blown.

- I have checked my water pump and head gasket which are both fine.

- The car has never had any valves or sensors replaced.

- Past engine codes P0301, P0230, and previous electrical issues that could not be traced.

- Burning smell at high RPMs.
Oct 13, 2022 at 5:05 PM
Advertisement
Avatar
STRAILER
  • CERTIFIED EXPERT
  • 53,855 POSTS
Thanks again for the detailed explanation. Even though the check engine light is not on we need to run the codes. here is a guide to help run the codes for the engine:

https://www.2carpros.com/articles/checking-a-service-engine-soon-or-check-engine-light-on-or-flashing

If no codes come up let's check the engine for vacuum leak when the engine is cold only. Please follow this guide:

https://www.2carpros.com/articles/how-to-use-an-engine-vacuum-gauge

And this guide can help as well:

https://www.2carpros.com/articles/stall-at-idle

If you have not cleaned the throttle bore, I would do that as well.

https://www.2carpros.com/articles/throttle-actuator-service


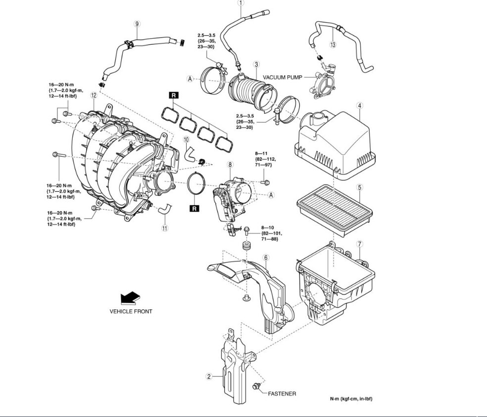
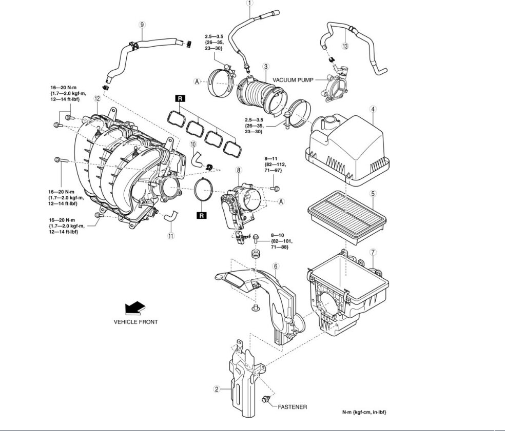
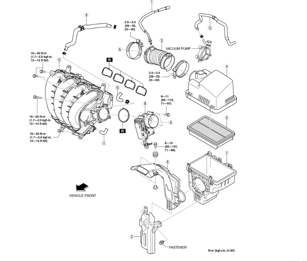
Check out the images (below). Let us know what happens and please upload pictures or videos of the problem.

Oct 14, 2022 at 1:53 PM