my electronic in the car are inop.

2003 CHRYSLER 300
164,000 MILES • 3.5L • V6 • AUTOMATIC
Avatar
AJISALW
  • MEMBER
  • 3 POSTS
The radio, mirrors, dome lights, and door locks are all inop.
Jul 28, 2014 at 2:21 AM
Advertisement
Avatar
HMAC300
  • CERTIFIED EXPERT
  • 48,601 POSTS
check fuses first windows and door locks are underhood then get it scanned for codes may be the tpiim module
Jul 28, 2014 at 6:47 AM
Avatar
AJISALW
  • MEMBER
  • 3 POSTS
I checked all fuses none are blown and dey not under da hood dey on da inside
Jul 28, 2014 at 6:53 AM
Advertisement
Avatar
HMAC300
  • CERTIFIED EXPERT
  • 48,601 POSTS
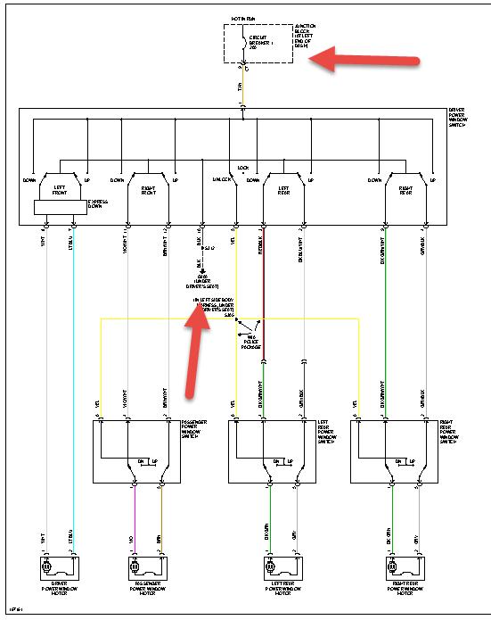
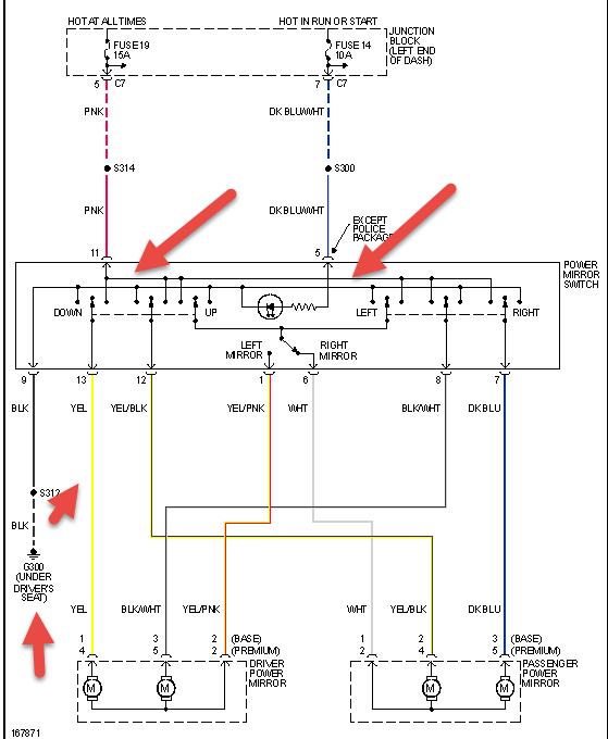
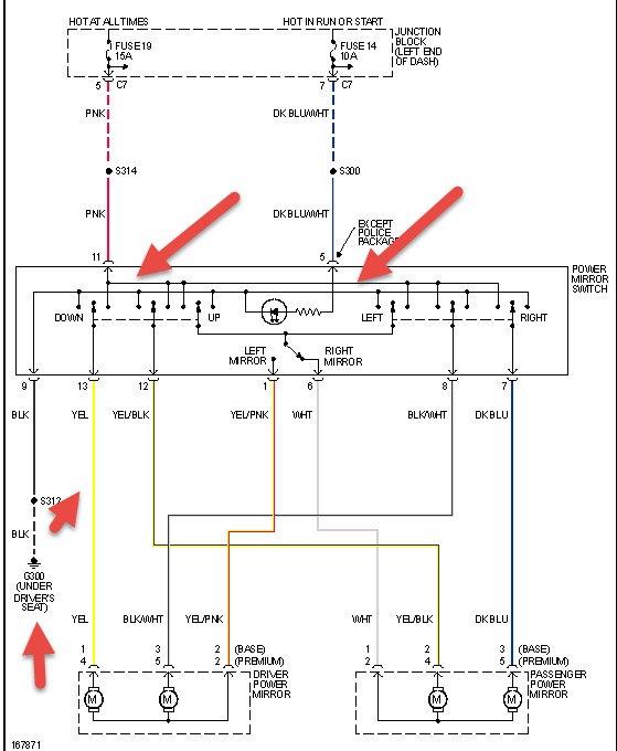
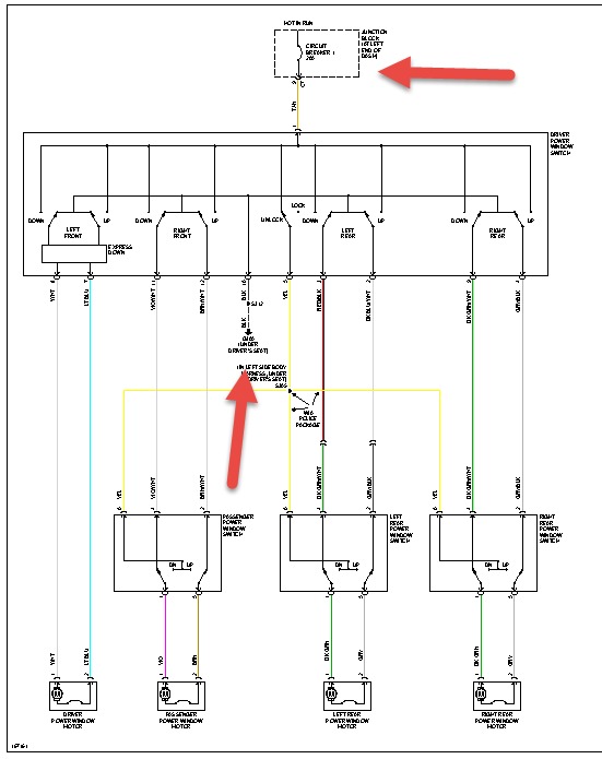
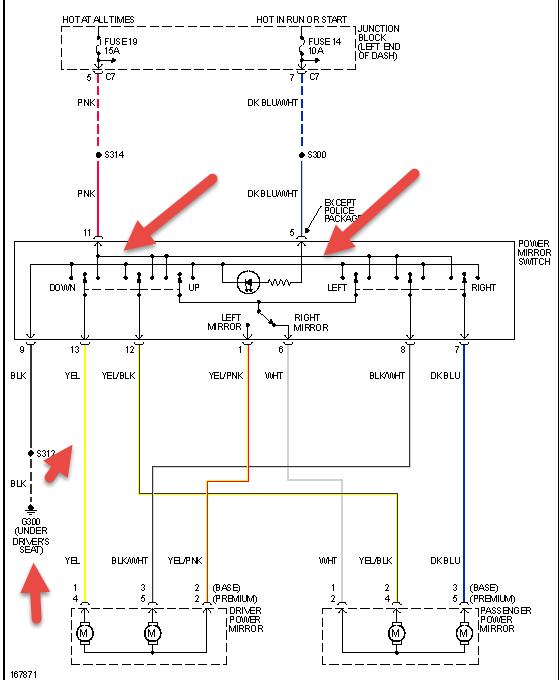
check items in pics fuse 19 runs radio, powr mirror etc. check circuit breaker 1 and 2 for locks and door and ground under drivers seat as it's for everything except radio and lights. fuse 19 is also for lights and have scanned for a body module problem.
Jul 28, 2014 at 7:16 AM
Avatar
AJISALW
  • MEMBER
  • 3 POSTS
I just checked under the hood it don't even go by numbers its letters and da 19 fuses on da side of the driver side dash is dome lights
Jul 28, 2014 at 7:25 AM
Avatar
HMAC300
  • CERTIFIED EXPERT
  • 48,601 POSTS
have a pro look into this as I think it's something he can find for you the circuit breakers are in the dash panel fuse box. I think you have a broken wire between door and jamb is causeing the problem unless it's a switch
Jul 28, 2014 at 9:32 AM