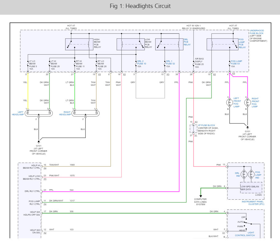
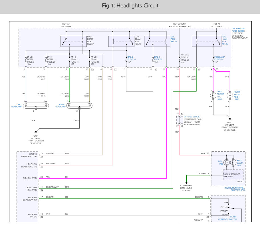
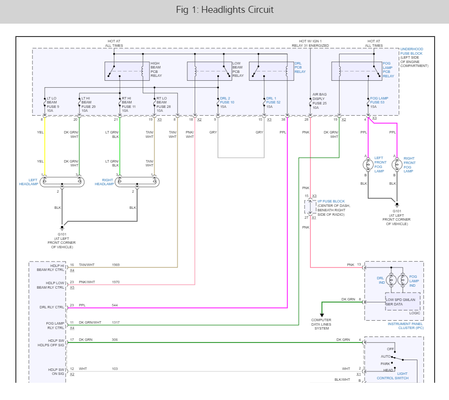
So me and my pop have been going at it for a few days trying to figure out this problem. when i first got the car it worked, but after a couple weeks it stop working. I then change the blub and it worked again for like 3 months. now I'm just trying to figure out this problem. we checked connecter seems like I might be it but wanted a second opinion.
May 20, 2021 at 11:04 AM










