My climate controls are malfunctioning

2005 CHEVROLET MONTE CARLO
171,400 MILES • V6 • FWD • AUTOMATIC
Avatar
GEORGE JOSEPH WICKENS
  • MEMBER
  • 1 POST
Hello. This is my car's VIN number (VIN: 2G1WW12E959280935). today I was driving and was bored at a stop light. I noticed that despite both the driver and passenger temperature slides being on maximum heat only the passenger got heat (drivers side remained cold)

Would this be a fuse problem or something similar?
Oct 19, 2016 at 3:53 PM
Advertisement
Avatar
AL514
  • CERTIFIED EXPERT
  • 5,465 POSTS
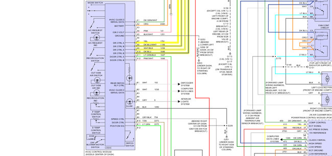
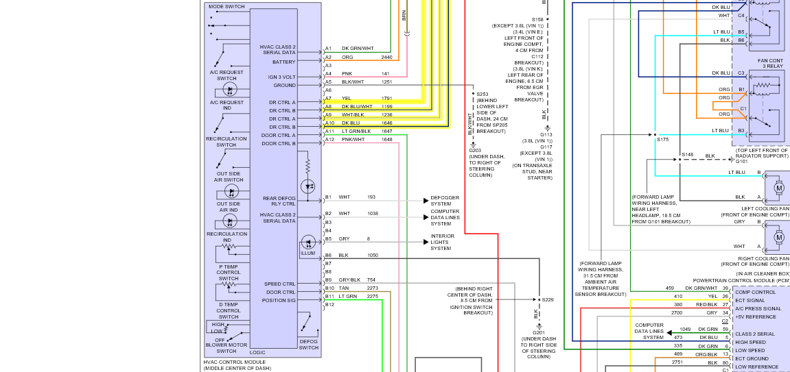
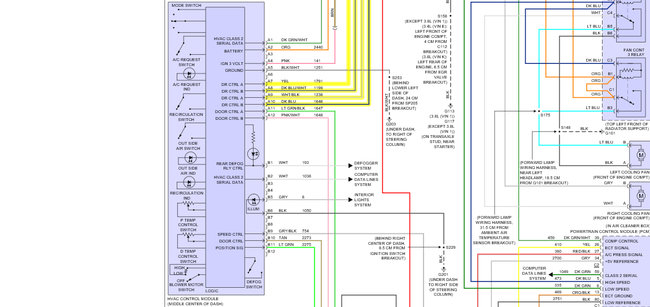
Here is a wiring diagram of the circuits that control each side of HVAC system. There a two different motors that are used, one Right Air Temperature Actuator and one on the Left. Both are controlled by the center console HVAC unit. There may be a problem with one of these motors or the control unit itself. You would have to dig into the dash board and see if this motor was getting power when you switch the controller over to that setting. The circuits are all highlighted in yellow. You could also take out the center console unit and check for power at the back of it also. Hope this helps some. Let us know what you find.
Oct 20, 2016 at 1:14 AM
Avatar
AL514
  • CERTIFIED EXPERT
  • 5,465 POSTS
You should probably go through your fuses also, yes. Just to see if anything is going on, but I would think the power control unit is having issues.
Oct 20, 2016 at 1:15 AM
Advertisement