My car will not crank over

2009 CHEVROLET AVEO
160 MILES • 4 CYL • 2WD • AUTOMATIC
Avatar
JAZELLECELEST
  • MEMBER
  • 2 POSTS
While I was driving my A/C started blowing out hot air. I parked my car for about thirty minutes then when I came back I turned the key but it did not want to start. I tried about four times before it wanted to turn on. Then when I started to drive it the cluster went out and the gauges stopped working. I had also noticed that when I shifted it into drive it jerked. I have taken it to the mechanic and he cannot find out why it will not turn on right away, it only turns on when it wants to. He has looked at everything electrical and has even replaced the battery but the problem is unknown. Please give any advice that would be great.
Aug 28, 2018 at 6:26 PM
Advertisement
Avatar
STRAILER
  • CERTIFIED EXPERT
  • 53,855 POSTS
It sounds like you may have two problems here lets handle the non cranking issue you can start a new question for the AC issue. Can I ask if the car was over heating? When the car will not crank over lets use a test light on the starter trigger wire. This will tell us if the starter is getting a signal and if so the starter is bad and needed to be replaced. Here are two guides to help us get started:

https://www.2carpros.com/articles/how-to-use-a-test-light-circuit-tester

and

https://www.2carpros.com/articles/how-to-replace-a-starter-motor

Please run down these guides and diagrams (below) and report back.

Cheers, Ken
Aug 30, 2018 at 10:47 AM
Avatar
JAZELLECELEST
  • MEMBER
  • 2 POSTS
The starter was also replaced with a new one and we still have the same issue.
Aug 30, 2018 at 1:25 PM
Advertisement
Avatar
STRAILER
  • CERTIFIED EXPERT
  • 53,855 POSTS
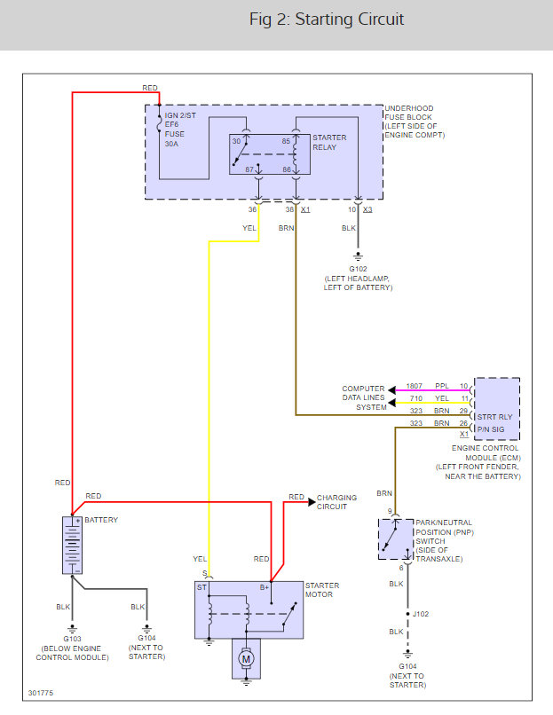
Okay, there is a starter relay we need to check. Here is a guide and the starter wiring diagrams so we can see how the system works and the location of the starter relay below:

https://www.2carpros.com/articles/how-to-check-an-electrical-relay-and-wiring-control-circuit

Check out the diagrams (below). Please let us know what you find. We are interested to see what it is.

Cheers, Ken
Aug 31, 2018 at 10:39 AM