Hi,
The fans not working is most likely the cause of both so we need to fix that first and go from there.
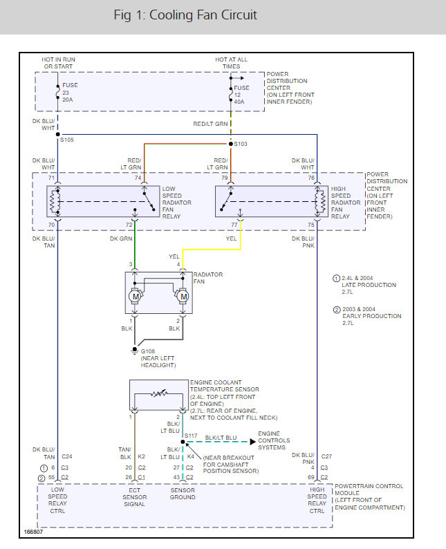
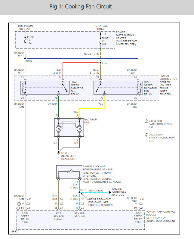
Have you done any testing yet? We need to check relays and fuses and then test to see if there is power to the fans. If so then the fans are most likely the issue. However, if neither fan is working it could be a temp sensor or even the PCM. So at this point we need to check for codes.
Here is a guide that helps explain this a little more:
https://www.2carpros.com/articles/how-an-electric-cooling-fan-works
Let me know if there are codes and then if you have power at the motors. Thanks
Images (Click to enlarge)
Oct 22, 2019 at 4:19 PM